Foram encontradas 60 questões.
De acordo com o Programa Brasileiro de Etiquetagem (PBE) e as regras estabelecidas para a obtenção da licença do uso da Etiqueta Nacional de Conservação de Energia (ENCE), o engenheiro responsável por determinado prédio público, já construído, solicitou a avaliação de sua eficiência energética, com vistas à obtenção da licença para uso da ENCE.
Tendo recebido a classificação “mais eficiente", a indicação que aparecerá na etiqueta será
Tendo recebido a classificação “mais eficiente", a indicação que aparecerá na etiqueta será
Provas
Questão presente nas seguintes provas
Quando os CFC’s atingem altitudes onde a incidência de radiação ultravioleta é muito intensa, suas moléculas são decompostas em formas químicas mais reativas, liberando determinados átomos, que, ao reagirem com as moléculas de ozônio, acabam destruindo-as.
Tais átomos prejudiciais são os de
Tais átomos prejudiciais são os de
Provas
Questão presente nas seguintes provas
Com relação aos tipos de filtros para climatização, considere as afirmativas a seguir.
I - Os filtros utilizados nos condicionadores de ar tipo janela possuem boa eficiência contra insetos e relativa eficiência contra poeira grossa, eficiência reduzida contra pólen de plantas e quase nula contra poeira atmosférica.
II - Os fltros utilizados nos condicionadores do tipo compacto (self-contained) possuem boa eficiência contra poeira grossa, relativa eficiência contra pólen de plantas e eficiência reduzida contra poeira atmosférica.
III - Os filtros utilizados nas salas e cabines estéreis para operações cirúrgicas possuem eficiência excelente contra a fração ultrafina da poeira atmosférica, fumaças de óleo e tabaco, bactérias, fungos microscópicos e vírus.
Estão corretas as afirmativas
I - Os filtros utilizados nos condicionadores de ar tipo janela possuem boa eficiência contra insetos e relativa eficiência contra poeira grossa, eficiência reduzida contra pólen de plantas e quase nula contra poeira atmosférica.
II - Os fltros utilizados nos condicionadores do tipo compacto (self-contained) possuem boa eficiência contra poeira grossa, relativa eficiência contra pólen de plantas e eficiência reduzida contra poeira atmosférica.
III - Os filtros utilizados nas salas e cabines estéreis para operações cirúrgicas possuem eficiência excelente contra a fração ultrafina da poeira atmosférica, fumaças de óleo e tabaco, bactérias, fungos microscópicos e vírus.
Estão corretas as afirmativas
Provas
Questão presente nas seguintes provas
A água e o vidro são considerados semitransparentes à radiação solar.
PORQUE
A radiação solar incidente sobre um volume de água é gradualmente atenuada pela água à medida que o feixe penetra nas suas profundezas, e a radiação solar incidente em uma lâmina de vidro é parcialmente absorvida e parcialmente refletida, e o restante é transmitido.
Analisando-se as afirmações acima, conclui-se que
PORQUE
A radiação solar incidente sobre um volume de água é gradualmente atenuada pela água à medida que o feixe penetra nas suas profundezas, e a radiação solar incidente em uma lâmina de vidro é parcialmente absorvida e parcialmente refletida, e o restante é transmitido.
Analisando-se as afirmações acima, conclui-se que
Provas
Questão presente nas seguintes provas

Dados:
• cotas em metros;
• descontar integralmente vãos > 2,00 m2 nos cálculos das alvenarias;
• gradil G1: 1,00 m x 1,00 m;
• não considerar perdas;
• altura da porta de entrada: 2,50 m;
• utilizar nos cálculos as medidas geométricas fornecidas, sem acréscimos ou reduções;
• composição de custo unitário:
Concreto ciclópico (1 m3 ):
cimento......................150 kg
areia grossa .............. 400 L
brita 1 e 2 .................. 650 L
pedra de mão ............ 300 L
pedreiro ..................... 2,5 h
servente .................... 10 h
encargos sociais ........ 100%
Assim, se, ao final do quarto mês do início da obra, todos os equipamentos estiverem no interior da subestação, no mês subsequente, o valor a ser faturado com a colocação das esquadrias, em reais, é
Provas
Questão presente nas seguintes provas
figura mostra o esquema de ligação de uma subestação de média tensão com um ramal de entrada aéreo.

Considerando-se os itens indicados pelos números 1, 2, 3 e 4, constata-se que eles correspondem, respectivamente, a

Considerando-se os itens indicados pelos números 1, 2, 3 e 4, constata-se que eles correspondem, respectivamente, a
Provas
Questão presente nas seguintes provas
Ao realizar algumas medições no barramento de entrada de uma subestação, encontraram-se os seguintes valores de potência:
• Potência aparente (S) = 1000 VA
• Potência reativa (Q) = 600 VAR (indutiva)
Assim, verifica-se que o valor do fator de potência é
• Potência aparente (S) = 1000 VA
• Potência reativa (Q) = 600 VAR (indutiva)
Assim, verifica-se que o valor do fator de potência é
Provas
Questão presente nas seguintes provas
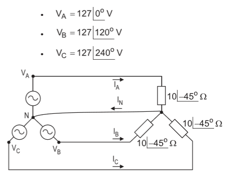
A figura mostra um sistema trifásico, com carga equilibrada, ligada em estrela, a quatro fios, no qual as tensões VA, VB e VC são equilibradas e dadas por

O valor, em módulo, da corrente de neutro (I N), em ampères, é de

O valor, em módulo, da corrente de neutro (I N), em ampères, é de
Provas
Questão presente nas seguintes provas
Para manter algumas cargas essenciais de uma agência bancária, quando ocorre falta de energia da rede externa, um grupo gerador diesel trifásico de 60 kVA é utilizado de forma emergencial.
Sabendo-se que o grupo contém um gerador síncrono com 2 pares de polos (4 polos) e que a frequência da rede é de 60 Hz, o valor da velocidade do eixo desse gerador (velocidade síncrona), a ser mantida constante pelo motor diesel, em rpm, é de
Sabendo-se que o grupo contém um gerador síncrono com 2 pares de polos (4 polos) e que a frequência da rede é de 60 Hz, o valor da velocidade do eixo desse gerador (velocidade síncrona), a ser mantida constante pelo motor diesel, em rpm, é de
Provas
Questão presente nas seguintes provas
No âmbito do AutoCad LT 2012, as áreas bidimensionais demarcadas, que contêm propriedades físicas como centros de massas ou centroides, constituem as(os)
Provas
Questão presente nas seguintes provas
Cadernos
Caderno Container