Foram encontradas 265 questões.
A figura abaixo refere-se à questão.

Provas
Questão presente nas seguintes provas
A figura abaixo refere-se à questão.

Acerca das fiações indicadas, é correto afirmar que:
Provas
Questão presente nas seguintes provas
A norma NBR 5410:2004 traz 75 métodos de instalação de linhas
elétricas agrupadas em 9 métodos de referência:
A1: condutores isolados em eletroduto de seção circular embutido em parede termicamente isolante;
A2: cabo multipolar em eletroduto de seção circular embutido em parede termicamente isolante;
B1: condutores isolados em eletroduto de seção circular sobre parede de madeira;
B2: cabo multipolar em eletroduto de seção circular sobre parede de madeira;
C: cabos unipolares ou cabo multipolar sobre parede de madeira;
D: cabo multipolar em eletroduto enterrado no solo;
E: cabo multipolar ao ar livre;
F: cabos unipolares justapostos (na horizontal, na vertical ou em trifólio) ao ar livre;
G: cabos unipolares espaçados ao ar livre.
Analise as afirmações a seguir.
I. Os métodos de referência permitem ao projetista determinar a capacidade de condução de corrente dos condutores de acordo com o método de instalação empregado no projeto.
II. Os métodos foram calculados para temperatura ambiente de 30°C (ar), 20°C (solo).
III. O projetista deve aplicar fatores de correção para adequar sua realidade aos métodos listados na norma.
Estão corretas as afirmativas
A1: condutores isolados em eletroduto de seção circular embutido em parede termicamente isolante;
A2: cabo multipolar em eletroduto de seção circular embutido em parede termicamente isolante;
B1: condutores isolados em eletroduto de seção circular sobre parede de madeira;
B2: cabo multipolar em eletroduto de seção circular sobre parede de madeira;
C: cabos unipolares ou cabo multipolar sobre parede de madeira;
D: cabo multipolar em eletroduto enterrado no solo;
E: cabo multipolar ao ar livre;
F: cabos unipolares justapostos (na horizontal, na vertical ou em trifólio) ao ar livre;
G: cabos unipolares espaçados ao ar livre.
Analise as afirmações a seguir.
I. Os métodos de referência permitem ao projetista determinar a capacidade de condução de corrente dos condutores de acordo com o método de instalação empregado no projeto.
II. Os métodos foram calculados para temperatura ambiente de 30°C (ar), 20°C (solo).
III. O projetista deve aplicar fatores de correção para adequar sua realidade aos métodos listados na norma.
Estão corretas as afirmativas
Provas
Questão presente nas seguintes provas
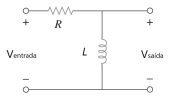
Para eliminar ruídos, utiliza-se circuitos com capacitores, indutores e
resistores. Ao se injetar um sinal de tensão na entrada (Ventrada) de um
circuito, deseja-se medir, na saída desse circuito (Vsaída), um sinal de
tensão alternada de baixa frequência, eliminando os ruídos de alta
frequência. Para isso, o circuito mais adequado é:
Provas
Questão presente nas seguintes provas
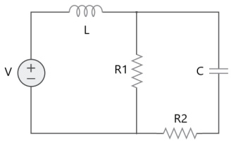
O circuito misto proposto na figura a seguir é submetido a uma tensão
contínua (V) de 20V.
Considere que os componentes especificados na figura apresentam: indutância L de 10mH; resistor R1 de 10Ω; resistor R2 de 10Ω; e capacitância C de 20µF.
Ao se medir as correntes em cada componente do circuito após término do transitório, os valores encontrados para IL, IR1, IR2 e IC são, respectivamente:
Considere que os componentes especificados na figura apresentam: indutância L de 10mH; resistor R1 de 10Ω; resistor R2 de 10Ω; e capacitância C de 20µF.

Ao se medir as correntes em cada componente do circuito após término do transitório, os valores encontrados para IL, IR1, IR2 e IC são, respectivamente:
Provas
Questão presente nas seguintes provas
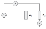
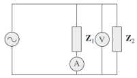
Deseja-se medir a potência ativa na carga Z2 do circuito paralelo
apresentado na figura. Para isso, dispõe-se de um wattímetro, que
é composto, basicamente, de uma bobina para medição de corrente
(amperímetro) e outra para medição de tensão (voltímetro). Considere
os medidores ideais.

O posicionamento correto dos medidores (amperímetro e voltímetro) para a medição de potência em Z2 é representado em:

O posicionamento correto dos medidores (amperímetro e voltímetro) para a medição de potência em Z2 é representado em:
Provas
Questão presente nas seguintes provas
Considere uma carga com as especificações de potência de 10 kVA,
fator de potência 0,8 atrasado e tensão eficaz de 127V e assinale (V)
para as alternativas verdadeiras e (F) para as falsas.
( ) A potência ativa dessa carga é de 8 kW. ( ) Essa carga possui característica indutiva. ( ) A corrente eficaz dessa carga é de 8 kA. ( ) A potência reativa dessa carga é nula.
A sequência correta é
( ) A potência ativa dessa carga é de 8 kW. ( ) Essa carga possui característica indutiva. ( ) A corrente eficaz dessa carga é de 8 kA. ( ) A potência reativa dessa carga é nula.
A sequência correta é
Provas
Questão presente nas seguintes provas
Uma fonte de tensão contínua ajustável pode ser modelada por um
circuito equivalente de Thévenin, composto por uma fonte interna (Vs)
em série com uma resistência (Rs), conforme apresentado na figura a
seguir. 
Considere que:
I- Essa fonte fornece, na saída, uma tensão máxima (VL) de 30V e corrente (IL) de 3A; II- A carga a ser alimentada por essa fonte possui as especificações de 12W de potência e 10V de tensão.
Sobre esse circuito, é INCORRETO afirmar que:

Considere que:
I- Essa fonte fornece, na saída, uma tensão máxima (VL) de 30V e corrente (IL) de 3A; II- A carga a ser alimentada por essa fonte possui as especificações de 12W de potência e 10V de tensão.
Sobre esse circuito, é INCORRETO afirmar que:
Provas
Questão presente nas seguintes provas
Para o circuito misto apresentado, considere que todas as lâmpadas (L1, L2, L3, L4 e L5) são iguais.

As relações entre as intensidades luminosas (IL1, IL2, IL3, IL4 e IL5) emitidas por essas lâmpadas são indicadas, corretamente, em:
Provas
Questão presente nas seguintes provas
A figura abaixo apresenta um circuito trifásico equilibrado composto
por fonte trifásica em estrela (Y), impedância de linha (ZL
) e carga em
triângulo (∆). 
Sobre esse circuito, são feitas as afirmações:
I. A tensão eficaz de linha medida na saída da fonte (Vab) será de 127V quando a tensão eficaz de fase da fonte (Van) for de 220V.
II. A potência trifásica total na carga em triângulo (∆) é dada por: P3∅ = √3 Ia VAB .
III. A corrente de linha (Ia ) é calculada pela relação entre a tensão de fase (Van) e a impedância por fase: Ia = Van / (ZL + Z∆)
Está(ão) correta(s) a(s) afirmativa(s)

Sobre esse circuito, são feitas as afirmações:
I. A tensão eficaz de linha medida na saída da fonte (Vab) será de 127V quando a tensão eficaz de fase da fonte (Van) for de 220V.
II. A potência trifásica total na carga em triângulo (∆) é dada por: P3∅ = √3 Ia VAB .
III. A corrente de linha (Ia ) é calculada pela relação entre a tensão de fase (Van) e a impedância por fase: Ia = Van / (ZL + Z∆)
Está(ão) correta(s) a(s) afirmativa(s)
Provas
Questão presente nas seguintes provas
Cadernos
Caderno Container