Foram encontradas 265 questões.


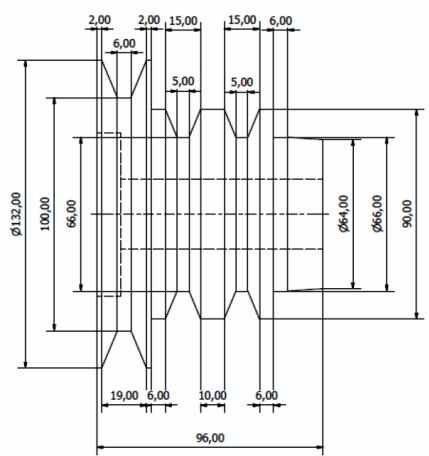
Com base na interpretação do desenho técnico apresentado, o tipo de polia a ser fabricado no processo de torneamento é a polia
Provas
Questão presente nas seguintes provas

Em função do tipo de resfriamento, espera-se obter, respectivamente, as seguintes fases:
Provas
Questão presente nas seguintes provas

A Ciência de Materiais estuda de forma sistêmica as características dos materiais classificados em: , , e .
O desenvolvimento do estudo se baseia no , , e no dos materiais.
A sequência correta é
Provas
Questão presente nas seguintes provas

Considere a figura a seguir.

Após análise do nônio em destaque na figura, a resolução exata do paquímetro é de
Provas
Questão presente nas seguintes provas

Provas
Questão presente nas seguintes provas

Provas
Questão presente nas seguintes provas

Provas
Questão presente nas seguintes provas

A potência mínima encontrada é de
Provas
Questão presente nas seguintes provas

Provas
Questão presente nas seguintes provas

Provas
Questão presente nas seguintes provas
Cadernos
Caderno Container