Magna Concursos

Foram encontradas 50 questões.

1379174 Ano: 2012
Disciplina: Engenharia Eletrônica
Banca: FUNRIO
Orgão: CEITEC
Qual das opções abaixo não é considerado um atuador?
 

Provas

Questão presente nas seguintes provas
1378582 Ano: 2012
Disciplina: Português
Banca: FUNRIO
Orgão: CEITEC
Provas:

Assinale a alternativa que contém exemplo de oração subordinada adverbial concessiva.

 

Provas

Questão presente nas seguintes provas
1377148 Ano: 2012
Disciplina: Português
Banca: FUNRIO
Orgão: CEITEC
Provas:

Assinale a alternativa que emprega uma flexão verbal inadequada para os padrões da língua.

 

Provas

Questão presente nas seguintes provas
1376103 Ano: 2012
Disciplina: Inglês (Língua Inglesa)
Banca: FUNRIO
Orgão: CEITEC
Provas:
TEXT
Emerging markets: a bubble that has finally burst?
Patrick Collinson, guardian.co.uk, Friday 5 August 2011
One of Britain's most successful fund managers has warned about an emerging market bubble and told small investors, who have poured billions of pounds into emerging market funds, that returns could be sorely disappointing over the next few years.
British investors now hold more than £40bn in emerging market funds – typically invested in China, Brazil and India – and those who jumped in early have done well. The average fund invested in China has made a 112% gain since 2006 while the very best fund, run by First State, has notched up a breathtaking 159% gain for its investors. Meanwhile, the average fund invested in UK shares has limped in with a rise of 18% over the same period.
But last week the head of global emerging market equities at First State, Jonathan Asante, told investors that the good times may be over. Asante wrote to investors saying that most stocks in emerging markets are "fully valued", which in fund manager speak means he believes that they are not worth investing in and could be headed for a fall. A formal warning to investors from their fund manager is extremely rare, as it could prompt investors to bolt for the exit – and shrink the funds from which they are paid.
Asante takes a longer view than most of his rivals. Profit sharing and bonuses at First State are only paid out on the basis of three-year numbers rather than quarterly or half-yearly figures. Managers are also required to put most of their personal wealth into their funds. "It means that managers have to eat their own cooking," he says.
Asante, who used to teach at the London School of Economics before becoming a fund manager, is not forecasting an abrupt halt to the Chinese economic miracle, or an end to India's growth. But he says that so much money has flooded into the shares of emerging market companies that even the best of them may now be overvalued. Many companies command share price ratings which are a multiple of their equivalents in the west, he says, yet are trading in areas where corruption is rife, inflation rising, where legal systems are immature and where back-door state control is common.
Overvaluations are perhaps most severe in Latin America, particularly Brazil, he says. Indeed, he was so concerned that last December he wrote a separate warning note to clients in his Latin American portfolios. It was a good call – the São Paulo Bovespa index was then around 70,000, and is now around 56,000. He continues to believe that the Brazilian currency, the real, is the "most ridiculously over-valued currency in the world".
It is telling what First State managers are doing with their own cash tied up in First State funds. They now only have around 60% in equity funds, with 40% in cash (sterling, Hong Kong dollar and Singapore dollar) and gold.
"The world is a very risky place right now. I would have to be sceptical of the China story. The central planners have in some senses been wonderful at balancing growth, inflation, banking and environmental concerns. I applaud them but wonder if they can keep this going forever."
However, Asante's views are not shared by the majority of emerging market fund managers. In contrast, the manager of another giant emerging markets fund, Michael Konstantinov, of the £870m Allianz RCM Bric Stars fund, this week told potential investors that valuations are currently "very cheap" (his italics) and that they offer an "outstanding entry point".
"I think it is important to remind ourselves that the Bric [Brazil, Russia, India, China] countries came through the global economic crisis of 2008 and 2009 quite well. Brazil did not even go into recession in 2009 while India and China continued to grow very strongly in the range of 8%-9%. Only Russia had a short-term setback, but has recovered well and is, again, leading the global growth dynamic.
"As the demand side of these economies is mainly driven by domestic demand, not by exports, they are more resilient to a global crisis."
Fidelity, which took more than £500m from UK investors into a China fund launched by its most high-profile manager, Anthony Bolton, has struggled to make money for them yet. The trust is currently trading at 96p compared to its launch price of 100p in April 2010, although Fidelity remains bullish on the region.
Nick Price, manager of Fidelity Emerging Markets fund and the Fidelity EMEA fund, says: "As an emerging market fund manager you'd expect me to be bullish wouldn't you? Clearly, many of the markets are facing headwinds right now and these may last for some months. But having just come back from China where I spent a week visiting 30 companies, I remain convinced that the China consumer story is as strong as ever.
"On a longer-term basis, emerging market stocks represent a fraction of their potential worth. It's a strong statement I know, but look at the facts. Emerging markets represent 90% of the world's oil reserves, over 80% of the world's population, over 60% of the world's forex reserves, 30% of global GDP, but yet are only 13% of global stock market capitalisation. I am convinced that the longer you look out, the more sure you can be that emerging markets offer great opportunities."
(source: http://www.guardian.co.uk/money/2011/aug/05/emerging-markets-bubble-burst)
In Jonathan Asante’s opinion, the Brazilian currency is:
 

Provas

Questão presente nas seguintes provas
1375295 Ano: 2012
Disciplina: Português
Banca: FUNRIO
Orgão: CEITEC
Provas:

O gentílico que se refere a quem nasce no estado do Mato Grosso do Sul é sul-mato-grossense ou mato-grossense-do-sul.

Esses dois adjetivos, quanto ao processo de formação, devem ser classificados

 

Provas

Questão presente nas seguintes provas
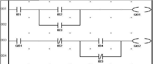
1375072 Ano: 2012
Disciplina: Engenharia Eletrônica
Banca: FUNRIO
Orgão: CEITEC
Dado o ladder abaixo e os estados das variáveis no início dos tempos, mostre qual serão os estados dessas variáveis ao final de 1 ciclo de operação(scan) do CLP...
Enunciado 1375072-1
Variáveis Estado inicial Estado após primeiro scan
I01 LIGAD0=1 1
I02 DESLIGADO=0 0
I03 LIGAD0=1 1
I04 DESLIGADO=0 0
Q01 DESLIGADO=0 1
Q02 DESLIGADO=0 0
 

Provas

Questão presente nas seguintes provas
1375031 Ano: 2012
Disciplina: Português
Banca: FUNRIO
Orgão: CEITEC
Provas:

“Todos querem que nós_________________________.”

Apenas uma das alternativas completa coerente e adequadamente a frase acima. Assinale-a.

 

Provas

Questão presente nas seguintes provas
1374223 Ano: 2012
Disciplina: Engenharia Elétrica
Banca: FUNRIO
Orgão: CEITEC
O transformador é um dispositivo estático, que trabalha em temperaturas superiores à do ambiente devido à energia dissipada, sob forma de calor, nos enrolamentos e no núcleo. Naturalmente, a temperatura do transformador deve estar numa gama de valores para garantir um perfeito funcionamento dos componentes visto que podemos ter problemas no isolamento e na refrigeração.
O ensaio de aquecimento visa, pois, a determinar se o transformador, ao funcionar, não ficará sujeito a temperaturas elevadas que prejudiquem seu funcionamento ou pudessem danificá-lo.
O ensaio de aquecimento poderia ser realizado em operação nominal, em seguida, as temperaturas poderiam ser analisadas posteriormente e assim verificar se há problemas com o transformador, mas esse ensaio é viável para transformadores de baixa potência.
A ABNT, por meio de uma determinada norma, recomenta mais três tipos de métodos de ensaios que podem determinar a elevação de temperatura de transformador de potência elevada. Podemos dizer que a norma citada e os três tipos de ensaios restantes são:
 

Provas

Questão presente nas seguintes provas
1373966 Ano: 2012
Disciplina: Português
Banca: FUNRIO
Orgão: CEITEC
Provas:

“Se eu já soubesse o que o poema diria, não precisaria escrevê-lo. Escrevo para desaprender o que eu achava que sabia sobre aquilo que me vai sendo ensinado enquanto escrevo.”

Antonio Carlos Secchin faz um interessante jogo de palavras ao falar do fazer poético. Nessas duas frases, observa-se o emprego expressivo de que classe gramatical?

 

Provas

Questão presente nas seguintes provas
1392750 Ano: 2012
Disciplina: Engenharia Eletrônica
Banca: FUNRIO
Orgão: CEITEC
Qual alternativa que está errada no que tange às linguagens de programação consideradas na IEC61131-3?
Questão Anulada

Provas

Questão presente nas seguintes provas