Foram encontradas 60 questões.
Qual o comportamento da corrente na armadura em um compensador síncrono ideal, cujo a corrente de campo é ajustada tal que a sua tensão interna é igual à tensão terminal?
Assinale a opção CORRETA:
Provas
Um gerador síncrono opera com fator de potência 0,8 indutivo e está ligado a uma barra infinita. Se a sua corrente de campo permanecer inalterada e a potência mecânica entregue pela máquina motriz diminuir, qual o comportamento do seu fator de potência?
Assinale a opção CORRETA:
Provas
Em se usar um retificador de meia onda em uma carga puramente resistiva será alimentada por uma fonte de tensão senoidal, qual o comportamento da frequência da tensão sobre a carga?
Assinale a opção CORRETA:
Provas
Seja um circuito R L em série, em regime permanente. Considerando que a frequência deste circuito aumente e a amplitude permaneça constante, e sabendo que o circuito é alimentado por uma fonte de tensão de CA (corrente alternada), é CORRETO afirmar:
Provas
Determine a corrente de linha (em A) em um sistema trifásico que possui tensão de linha 380 V e fornece 1.200 W a uma carga conectada em delta (∆), com o fator de potência (FP) de 0,8 atrasado.
Assinale a opção CORRETA:
Provas
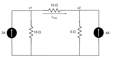
Determine a corrente em A que flui da esquerda para direita no resistor de 15 Ω, observar o circuito a seguir:

Assinale a opção CORRETA:
Provas
Calcular a potência em W absorvida pelo objeto a seguir:

Assinale a opção CORRETA:
Provas
- Medidas ElétricasTransformadores para instrumentos, Transformador de potencial e Transformador de corrente
Uma indústria é alimentada por um transformador de 500 kVA e outro 225 kVA. O engenheiro de manutenção decidiu desligar o maior transformador todos os dias após o término do expediente e nos finais de semana. A indústria trabalha dez horas por dia e 25 dias por mês. O transformador de 500 kVA tem os seguintes dados:
Perdas no cobre: 6.000 W. Perdas no ferro: 1.700 W.
Assinale a opção CORRETA:
Provas
Uma instalação industrial consome por mês 1.000.000 kWh, considerando que as tensões estão praticamente equilibradas. Porém, modificações na rede da concessionaria resultaram nas seguintes tensões primárias entre fases:
• A-B: 13.950 V.
• B-C: 13.770 V.
• C-A: 13.890 V.
Determine o desiquilíbrio percentual de tensão.
Provas
Uma instalação industrial possui um sistema de ar comprimido constituído por seis unidades com capacidade unitária de produzir 360 l/min. Há suspeita de vazamento em qualquer ponto da rede, que na sua maioria é subterrânea. Foram realizados os apertos nas válvulas e conexões visíveis. Aproveitando uma parada da indústria, foram realizados testes de perda de vazão. O tempo de carga do sistema foi de oito minutos. O tempo de descarga do sistema foi de 10 minutos. Determine o volume de ar desperdiçado de ar comprimido em l/min.
Assinale a opção CORRETA:
Provas
Caderno Container