Foram encontradas 60 questões.
- Transformadores e Máquinas ElétricasMáquinas EstáticasTransformadores Trifásicos e Autotransformadores
Um transformador monofásico, relação de transformação 4.000/220, frequência de 50 Hz, seção do núcleo magnético S = 0,0156 m2, é sede de um fluxo de valor Φ = 0,025 Wb. Determinar o número de espiras secundárias, sabendo que a f.e.m gerada em cada espira é 5,55 V.
O número de espiras secundárias deste transformador é:
Provas
Um condutor de 400 mm de comprimento e disposto normalmente a um campo de indução B = 0,7 Wb/m2, é deslocado normalmente a si próprio e ao campo com a velocidade de 25 m/s. Se o condutor faz parte de um circuito de resistência total R = 7 Ω, a potência em W gerada é:
Provas
Qual a resistência em Ω de um fio de tungstênio (= 0,051) de 16 m de comprimento, tendo uma seção de 0,4 mm2 .
A resistência do cabo é:
Provas
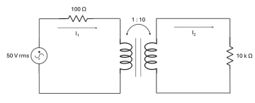
No circuito abaixo, determine a potência média em W dissipada no resistor de 10 k Ω.

A potência média dissipada no resistor de 10 k Ω é:
Provas
Uma linha de transmissão CC está para ser construídas entre duas ilhas separadas por uma distância de 3 km. A tensão de operação é de 500 kV e a capacidade do sistema é de 600 MW. Calcule a resistência do cabo em Ω.
Provas
No seu código de conduta ética, em suas relações com fornecedores e prestadores de serviço, a Celesc exige o cumprimento da legislação vigente, bem como estimula seus fornecedores e prestadores de serviço a respeitarem os princípios e as normas deste Código e a promoverem ações de responsabilidade socioambiental. Sendo assim, a relação com fornecedores e prestadores de serviço deve:
I. Pautar-se pelo profissionalismo, pela transparência, objetividade, clareza das informações e pelas especificações técnicas.
II. Orientar-se pelo respeito incondicional e irrestrito às leis, regulamentos e normas aplicáveis.
III. Contribuir com a preservação da imagem da Celesc e gerar parcerias concretas para a busca de soluções comuns.
IV. Realizar acompanhamento sistemático a fim de verificar a não utilização de trabalho escravo, infantil, degradante, forçado, compulsório ou o descumprimento da legislação ambiental, cobrando práticas seguras no desenvolvimento das atividades.
V. Selecionar e contratar fornecedores e prestadores de serviço baseando-se em critérios legais e técnicos de qualidade, custo e pontualidade e exigir um perfil ético em suas práticas de gestão, de responsabilidade social e ambiental, recusando práticas de concorrência desleal, trabalho infantil, trabalho forçado ou compulsório, bem como outras práticas contrárias aos princípios deste Código, inclusive na cadeia produtiva de tais fornecedores.
Provas
Quanto ao procedimento de licitação (Lei n.º 13.303/2016), poderão ser utilizados, dentre outros, os seguintes critérios de julgamento, EXCETO:
Provas
Disciplina: Legislação Específica das Agências Reguladoras
Banca: ACAFE
Orgão: CELESC
Quanto a estrutura tarifária das concessionárias de distribuição (PRORET Anexo LI - Módulo 7 - Submódulo 7.1 Procedimentos Gerais), são consideradas modalidades tarifárias:
I. Modalidade tarifária horária Azul: aplicada às unidades consumidoras do grupo A, caracterizada por tarifas diferenciadas de consumo de energia elétrica e de demanda de potência, de acordo com as horas de utilização do dia.
II. Modalidade tarifária horária Verde: aplicada às unidades consumidoras do grupo A, caracterizada por tarifas diferenciadas de consumo de energia elétrica, de acordo com as horas de utilização do dia, assim como de uma única tarifa de demanda de potência.
III. Modalidade tarifária Convencional Binômia: aplicada às unidades consumidoras do grupo A, caracterizada por tarifas de consumo de energia elétrica e demanda de potência, independentemente das horas de utilização do dia.
IV. Modalidade tarifária horária Branca: aplicada às unidades consumidoras do grupo B, conforme Resolução Normativa nº 414/2010, ou o que vier a sucedê-la, caracterizada por tarifas diferenciadas de consumo de energia elétrica, de acordo com as horas de utilização do dia.
V. Modalidade tarifária Convencional Monômia: aplicada às unidades consumidoras do grupo B, caracterizada por tarifas de consumo de energia elétrica, independentemente das horas de utilização do dia.
VI. Modalidade tarifária Geração: aplicada às centrais geradoras e aos agentes importadores conectados aos sistemas de distribuição, caracterizada por tarifas de demanda de potência, independentemente das horas de utilização do dia.
VII. Modalidade tarifária Distribuição: aplicada às concessionárias ou às permissionárias de distribuição conectadas aos sistemas de outra distribuidora, caracterizada por tarifas diferenciadas de demanda de potência, de acordo com as horas de utilização do dia, e de consumo de energia elétrica.
VIII. Modalidade tarifária pré-pagamento: aplicada no faturamento das unidades consumidoras que aderirem ao sistema de faturamento pré-pago nos termos da Resolução Normativa nº 610/2014, ou o que vier a sucedê-la.
Assinale a alternativa CORRETA:
Provas
Disciplina: Legislação Específica das Agências Reguladoras
Banca: ACAFE
Orgão: CELESC
A Lei 10.848, de 15 de março de 2004, Portaria Normativa nº 50/GM/MME, de 27 de setembro de 2022 e Lei nº 9.074, de 07 de julho de 1995, trata do consumidor livre e comercialização de energia elétrica. Desta forma, quanto aos mecanismos de proteção aos consumidores na operação do Sistema Interligado Nacional – SIN, NÃO são considerados:
Provas
Disciplina: Legislação Específica das Agências Reguladoras
Banca: ACAFE
Orgão: CELESC
A resolução normativa ANEEL Nº 1.000, de 7 de dezembro de 2021, estabelece as Regras de Prestação do Serviço Público de Distribuição de Energia Elétrica. Esta resolução determina que a distribuidora deve definir o grupo e o nível de tensão de conexão ao sistema elétrico para unidade consumidora, observando os critérios a seguir:
I. Grupo A, com tensão maior ou igual a 69 kV: se a maior demanda a ser contratada for maior que 2.500 kW.
II. Grupo A, com tensão menor que 2,3 kV em sistema subterrâneo: até o limite de potência instalada, conforme padrão de atendimento da distribidora.
III. Grupo B, com tensão maior ou igual a 2,3 kV e menor que 69 kV: se a carga ou a potência instalada de geração na unidade consumidora forem maiores que 75 kW e a maior demanda a ser contratada for menor ou igual a 2.500 kW.
IV. Grupo B, com tensão menor que 2,3 kV em rede aérea: se a carga e a potência de geração instalada na unidade consumidora forem iguais ou menores que 75 kW.
Assinale a alternativa CORRETA:
Provas
Caderno Container