Foram encontradas 60 questões.
Assinale a alternativa CORRETA que representa a potência aparente (em VA) de trabalho de tomada de corrente trifásica, com corrente nominal IN = 10 A, ligado em um circuito com tensão nominal UN = 127 V e fator de utilização de u = 0,472? Dado: √3 = 1,73.
Provas
Considere uma indústria na qual o consumo mensal de energia elétrica gira em torno de 50.611 kWh, cuja conta indica 275 kW como a demanda máxima. A indústria funciona em média, 16,25 horas por dia e 22 dias por mês. Assinale a alternativa CORRETA, que representa o fator de carga diário.
Provas
- Transformadores e Máquinas ElétricasMáquinas AssíncronasCaracterística Torque-escorregamento-corrente
Considere um motor de indução trifásico de 800 HP, 2.300 V, com reatância subtransitória de 25%, rendimento de 90% e fator de potência igual a 0,88. Assinale a opção CORRETA que traz o valor da reatância subtransitória, em Ω.
Provas
Em um sistema trifásico cujas bases são 1.000 kVA e 0,48 kV, tem-se uma impedância de 5,75 por cento, a qual é aplicada a tensão de 1 pu, conforme o esquema do circuito a seguir. Assinale a opção CORRETA que representa o valor da corrente I em A (sinalizada no esquema do circuito abaixo). Dado: √3 = 1,73.

Assinale a opção CORRETA:
Provas
Os valores na entrada de um circuito que alimenta uma carga elétrica monofásica são: Ů = 200 ∢ 30º e İ = 10 ∢ 60º. Dado: Qual a impedância da carga em Ω, a potência reativa (em var)? Dado: sen (-30 º) = -0,5 e sen (+30 º) = 0,5.
Assinale a opção CORRETA:
Provas
Dada uma churrasqueira elétrica de 3 KW, com η = 60% em 127 volts, assinale a opção CORRETA que representa a corrente elétrica (em A) e a potência ativa (em W) de entrada na churrasqueira.
Provas
Um elétron (massa de repouso de 0,511 MeV) se movimenta com velocidade v = 0,800 e a sua energia total é de 0,851 MeV. A opção CORRETA que representa o resultante da energia cinética (em MeV) é:
Provas
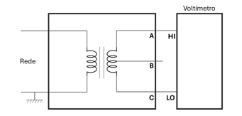
Nas medições de alta exatidão, geralmente envolvendo vários instrumentos e cabos de ligação de diversos tipos, devemos tomar certos cuidados para eliminar correntes de fuga, efeitos térmicos, resistências de contato, transientes, interferências externas, entre outros. Neste sentido, a forma mais conhecida de melhorar o sistema de medida é aterrar os pontos comuns; que apesar de simples, esta técnica requer cuidados, para evitar erros de medida e situações perigosas para o operador e os equipamentos, segue a seguir um exemplo de circuito flutuante:

Sobre aterramento neste circuito flutuante a única alternativa FALSA é:
Provas
Sobre as técnicas de medidas elétricas, quanto a impedância de entrada, ressalta-se que este parâmetro é muito importante porque relaciona a carga complexa que o instrumento representa para o circuito sob teste. O operador deve estar atento para este problema que pode ser encontrado quando existe uma malha crítica no circuito sob teste que provoque instabilidade. Deve observar ainda que os acessórios disponíveis terão que ser compatíveis com essa impedância. Sendo assim, por exemplo:
I. A ponta de prova AT para multímetro digital com impedância de entrada 10 MΩ apresenta relação igual a 1000. Se for usado um multímetro com impedância diferente de 10 MΩ, esta relação não será válida.
II. Entrada de osciloscópio igual a 1 MΩ / 12 pF. Quando for utilizada a ponta de prova, verificar se ela é compatível com esta impedância.
III. Entrada de osciloscópio igual a 50 Ω. Desse ser usada com critério, sendo fonte de erro quando utilizada para aplicações gerais. Geralmente requer o uso de ponta de prova ativa.
IV. Divisores resistivos de voltímetros analógicos, podendo causar erro se a impedância do circuito sob teste for desconhecida.
Assinale a alternativa CORRETA:
Provas
A estrutura tarifária de energia define a forma com que os preços definidos pelo nível tarifário serão apresentados aos consumidores. Avalie as afirmativas a seguir e assinale a alternativa CORRETA que represente as tarifas de controle indireto da demanda.
I. Tarifa monômia: nesta tarifa o consumidor concorda em ser desconectado sempre que exista dificuldade de fornecimento de energia por parte da empresa concessionária.
II. Tarifa binômia: o preço fica em função da medida física, geralmente a energia consumida, independente do tempo ou período de consumo.
III. Tarifa horo-sazonal: chamadas também de tarifas spot, são aquelas que os valores variam em períodos curtos de tempo.
IV. Tarifa instantânea: existe um maior carregamento das redes de transmissão em um determinado horário (horário de “ponta” ou “pico”). Os preços são diferenciados: um preço dentro e um preço fora do horário de “ponta” ou “pico”; além de diferenciação dos preços nos períodos do ano “seco” e “úmido”.
V. Tarifa interruptível: o preço fica em função de um componente de energia e outro de potência, geralmente a energia consumida, independente do tempo ou período de consumo.
Assinale a alternativa CORRETA:
Provas
Caderno Container