Foram encontradas 60 questões.
O projeto de dispositivos de proteção contra correntes de sobrecarga e a coordenação com o projeto de condutores é dada pelas seguintes fórmulas, conforme a NBR5410:
!$ I_B \le I_n \le I_z !$
!$ I_2 \le 1,45.I_z !$
Identifique cada uma das siglas de corrente apresentada nas fórmulas com suas respectivas definições.
( ) capacidade de condução de corrente dos condutores.
( ) corrente nominal do dispositivo de proteção.
( ) corrente de projeto do circuito.
( ) corrente convencional de atuação, para disjuntores, ou corrente convencional de fusão, para fusíveis.
Assinale a alternativa que indica a sequência correta, de cima para baixo.
Provas
Questão presente nas seguintes provas
As variáveis de temperatura e irradiância são as principais grandezas responsáveis para a definição dos valores de tensão e corrente em um painel fotovoltaico. A figura abaixo mostra curvas clássicas retiradas da folha de dados de um painel fotovoltaico.

As curvas A, B e C representam os valores de tensão e corrente para diferentes valores de , e consideram a variável constante. A da curva A é do que a da curva B.
Assinale a alternativa que completa correta e sequencialmente as lacunas do texto.
Provas
Questão presente nas seguintes provas
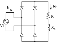
Seja um retificador de onda completa monofásico alimentando uma carga fortemente indutiva, ou seja, !$ X_L >> R !$.

Sabendo que a tensão de entrada é alternada senoidal, qual o formato da corrente da fonte de alimentação (Ii) e da corrente de saída (Io), respectivamente?
Provas
Questão presente nas seguintes provas
A figura abaixo mostra as curvas V de uma máquina síncrona, onde é possível analisar as relações entre corrente de campo, corrente de armadura, potência de saída e fator de potência (fp).

Com relação às máquinas síncronas, analise as afirmativas abaixo:
1.O ajuste do fator de potência é realizado controlando a excitação de campo.
2.A forma das curvas V de um motor síncrono são muito semelhantes às dos geradores síncronos, somente com a permuta das curvas de fator de potência.
3.Um motor síncrono pode ser utilizado por uma instalação para correção do fator de potência.
4.A corrente de armadura é mínima para uma mesma potência ativa quando o fator de potência é capacitivo.
Assinale a alternativa que indica todas as afirmativas corretas.
Provas
Questão presente nas seguintes provas
Um motor de indução trifásico foi testado desde o estado de repouso (N = 0) até a sua rotação síncrona (N = Ns), e os valores de corrente (I) e conjugado (C) foram medidos.
A figura mostra as curvas da corrente e do conjugado normalizadas em relação aos seus valores nominais (In e Cn, respectivamente).

De acordo com esses dados, qual foi a chave de partida utilizada nesse motor?
Provas
Questão presente nas seguintes provas
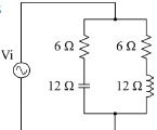
Duas cargas são conectadas em paralelo em uma fonte de tensão senoidal de 220 volts eficazes. Os valores das resistências, reatância capacitiva e indutiva são mostrados na figura.

Qual o valor eficaz da corrente da fonte?
Provas
Questão presente nas seguintes provas
A figura abaixo mostra o esquemático de um circuito elétrico com uma fonte de tensão contínua.

Qual o valor da tensão V1 quando o circuito estiver em regime permanente?
Provas
Questão presente nas seguintes provas
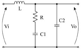
O circuito abaixo mostra um filtro LC com a adição de um ramo capacitivo amortecido.

Qual a função de transferência que relaciona a tensão de saída (Vo) em razão da tensão de entrada (Vi) desse filtro?
Provas
Questão presente nas seguintes provas
Apesar de cortes, obras avançam no acelerador de partículas Sirius
O acelerador de partículas Sirius completou a primeira volta de elétrons recentemente e, mesmo com os seguidos cortes na área científica do país, a previsão para a conclusão das obras é para o fim de 2020. Quando as obras acabarem, o acelerador de partículas Sirius será o equipamento mais avançado do mundo na geração de luz síncrotron. Ao todo, são 68 mil !$ m^2 !$ de área construída. A luz síncrotron gerada pelo Sirius será capaz de analisar a estrutura de qualquer material na escala dos átomos e das moléculas, que poderá contribuir no desenvolvimento de fármacos e baterias, por exemplo. Quando estiver em funcionamento, também permitirá reconstituir o movimento de fenômenos químicos e biológicos ultrarrápidos que ocorrem na escala dos átomos e das moléculas, importantes para o desenvolvimento de fármacos e materiais tecnológicos, como baterias mais duradouras.
Em novembro de 2018, foi inaugurada a primeira etapa do projeto. A solenidade contou com a presença do então presidente da República, Michel Temer, em Campinas, interior de São Paulo, onde o equipamento foi construído. Hoje, entre os três aceleradores do Sirius, os dois primeiros já estão montados. Ainda assim, falta a parte de instalação de potência dos aceleradores, que deve acontecer em maio de 2019. Na mira da comunidade científica internacional, – que no futuro também poderá utilizar o espaço –, a construção do acelerador de partículas ainda enfrenta alguns percalços.
“A construção do Sirius ainda esbarra nos subsequentes cortes de investimentos do governo federal”, conta o diretor do Centro Nacional de Pesquisa em Energia e Materiais (CNPEM), José Roque da Silva. Em decreto publicado em março de 2019, o governo federal decidiu congelar uma parcela das verbas do orçamento em praticamente todas as áreas. O Ministério de Ciência e Tecnologia, por exemplo, sofreu congelamento de 41,97% do orçamento. A medida, pensada para tentar cumprir a meta de deficit primário do país, pode afetar em cheio outros orçamentos, como o do Sirius. “Nesse momento dá para dizer que o Ministério está mantendo o cronograma atual”, diz. “Eu diria que
é cedo para dar alguma informação mais definitiva, mas a situação da ciência e tecnologia no país é, como um todo, preocupante”, explica Roque.
No futuro, a expectativa do CNPEM é de conseguir ampliar as fontes de recursos do Sirius –principalmente após o fim das obras. Segundo Roque, outros ministérios, como o de Minas e Energia, Saúde e Agricultura também estão interessados em utilizar o acelerador. Além dos agentes do governo, como explica o diretor do CNPEM, os setores privados também têm demonstrado interesse em investir no Sirius. A construção do novo acelerador de partículas deve custar um valor estimado de R$ 1,8 bilhão.
Além do Sirius, existe um antigo acelerador de fonte de luz síncrotron, o UVX, lançado em 1997. Atualmente considerado ultrapassado, o UVX já participou de importantes descobertas para a pesquisa brasileira como, por exemplo, entender o funcionamento de uma proteína essencial para a reprodução do zika vírus. O diretor científico do Laboratório Nacional de Luz Síncrotron (LNLS), Harry Westfahl Junior, espera que nos próximos dois anos o número das linhas de luz do UVX – que hoje é de 13 linhas com diversas técnicas de análise microscópica – salte para 18. Atualmente, duas vezes por ano é aberto chamado para projetos acadêmicos coordenados pelo LNLS. “Cientistas de qualquer centro de pesquisa no mundo, empresarial ou acadêmico, podem submeter seus trabalhos”, conta. Como o atual acelerador UVX será substituído pelo Sirius, as novas linhas de luz serão gradualmente montadas ali.
Disponível em: <https://revistagalileu.globo.com/Ciencia/ noticia/2019/04/apesar-de-cortes-obras-avancam-no-aceleradorde- particulas-sirius.html> Acesso em 14/abr/2019 [Adaptado]
Assinale a alternativa correta, com base no texto.
Provas
Questão presente nas seguintes provas
Apesar de cortes, obras avançam no acelerador de partículas Sirius
O acelerador de partículas Sirius completou a primeira volta de elétrons recentemente e, mesmo com os seguidos cortes na área científica do país, a previsão para a conclusão das obras é para o fim de 2020. Quando as obras acabarem, o acelerador de partículas Sirius será o equipamento mais avançado do mundo na geração de luz síncrotron. Ao todo, são 68 mil !$ m^2 !$ de área construída. A luz síncrotron gerada pelo Sirius será capaz de analisar a estrutura de qualquer material na escala dos átomos e das moléculas, que poderá contribuir no desenvolvimento de fármacos e baterias, por exemplo. Quando estiver em funcionamento, também permitirá reconstituir o movimento de fenômenos químicos e biológicos ultrarrápidos que ocorrem na escala dos átomos e das moléculas, importantes para o desenvolvimento de fármacos e materiais tecnológicos, como baterias mais duradouras.
Em novembro de 2018, foi inaugurada a primeira etapa do projeto. A solenidade contou com a presença do então presidente da República, Michel Temer, em Campinas, interior de São Paulo, onde o equipamento foi construído. Hoje, entre os três aceleradores do Sirius, os dois primeiros já estão montados. Ainda assim, falta a parte de instalação de potência dos aceleradores, que deve acontecer em maio de 2019. Na mira da comunidade científica internacional, – que no futuro também poderá utilizar o espaço –, a construção do acelerador de partículas ainda enfrenta alguns percalços.
“A construção do Sirius ainda esbarra nos subsequentes cortes de investimentos do governo federal”, conta o diretor do Centro Nacional de Pesquisa em Energia e Materiais (CNPEM), José Roque da Silva. Em decreto publicado em março de 2019, o governo federal decidiu congelar uma parcela das verbas do orçamento em praticamente todas as áreas. O Ministério de Ciência e Tecnologia, por exemplo, sofreu congelamento de 41,97% do orçamento. A medida, pensada para tentar cumprir a meta de deficit primário do país, pode afetar em cheio outros orçamentos, como o do Sirius. “Nesse momento dá para dizer que o Ministério está mantendo o cronograma atual”, diz. “Eu diria que é cedo para dar alguma informação mais definitiva, mas a situação da ciência e tecnologia no país é, como um todo, preocupante”, explica Roque.
No futuro, a expectativa do CNPEM é de conseguir ampliar as fontes de recursos do Sirius –principalmente após o fim das obras. Segundo Roque, outros ministérios, como o de Minas e Energia, Saúde e Agricultura também estão interessados em utilizar o acelerador. Além dos agentes do governo, como explica o diretor do CNPEM, os setores privados também têm demonstrado interesse em investir no Sirius. A construção do novo acelerador de partículas deve custar um valor estimado de R$ 1,8 bilhão.
Além do Sirius, existe um antigo acelerador de fonte de luz síncrotron, o UVX, lançado em 1997. Atualmente considerado ultrapassado, o UVX já participou de importantes descobertas para a pesquisa brasileira como, por exemplo, entender o funcionamento de uma proteína essencial para a reprodução do zika vírus. O diretor científico do Laboratório Nacional de Luz Síncrotron (LNLS), Harry Westfahl Junior, espera que nos próximos dois anos o número das linhas de luz do UVX – que hoje é de 13 linhas com diversas técnicas de análise microscópica – salte para 18. Atualmente, duas vezes por ano é aberto chamado para projetos acadêmicos coordenados pelo LNLS. “Cientistas de qualquer centro de pesquisa no mundo, empresarial ou acadêmico, podem submeter seus trabalhos”, conta. Como o atual acelerador UVX será substituído pelo Sirius, as novas linhas de luz serão gradualmente montadas ali.
Disponível em: <https://revistagalileu.globo.com/Ciencia/ noticia/2019/04/apesar-de-cortes-obras-avancam-no-aceleradorde- particulas-sirius.html> Acesso em 14/abr/2019 [Adaptado]
Considere as frases abaixo:
I. A medida, pensada para tentar cumprir a meta de deficit primário do país, pode afetar em cheio outros orçamentos, como o do Sirius. (3º parágrafo)
II. Além dos agentes do governo, como explica o diretor do CNPEM, os setores privados também têm demonstrado interesse em investir no Sirius. (4º parágrafo)
III. Como o atual acelerador UVX será substituído pelo Sirius, as novas linhas de luz serão gradualmente montadas ali. (5º parágrafo)
Analise as afirmativas abaixo, com base no texto.
1. Em I, é dado como certo que o orçamento do Sirius sofrerá algum tipo de corte com a medida estabelecida para cumprir a meta econômica.
2. Em I, o vocábulo “como” introduz uma exemplificação.
3. Em II, a locução verbal “têm demonstrado” pode ser substituída por “demonstraram”, sem prejuízo no significado temporal.
4. Em II, o vocábulo “como” introduz uma oração subordinada adverbial conformativa.
5. Em III, o vocábulo “como” introduz oração subordinada adverbial causal.
Assinale a alternativa que indica todas as afirmativas corretas.
Provas
Questão presente nas seguintes provas
Cadernos
Caderno Container