Foram encontradas 60 questões.
A figura abaixo apresenta, de forma esquemática, um gerador síncrono conectado a um sistema de grande porte por meio de um transformador elevador e uma linha de transmissão, em configuração radial.

A potência nominal do gerador é 100 MVA. O eixo do gerador está acoplado a uma turbina hidráulica, que opera entre 10 e 80 MW. A constante de inércia (H) do conjunto turbina-gerador é igual a 4 MW.s/MVA. Considere o ponto A localizado no meio da linha de transmissão e despreze as perdas.
Em relação aos transitórios eletromecânicos que resultam da ocorrência de um curto-circuito no ponto A, assinale a alternativa correta.
Provas
Questão presente nas seguintes provas
Na figura abaixo estão representados, de forma esquemática, os sistemas elétricos de três países A, B e C, com indicação das respectivas potências do parque gerador instalado (em GVA) e frequência nominal de operação (em Hz) de cada sistema.

Deseja-se implantar um novo sistema de transmissão que viabilize as primeiras interligações elétricas entre esses três países (interligações AB, AC e BC).
Analise as afirmativas abaixo relativas às hipóteses de conexão elétrica dos sistemas.
1.A interligação do país B com o país C poderá ser realizada através de um sistema de transmissão em corrente contínua. Nesse caso, a transmissão de energia será somente no sentido de C para B.
2.A interligação entre os países A e B poderá ser realizada através de um sistema de transmissão em corrente alternada ou em corrente contínua. Em ambas as alternativas, será possível transmitir energia nos dois sentidos (de A para B ou de B para A).
3.A interligação entre os países A e B somente poderá ser realizada em corrente alternada. Nesse caso, será possível transmitir energia nos dois sentidos (de A para B ou de B para A).
4.A interligação do país C com os demais países poderá ser realizada através de um sistema de transmissão em corrente contínua. Nesse caso, o país C será sempre exportador de energia para os demais países.
Assinale a alternativa que indica todas as afirmativas corretas.
Provas
Questão presente nas seguintes provas
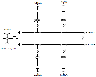
A Figura abaixo representa o diagrama esquemático de um sistema de distribuição subterrâneo, denominado sistema primário seletivo (Anel Aberto), o qual possibilita uma melhor performance no isolamento de defeitos e consequentemente maiores possibilidades de manobras para minimizar problemas de DEC e FEC.

Calcule, respectivamente, o DEC e o FEC para dois defeitos sequenciais, com duração de 2 horas para o reparo no ramal com carga de 6.2 MVA, sabendo que o número de consumidores do ramal são 500 consumidores e do sistema são 3020 consumidores.
Provas
Questão presente nas seguintes provas
Analise o diagrama unifilar da figura abaixo:

Figura Alimentador Simplificado (modelo elétrico) para ajuste da proteção.
Assinale a alternativa que indica a capacidade de interrupção do religador do circuito.
Provas
Questão presente nas seguintes provas
Analise o sistema de potência representado na figura abaixo:

Figura Circuito de distribuição com capacitor de potência
Determine o tipo de compensação desse sistema.
Provas
Questão presente nas seguintes provas
Analise o caso abaixo para responder a questão.
Considere que uma linha aérea de 60 kV, como na Figura 3, implantada numa zona de gelo, utiliza cabos de Al-Aço, cujas características principais são as indicadas na Tabela 2. Admita que as alturas acima do solo dos pontos de amarração dos condutores são sempre inferiores a 60 m. Os Apoios 1 e 3 são de ancoragem e o Apoio 2 é de suspensão.

Figura 5 Suportes de Transmissão

Determine a flecha a 20°C no vão de 120 m.
Provas
Questão presente nas seguintes provas
Analise o caso abaixo para responder a questão.
Considere que uma linha aérea de 60 kV, como na Figura 3, implantada numa zona de gelo, utiliza cabos de Al-Aço, cujas características principais são as indicadas na Tabela 2. Admita que as alturas acima do solo dos pontos de amarração dos condutores são sempre inferiores a 60 m. Os Apoios 1 e 3 são de ancoragem e o Apoio 2 é de suspensão.

Figura 5 Suportes de Transmissão

Determine a flecha mínima do vão de 230 m.
Provas
Questão presente nas seguintes provas
A figura abaixo mostra um diagrama simplificado de um alimentador protegido unicamente por um disjuntor de proteção.

O alimentador entrega energia elétrica a 4 pontos de entrega, nomeados A, B, C e D, através de 4 linhas de distribuição. Cada linha de distribuição possui taxa de falha, relacionada à ocorrência de interrupções permanentes, de 0,2 ocorrências/ano. Demais componentes do sistema são considerados 100% confiáveis. Limites de capacidade podem ser desconsiderados.
Assinale a alternativa correspondente ao valor que mais se aproxima da taxa de falha (em ocorrências/ano) no ponto de entrega B.
Provas
Questão presente nas seguintes provas
Seja um sistema de potência de 3 barras, no qual cada barra está diretamente conectada às demais a partir de uma linha de transmissão. Todas as linhas de transmissão possuem impedância série de !$ j0,20 !$ pu e admitância shunt de !$ j0,02 !$ pu. Considere que uma matriz admitância de barra deve ser construída para a execução de análise de fluxo potência.
Assinale a alternativa que apresenta a matriz admitância de barra do sistema.
Provas
Questão presente nas seguintes provas
A figura abaixo mostra um sistema composto de um gerador alimentando uma carga a partir de 4 linhas de transmissão.

O planejamento do sistema deve ter em conta a probabilidade de falha de entrega de energia à carga. A probabilidade de falha de cada linha de transmissão é de 10%. Os demais elementos do sistema são considerados 100% confiáveis. Limites de capacidade podem ser desconsiderados.
Assinale a alternativa com valor que mais se aproxima da probabilidade de falha no ponto de entrega de energia à carga.
Provas
Questão presente nas seguintes provas
Cadernos
Caderno Container