Foram encontradas 940 questões.
Durante a etapa de construção de uma linha de transmissão, podem ocorrer diversos impactos ao meio ambiente. Alguns dos fatores que provocam esses impactos ambientais são, EXCETO:
Provas
Questão presente nas seguintes provas
O item 4.2.2 – Esquema de Distribuição da ABNT NBR 5410:2004 – Instalações Elétricas de Baixa Tensão explicita que o Esquema de Distribuição pode ser classificado de acordo com o esquema de condutores vivos ou esquema de aterramento.
Um esquema de condutos vivos está indicado em:
Provas
Questão presente nas seguintes provas
No sistema elétrico abaixo,

o sentido do fluxo de potência ativa entre os barramentos está indicado corretamente em:
Provas
Questão presente nas seguintes provas
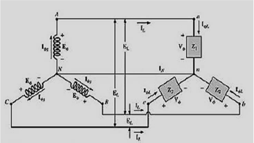
De acordo com a figura abaixo do circuito polifásico, analise as afirmações, identificando-as com V ou F, conforme sejam verdadeiras ou falsas:

( ) A tensão de linha (EL) é igual à tensão de fase (EΦ).
( ) Se as impedâncias da carga forem iguais (Z1 = Z2 = Z3), a corrente IN, condutor neutro, é nula.
( ) A corrente de linha (IL) é √3 maior que a corrente de fase(IΦ).
( ) As tensões entre as fases (EΦ) estão defasadas de 120° na sequência Negativa.
( ) A figura representa um sistema com gerador e carga conectados em Δ (delta).
A sequência CORRETA, de cima para baixo, é:
Provas
Questão presente nas seguintes provas
Analise as afirmativas abaixo sobre as ferramentas da área de conhecimento “Gerenciamento da Qualidade do Projeto”, de acordo com o PMBOK 5ª Edição.
I. Amostragem estatística tem como objetivo analisar todos os indivíduos de uma população para chegar a conclusões sobre toda a população.
II. Análise das solicitações de mudança aprovadas tem como objetivo fazer uma revisão para garantir que todas as mudanças aprovadas foram implementadas.
III. Análise de custo-benefício leva em consideração o menor retrabalho, a maior produtividade, custos mais baixos, aumento da satisfação das partes interessadas e aumento de lucratividade.
Está CORRETO apenas o que se afirma em:
Provas
Questão presente nas seguintes provas
O circuito abaixo funciona com um filtro. Quando a frequência do sinal de entrada é variada desde zero até um valor infinitamente elevado, podemos afirmar que a defasagem da tensão de saída vO(t) em relação à tensão de entrada vI(t) varia entre:

Provas
Questão presente nas seguintes provas
- Gestão de ServiçosITILITIL v3Gestão de Incidentes (ITILv3)
- Gestão de ServiçosITILITIL v3Gestão de Problemas (ITILv3)
Analise as seguintes afirmativas sobre conceitos do estágio de operação de serviço da ITIL V3 2011:
I – Uma interrupção planejada de um serviço de TI é definida como um incidente.
II – Um problema cuja causa raiz e solução de contorno já foram documentadas pode ser definido como um erro conhecido.
III – Uma mudança de estado que possui significado para o gerenciamento de um item de configuração ou serviço de TI pode ser definida como um evento.
Estão CORRETAS as afirmativas:
Provas
Questão presente nas seguintes provas
Um balão de ar quente (gás ideal) (com formato de esfera de 50 pés de diâmetro) deve levantar um cesto com carga de 600 lbf. Até que temperatura o ar deve ser aquecido de modo a possibilitar a decolagem? Considere gás ideal e pressão atmosférica agindo em todos os lados do balão.
Dados: massa específica = 0,00238slug/ft3 ; ar na condição padrão.
Provas
Questão presente nas seguintes provas
Ensaios de compactação são de extrema importância para avaliar a umidade ótima e a densidade máxima esperada em campo. Com relação a estes ensaios, NÃO está correto o que se afirma em:
Provas
Questão presente nas seguintes provas
Os estudos de rejeição de carga têm como objetivo:
Provas
Questão presente nas seguintes provas
Cadernos
Caderno Container