Foram encontradas 940 questões.
Há marcas que vivem da inclusão, e outras que vivem da exclusão
Contardo Calligaris
Meu telefone, um iPhone 6, estava cada vez mais lento. Não era por nenhuma das causas apontadas nas inúmeras salas de conversa entre usuários de iPhones vagarosos.
Era mesmo o processador que estava se tornando exasperadamente lento, ao ponto em que havia um intervalo sensível de tempo entre digitar e a letra aparecer na tela.
Deixei para resolver quando chegasse a Nova York, onde, aliás, a coisa piorou: era suficiente eu tirar o celular do bolso ou deixá-lo num bolso externo (que não estivesse em contato com o calor do corpo) para que a carga da bateria baixasse, de repente, de 60% a zero.
Pensei que três anos é mesmo o tempo de vida útil para uma bateria. E lá fui à loja da Apple na Broadway.
Esperei duas horas para enfim ter acesso a alguém que me explicou que testaria minha bateria. Depois de contemplarmos os gráficos lindos e coloridos deixados no tablet pelo meu telefone, anunciou que minha bateria ainda não justificava uma troca – no tom pernóstico de um plantonista que sabe que não tem leitos disponíveis e manda você para casa com aquela dor no peito e a "certeza" de que "você não está enfartando, deve ser só digestão".
O mesmo jovem propôs uma reinstalação do sistema operacional, – que é uma trivialidade, mas foi anunciada como se fosse um cateterismo das coronárias.
Passei a noite me recuperando, ou seja, reinstalando aplicativos. Resultado: telefone lento como antes.
Voltei para a Apple (loja da Quinta Avenida), onde descobri que, como na história do hospital sem leitos, de fato, a Apple não dispunha mais de baterias para substituir a minha: muitos usuários estavam com o mesmo problema. Por coincidência, tudo conjurava para que eu comprasse um telefone novo.
Nos EUA, a Apple está sendo processada (15 casos coletivos, em diferentes Estados) por piorar propositalmente a experiência dos usuários de iPhone sem lhes oferecer alternativas –salvo, obviamente, a de adquirir um telefone novo.
A companhia pediu desculpas públicas, mas a humildade não é o forte do treinamento Apple. Basta se lembrar que o atendimento pós-venda da companhia se chama (o ridículo não mata ninguém) "genius bar", o balcão dos gênios.
Já pensou: você poderia ligar para seu serviço de TV a cabo porque a recepção está péssima e alguém diria: "Sim, senhor, pode marcar consulta com o balcão dos gênios".
A maioria dos usuários não acham isso cômico e despropositado. Por que será?
Há marcas que vivem de seu poder de inclusão, do tipo "nós fabricamos o carro que todos podem dirigir". E há marcas que vivem de seu poder de exclusão: tipo, será que você merece o que estou vendendo?
Você já entrou alguma vez numa loja cara onde os vendedores, envaidecidos pela aura do próprio produto que vendem, olham para você com desprezo, como se você não fosse um consumidor à altura da loja?
É uma estratégia básica de marketing: primeiro, espera-se que você inveje (e portanto deseje) o mundo do qual se sente excluído.
Você perguntará: de que adianta, se não poderei adquirir os produtos da marca? Em geral, nesses casos o projeto é vender os acessórios da casa. Pouquíssimos comprarão o casaco de R$ 15 mil, mas milhares comprarão um lencinho (com monograma) para se sentirem, assim, membros do clube.
A Apple mantém sua presença no mercado pela ideia de sua superioridade tecnológica - e pelo design elegante, claro.
Seriamente, alguém que usa processador de texto não deveria escolher um computador em que não dá para apagar letras da esquerda para a direita. Mas é como os carros ingleses dos anos 1950: havia a glória de viver perigosamente e dirigir sem suspensões posteriores independentes (sem capotar a cada curva).
Pouco importam as críticas. A Apple conseguiu convencer seus usuários de que eles mesmos, por serem usuários, fazem parte de uma arrojada elite tecnológica. Numa loja da Apple, todos, os usuários e os "gênios" vestem (real ou metaforicamente) a camiseta da marca.
Quer saber o que aconteceu com meu iPhone? Está ótimo. Fui ao Device Shop, em Times Square, no mesmo prédio do Hard Rock Cafe: atendimento imediato, troca de bateria em dez minutos, conversa agradável. Não havia gênios, só pessoas competentes. E custou menos de dois terços do que pagaria na Apple.
Disponível em: https://www1.folha.uol.com.br/colunas/contardocalligaris/2018/01/1949427-ha-
marcas-que-vivem-da-inclusao-e-outras-que-vivem-da-exclusao.shtml Acesso em 20 mar. 2018
Os referentes dos termos destacados estão corretamente identificados entre parênteses, EXCETO em:
Provas
Questão presente nas seguintes provas
A ocupação de um terreno pode romper o padrão de drenagem existente e criar fluxos de água adicionais de áreas de cobertura construídas e superfícies pavimentadas. A drenagem do local é necessária para evitar a erosão e a retenção de excesso de água superficial ou água subterrânea resultantes da nova construção. A drenagem de superfície se refere ao tratamento das superfícies de um local e seus caimentos para desviar a chuva e outra água superficial para padrões de drenagem natural ou um sistema de drenagem pluvial municipal.
(CHING, Francis D. K. Técnicas de Construção Ilustradas. p. 1.21)
Em relação à drenagem de superfícies, é CORRETO afirmar:
Provas
Questão presente nas seguintes provas
“O método racional para a estimativa do pico de cheia resume-se fundamentalmente no emprego da chamada “fórmula racional”,
!$ \mathsf{Q}=\large{Ci_{m}A\over3,6}, !$
Sendo:
Q = pico de vazão em m3/s ;
Q = pico de vazão em m3/s ;
im = intensidade média da precipitação sobre toda a área drenada, de duração igual ao tempo de concentração, em mm/hora;
A = área drenada em km2;
C = coeficiente de deflúvio, definido como a relação entre o pico de vazão por unidade de área e a intensidade média de chuva im.
Embora a denominação de racional dê uma impressão de segurança, a fórmula deve ser manejada com extrema cautela, pois envolve diversas simplificações e coeficientes cuja compreensão e avaliação têm muito de subjetivo.
A expressão Q=CimA traduz a concepção básica de que a máxima vazão, provocada por uma chuva de intensidade uniforme, ocorre quando todas as partes da bacia passam a contribuir para a seção de drenagem. O tempo necessário para que isso aconteça, medido a partir do início da chuva, é o que se denomina de tempo de concentração da bacia.
Neste raciocínio ignora-se a complexidade real do processamento de deflúvio, não se considerando, em especial, o armazenamento de água na bacia e as variações da intensidade e do coeficiente de deflúvio durante o transcorrer do período de precipitação.
A imprecisão no emprego do método será tanto mais significativa quanto maior for a área da bacia, porque as hipóteses anteriores tornam se cada vez mais improváveis. Segundo Linsley e Franzini, não deveria ser usado, a rigor, para áreas acima de 5 km2
. Entretanto a simplicidade de sua aplicação e a facilidade do conhecimento e controle dos fatores a serem considerados tornam-na de uso bastante difundido no estudo das cheias em pequenas bacias hidrográficas.”
Hidrologia básica [por] Nelson L. de Sousa Pinto [e outros]
São Paulo, Edgard Blücher; Rio de Janeiro, Fundação Nacional de Material Escolar, 1976.
Posto o supracitado, um engenheiro especialista no assunto encontrou no arquivo técnico da empresa em que trabalha o seguinte hidrograma com a seguinte informação:

De posse desses resultados, tendo sido os mesmos garantidamente obtidos sem qualquer erro de contas, esse engenheiro efetuou alguns cálculos e concluiu corretamente o seguinte:
Provas
Questão presente nas seguintes provas
A figura a seguir representa a implantação de um pequeno acesso local em uma região de baixa pluviosidade.

Considerando que as setas indicam a direção de escoamento e a linha tracejada representa a implantação de um sistema de drenagem no pé do aterro (saia), para evitar a implantação da canaleta de drenagem no trecho destacado, é INCORRETO:
Provas
Questão presente nas seguintes provas
Um projeto básico de proteção deve considerar propriedades fundamentais para um bom desempenho. Dentre elas podemos destacar a seletividade:
Provas
Questão presente nas seguintes provas
Considere o eixo a seguir:

Dados:
• Vc para canal: 60 m/min e f 0,05 mm
• Vc para torneamento: 80 m/min e f 0,10 mm
• Vc para rosca: 40 m/ min e f 0,08 mm
• Vc para recartilhamento: 20 m min e f 0,12 mm
• Vc velocidade de corte; f avanço
• Vc para canal: 60 m/min e f 0,05 mm
• Vc para torneamento: 80 m/min e f 0,10 mm
• Vc para rosca: 40 m/ min e f 0,08 mm
• Vc para recartilhamento: 20 m min e f 0,12 mm
• Vc velocidade de corte; f avanço
Com base nos diâmetros nominais, as rotações mínimas e máximas para a operação de torneamento do eixo acima são, aproximadamente:
Provas
Questão presente nas seguintes provas
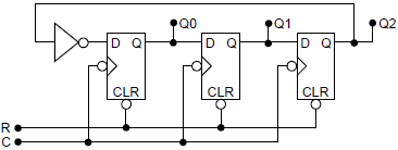
No circuito abaixo, o sinal de entrada R fica em nível lógico ‘0’ por 10 ms após a energização do circuito, permanecendo após esse tempo em nível lógico ‘1’. O sinal de entrada C, inicialmente em nível lógico ‘0’, troca de valor a cada 50 ms. Decorridos 480 ms após a energização do circuito, o estado lógico do conjunto das saídas Q2, Q1 e Q0, nessa ordem, é:

Provas
Questão presente nas seguintes provas
Na faixa de comportamento rúptil e em condições de pressão confinante (σ2 = σ3), o fraturamento de materiais rochosos depende da tensão diferencial Dσ = σ1 - σ3; por certo, a magnitude da tensão diferencial necessária para promover ruptura é diretamente proporcional à pressão confinante. Em qualquer dos casos, é possível delimitar um envelope de cisalhamento no diagrama de Mohr para separar faixas de comportamento estável ou instável; aproximações lineares do envelope de cisalhamento, como expressas pelo critério de fraturamento de Coulomb, são descritas pela equação
|σS| = c + μσn,
μ = tan φ
μ = tan φ
na qual σS é o valor da tensão crítica de cisalhamento, enquanto μ e c são elementos descritivos das propriedades mecânicas dos materiais. Por esse princípio, num estado de tensões em que (σS, σn) satisfazem a equação, desenvolve-se uma fratura no material; os três estados representados abaixo correspondem a situações de aplicação de tensões para as quais há a) estabilidade, limite crítico e instabilidade do material:

http://webpages.uidaho.edu/~simkat/course_materials/geol542/geol542_supplementary.html
Fazem-se as seguintes afirmações:
I. A pressão necessária para promover deformação plástica em rochas é inversamente proporcional à temperatura, o que se representa, num diagrama de Mohr, através da redução do diâmetro de um círculo de tensão diferencial Dσ.
II. Fases sucessivas de aplicação de carga levam a comprometimento da estabilidade do material rochoso apenas quando Dσ aumenta e se aproxima do limite crítico, ou seja, quando o maciço acumula deformação plástica permanente.
III. O diagrama de Mohr pode ser usado para representar situações em que há um estado triaxial de tensões, i.e., σ1 > σ2 > σ3; nesses casos, entretanto, as constantes c e μ não se alteram, pois não fazem referência alguma às tensões que se instalam no maciço.
Assinale a alternativa CORRETA.
Provas
Questão presente nas seguintes provas
Um tubo com líquido, conforme figura abaixo, pede-se encontrar uma expressão geral para !$ \Delta h !$ como função do diâmetro do tubo D, desconsiderando medidas feitas e o volume no meio do menisco.
Calcule, também, o Dmin para o mercúrio no qual !$ \Delta h = –1mm( depressão ) !$.
| Líquido |
Tensão Superficial,
!$ \sigma~\large({mN\over m}) !$
|
Ângulo de contato, !$ \theta !$ ( graus) |
| Água | 72,8 | |
| Etanol | 22,3 | |
| Mercúrio | 484 | 140 |
| Querosene | 26,8 |

Dados: cos(140) = - 0,766; ρ = 13,55 g/cm3 ; g = 9,8m/s2
Provas
Questão presente nas seguintes provas
INSTRUÇÃO: Considere o script a seguir, em linguagem SQL, para responder à questão.

Escolha a sentença SQL que melhor responda à consulta “Listar o nome do CLIENTE, o número da INSTALACAO e a média do CONSUMO de cada INSTALACAO do CLIENTE”:
Provas
Questão presente nas seguintes provas
Cadernos
Caderno Container