Foram encontradas 940 questões.
Os aditivos utilizados em óleos e graxas de lubrificação têm o objetivo de
Provas
Questão presente nas seguintes provas
A forma da curva de distribuição granulométrica pode auxiliar muito o engenheiro na expectativa de comportamento do material. NÃO está correto o que se afirma em:
Provas
Questão presente nas seguintes provas
INSTRUÇÃO: As informações seguintes fazem referência contextual à questão.
A UHE de Três Marias está localizada em região marcada pela predominância dos pedotipos CXbd - cambissolo háplico Tb distrófico, LVAd - latossolo vermelho-amarelo distrófico, LVd - latossolo vermelho distrófico, PVAd - argissolo vermelho-amarelo distrófico e RLd - neossolo litólico distrófico, os quais são lançados sobre sequências marcadamente carbonáticas do Grupo Bambuí (NeoproterozOico).
O lago da UHE Três Marias tem, obviamente, vazões afluente e defluente distintas (CEMIG 2018) em função de diversos fatores naturais e antrópicos. Esses regimes são apresentados, nos gráficos abaixo, para o período compreendido entre agosto/2017 e dezembro/2017.
Atente-se para as diferentes escalas no eixo das ordenadas.

Fonte dos dados:
http://www.cemig.com.br/pt-br/a_cemig/nossos_negocios/usinas/Paginas/Tr%C3%AAs_Marias_dados.aspx
http://www.cemig.com.br/pt-br/a_cemig/nossos_negocios/usinas/Paginas/Tr%C3%AAs_Marias_dados.aspx
Fazem-se as seguintes afirmações:
I. A curva que se refere à vazão afluente corresponde, possivelmente, a um padrão associado à concentração de chuvas nas bacias de captação superficial dos rios que deságuam no reservatório; a de vazão defluente, por sua vez, mostra um padrão artificialmente truncado.
II. Em face do isolamento dos regimes pluviométricos de montante e de jusante pela UHE Três Marias, alterações substanciais nos volumes afluentes não terão impacto perceptível nos volumes defluentes, o que garante a estabilidade da oferta hídrica a jusante da UHE em longo prazo.
III. A UHE de Três Marias impõe sensível alteração no caudal do rio São Francisco, na medida em que o aumento de volume associado à vazão afluente, i.e., a montante da UHE, é normalizado a jusante da mesma; o controle do nível a jusante passa a ser, portanto, exclusivamente antrópico.
Está CORRETO apenas o que se afirma em:
Provas
Questão presente nas seguintes provas
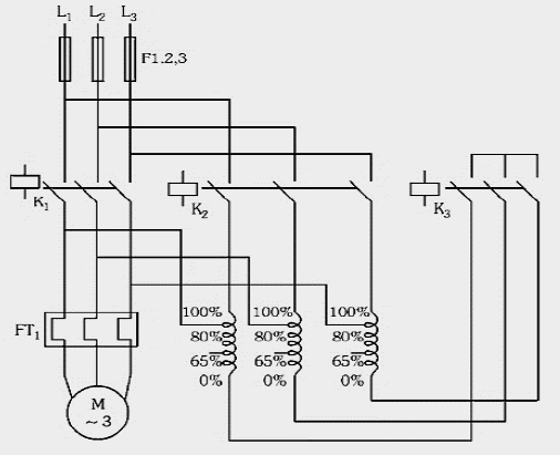
A figura abaixo mostra o diagrama de comando de uma chave compensadora aplicada à partida de um motor de In (220 V) = 80 A e relação Ip/In = 8.
Para um comando em 220 V e TAP do autotransformador de compensação ajustado em 50%, os ajustes mínimos recomendados para os contatores K1, K2 e K3 do circuito de comando de partida são, respectivamente:
Provas
Questão presente nas seguintes provas
De acordo com o que estabelece o art. 6º da Lei 8.666/93, correlacione a primeira com a segunda coluna, numerando os parênteses:
| (1) Obra | ( ) Toda aquisição remunerada de bens para fornecimento de uma só vez ou parceladamente. |
| (2) Compra | ( ) Toda transferência de domínio de bens a terceiros. |
| (3) Alienação | ( ) A que é feita pelos órgãos e entidades da Administração, pelos próprios meios. |
| (4) Seguro-Garantia | ( ) O que garante o fiel cumprimento das obrigações assumidas por empresas em licitações e contratos. |
| (5) Execução direta | ( ) Toda construção, reforma, fabricação, recuperação ou ampliação, realizada por execução direta ou indireta. |
A sequência CORRETA, de cima para baixo, é:
Provas
Questão presente nas seguintes provas
Um tubo de pitot é inserido em um escoamento de ar (na condição–padrão) para medir a velocidade do escoamento. O tubo é inserido apontando para montante dentro do escoamento, de modo que a pressão captada pela sonda é a pressão de estagnação. A pressão estática é medida no mesmo local do escoamento com uma tomada de pressão na parede. Se a diferença de pressão é de 30mm de mercúrio, determine a velocidade de escoamento. Admita que o escoamento em regime permanente, escoamento incompressível e desaceleração sem atrito.
Dados:
= 1000kg / m3 ; g = 9,81m / s ; gravidade específica do mercúrio = 13,6; ρar = 1,23kg / m3
= 1000kg / m3 ; g = 9,81m / s ; gravidade específica do mercúrio = 13,6; ρar = 1,23kg / m3
Provas
Questão presente nas seguintes provas
Uma indústria possui um consumo energético no horário de pico de 200 kVA com fator de potência 0,9 atrasado. A potência (kVAR) do banco de capacitores a ser instalado, tal que o fator de potência seja elevado a 0,92 atrasado, é:
| Ângulo (º) | Seno | Cosseno | Tangente |
| 26 | 0,44 | 0,90 | 0,48 |
| 23 | 0,39 | 0,92 | 0,43 |
Provas
Questão presente nas seguintes provas
1635979
Ano: 2018
Disciplina: Segurança e Saúde no Trabalho (SST)
Banca: FUMARC
Orgão: CEMIG
Disciplina: Segurança e Saúde no Trabalho (SST)
Banca: FUMARC
Orgão: CEMIG
Provas:
Segundo a NR 17, os assentos utilizados nos postos de trabalho devem ter as seguintes características, EXCETO:
Provas
Questão presente nas seguintes provas
READ THE FOLLOWING TEXT AND CHOOSE THE OPTION WHICH BEST COMPLETES EACH QUESTION ACCORDING TO IT:
Technology has created more jobs than it has destroyed
The battle between men and machines goes back centuries. Are they taking our jobs? Or are they easing our workload? A study by economists at the consultancy Deloitte seeks to shed new light on the relationship between jobs and the rise of technology by searching through census data for England and Wales going back to 1871.
Their conclusion is that, rather than destroying jobs, technology has been a “great job-creating machine”. Findings by Deloitte such as rise in bar staff since the 1950s or a surge in the number of hairdressers this century suggest to the authors that technology has increased spending power, therefore creating new demand and new jobs. Their study argues that the debate has been twisted towards the job-destroying effects of technological change, which are more easily observed than its creative aspects.
Going back over past figures paints a more balanced picture, say authors Ian Stewart and Alex Cole. “The dominant trend is of contracting employment in agriculture and manufacturing being more than balanced by rapid growth in the caring, creative, technology and business services sectors,” they write. “Machines will take on more repetitive and laborious tasks, but they seem no closer to eliminating the need for human labor than at any time in the last 150 years.”
According to the study, hard, dangerous and dull jobs have declined. In some sectors, technology has quite clearly cost jobs, but they question whether they are really jobs we would want to hold on to. Technology directly substitutes human muscle power and, in so doing, raises productivity and shrinks employment. “In the UK the first sector to feel this effect on any scale was agriculture,” says the study.
The study also found out that ‘caring’ jobs have increased. The report cites a “profound shift”, with labor switching from its historic role, as a source of raw power, to the care, education and provision of services to others.
Technological progress has cut the prices of essentials, such as food, and the price of bigger household items such as TVs and kitchen appliances, notes Stewart. That leaves more money to spend on leisure, and creates new demand and new jobs, which may explain the big rise in bar staff, he adds. “Despite the decline in the traditional pub, census data shows that the number of people employed in bars rose fourfold between 1951 and 2011,” the report says.
The Deloitte economists believe that rising incomes have allowed consumers to spend more on personal services, such as grooming. That in turn has driven employment of hairdressers. So, while in 1871 there was one hairdresser or barber for every 1,793 citizens of England and Wales; today there is one for every 287 people.
(Adapted from: https://goo.gl/7V5vuw. Access: 02/02/2018.)
By reading this text we can conclude that
Provas
Questão presente nas seguintes provas
De acordo com o item 3.4 – Linhas Elétricas, da ABNT NBR 5410:2004, “Ponto de conexão do sistema elétrico da empresa distribuidora de eletricidade com a instalação elétrica da(s) unidade(s) consumidora(s) e que delimita as responsabilidades da distribuidora, definidas pela autoridade reguladora”.
Essa definição corresponde ao
Provas
Questão presente nas seguintes provas
Cadernos
Caderno Container