Foram encontradas 940 questões.
Considere o circuito abaixo constituído por 4 subestações interligadas por 3 linhas de transmissão, sendo Z3 menor que Z2. As linhas são protegidas por relés de distância.

Os ajustes recomendados para as 3 zonas de alcance da proteção de distância instalada no disjuntor 1 são:
Provas
Questão presente nas seguintes provas
Há marcas que vivem da inclusão, e outras que vivem da exclusão
Contardo Calligaris
Meu telefone, um iPhone 6, estava cada vez mais lento. Não era por nenhuma das causas apontadas nas inúmeras salas de conversa entre usuários de iPhones vagarosos.
Era mesmo o processador que estava se tornando exasperadamente lento, ao ponto em que havia um intervalo sensível de tempo entre digitar e a letra aparecer na tela.
Deixei para resolver quando chegasse a Nova York, onde, aliás, a coisa piorou: era suficiente eu tirar o celular do bolso ou deixá-lo num bolso externo (que não estivesse em contato com o calor do corpo) para que a carga da bateria baixasse, de repente, de 60% a zero.
Pensei que três anos é mesmo o tempo de vida útil para uma bateria. E lá fui à loja da Apple na Broadway.
Esperei duas horas para enfim ter acesso a alguém que me explicou que testaria minha bateria. Depois de contemplarmos os gráficos lindos e coloridos deixados no tablet pelo meu telefone, anunciou que minha bateria ainda não justificava uma troca – no tom pernóstico de um plantonista que sabe que não tem leitos disponíveis e manda você para casa com aquela dor no peito e a "certeza" de que "você não está enfartando, deve ser só digestão".
O mesmo jovem propôs uma reinstalação do sistema operacional, – que é uma trivialidade, mas foi anunciada como se fosse um cateterismo das coronárias.
Passei a noite me recuperando, ou seja, reinstalando aplicativos. Resultado: telefone lento como antes.
Voltei para a Apple (loja da Quinta Avenida), onde descobri que, como na história do hospital sem leitos, de fato, a Apple não dispunha mais de baterias para substituir a minha: muitos usuários estavam com o mesmo problema. Por coincidência, tudo conjurava para que eu comprasse um telefone novo.
Nos EUA, a Apple está sendo processada (15 casos coletivos, em diferentes Estados) por piorar propositalmente a experiência dos usuários de iPhone sem lhes oferecer alternativas –salvo, obviamente, a de adquirir um telefone novo.
A companhia pediu desculpas públicas, mas a humildade não é o forte do treinamento Apple. Basta se lembrar que o atendimento pós-venda da companhia se chama (o ridículo não mata ninguém) "genius bar", o balcão dos gênios.
Já pensou: você poderia ligar para seu serviço de TV a cabo porque a recepção está péssima e alguém diria: "Sim, senhor, pode marcar consulta com o balcão dos gênios".
A maioria dos usuários não acham isso cômico e despropositado. Por que será?
Há marcas que vivem de seu poder de inclusão, do tipo "nós fabricamos o carro que todos podem dirigir". E há marcas que vivem de seu poder de exclusão: tipo, será que você merece o que estou vendendo?
Você já entrou alguma vez numa loja cara onde os vendedores, envaidecidos pela aura do próprio produto que vendem, olham para você com desprezo, como se você não fosse um consumidor à altura da loja?
É uma estratégia básica de marketing: primeiro, espera-se que você inveje (e portanto deseje) o mundo do qual se sente excluído.
Você perguntará: de que adianta, se não poderei adquirir os produtos da marca? Em geral, nesses casos o projeto é vender os acessórios da casa. Pouquíssimos comprarão o casaco de R$ 15 mil, mas milhares comprarão um lencinho (com monograma) para se sentirem, assim, membros do clube.
A Apple mantém sua presença no mercado pela ideia de sua superioridade tecnológica - e pelo design elegante, claro.
Seriamente, alguém que usa processador de texto não deveria escolher um computador em que não dá para apagar letras da esquerda para a direita. Mas é como os carros ingleses dos anos 1950: havia a glória de viver perigosamente e dirigir sem suspensões posteriores independentes (sem capotar a cada curva).
Pouco importam as críticas. A Apple conseguiu convencer seus usuários de que eles mesmos, por serem usuários, fazem parte de uma arrojada elite tecnológica. Numa loja da Apple, todos, os usuários e os "gênios" vestem (real ou metaforicamente) a camiseta da marca.
Quer saber o que aconteceu com meu iPhone? Está ótimo. Fui ao Device Shop, em Times Square, no mesmo prédio do Hard Rock Cafe: atendimento imediato, troca de bateria em dez minutos, conversa agradável. Não havia gênios, só pessoas competentes. E custou menos de dois terços do que pagaria na Apple.
Disponível em: https://www1.folha.uol.com.br/colunas/contardocalligaris/2018/01/1949427-ha-
marcas-que-vivem-da-inclusao-e-outras-que-vivem-da-exclusao.shtml Acesso em 20 mar. 2018
Em: “E há marcas que vivem de seu poder de exclusão: tipo, será que você merece o que estou vendendo?”, o é:
Provas
Questão presente nas seguintes provas
Considerando variações iguais das temperaturas de fornecimento de calor ao ciclo (TH) e de dissipação de calor do ciclo (TC), qual é a melhor escolha em termos de eficiência para um ciclo de potência reversível?
Provas
Questão presente nas seguintes provas
Uma carga trifásica equilibrada conectada em estrela apresenta os valores, por fase, de 6 ohms de resistência e 8 ohms de reatância indutiva.
Considerando que essa carga é alimentada por tensões de linha de 220 volts, o módulo das correntes de linha será:
Provas
Questão presente nas seguintes provas
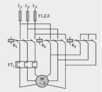
A figura abaixo apresenta um diagrama de força para partida de um motor trifásico.
A respeito desse esquema, pode-se afirmar, EXCETO:
Provas
Questão presente nas seguintes provas
Para um gerador trifásico senoidal balanceado ligado em estrela, alimentando uma carga puramente resistiva, a defasagem angular entre as fases, em radianos, será de
Provas
Questão presente nas seguintes provas
O Tempo de Retorno de uma determinada vazão é o intervalo médio de tempo, em anos, que decorre entre duas ocorrências subsequentes de uma vazão maior ou igual àquela determinada e expresso pelo inverso da probabilidade de ocorrência (TR = 1/P). Considerando este conceito, os valores usuais para os tempos de recorrência utilizados nos cálculos de grandes barragens (vertedor) e pequenas barragens são, respectivamente:
Provas
Questão presente nas seguintes provas
O diagrama unifilar da figura abaixo apresenta um transformador de distribuição protegido por um relé de sobrecorrente eletromecânico na Alta Tensão. O relé está conectado ao secundário de um transformador de corrente de relação 200-5 A.

Considerando uma sobrecarga admissível de 30% para o transformador, o valor mínimo da corrente de operação (TAPE) a ser ajustado no relé de proteção, de modo a evitar um desligamento do transformador por sobrecarga, será:
(Considere os seguintes ajustes possíveis para o TAPE do relé: 2 A / 3 A / 4 A / 5 A / 6 A)
Provas
Questão presente nas seguintes provas
Sabendo que a conta de luz da instalação registrou um consumo mensal de energia elétrica de 128.600 kWh, calcule o fator de carga mensal da instalação:

Está CORRETO o que se afirma em:
Provas
Questão presente nas seguintes provas
“A variabilidade temporal das chuvas resulta na variabilidade da vazão nos rios. Em consequência, surgem situações de déficit hídrico natural, quando a vazão do curso d’água é inferior à necessária para o atendimento de determinados usos, ou situações onde o excesso de vazão produz enchentes e inundações.
Para reduzir a variabilidade temporal da vazão recorre-se à sua regularização por meio da construção do reservatório de acumulação de água. Para compensar as deficiências hídricas dos períodos de estiagem, o reservatório acumula parte das águas nos períodos chuvosos, exercendo, assim, um efeito regularizador das vazões naturais. A técnica de regularização das vazões naturais é, neste caso, um procedimento que visa a melhor utilização dos recursos hídricos superficiais. De outro modo, nos períodos chuvosos, o reservatório poderá produzir o amortecimento das ondas de cheia, proporcionando uma proteção para as áreas situadas a jusante do barramento.”
Elementos de Hidrologia Aplicada. / Prof. Antenor Rodrigues Barbosa Júnior. –
Ouro Preto: UFOP, 2007.
Ouro Preto: UFOP, 2007.
Posto isso, uma proposta de implantação de um reservatório prevê o atendimento a uma demanda hídrica equivalente a um consumo médio mensal de 2,88 hm3.
A área de drenagem de toda a bacia hidrográfica que drena rumo a esse reservatório, incluindo o lago, é de 50 km2.
Tal bacia se localiza em uma região cujo regime pluviométrico apresenta as seguintes médias mensais de chuva:
| ----- | jan | fev | mar | abr | maio | jun | jul | ago | set | out | nov | dez |
|
Altura de chuva média mensal (mm) |
300 | 200 | 200 | 100 | 50 | 50 | 50 | 50 | 50 | 200 | 200 | 300 |
Com base nessas informações e considerando que todas as abstrações hidrológicas possam ser sintetizadas em um coeficiente de 20% da chuva total (ou seja, run off de 80%), conclui-se que o volume útil do reservatório para atender à demanda média mensal de água supracitada deve ser de, pelo menos,
Provas
Questão presente nas seguintes provas
Cadernos
Caderno Container