Foram encontradas 940 questões.
Os limites de consistência são muito importantes para avaliar o comportamento dos solos finos. NÃO está correto o que se afirma em:
Provas
Questão presente nas seguintes provas
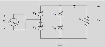
De acordo com a figura do circuito a seguir e considerando que a fonte de alimentação seja de 15 V (eficazes), os tiristores são ideais com ângulo de condução de 30° e a carga tem resistência de 10 Ω, determine a corrente de pico na carga.

A corrente está indicada corretamente em:
Provas
Questão presente nas seguintes provas
Um compósito deve ser reforçado com fibras contínuas e orientadas. Os módulos de elasticidade nas direções longitudinal e transversal são de 19,7 e 3,66 GPa, respectivamente. Se a fração volumétrica das fibras é de 0,25, determine os módulos de elasticidade das fases fibra (Ef ) e matriz ( Em ).
Os módulos são:
Provas
Questão presente nas seguintes provas
Analise as afirmativas a respeito de Subestações.
I. As subestações podem ser abrigadas ao tempo. Quanto à sua posição em relação ao solo, podem ser instaladas na superfície, abaixo da superfície do solo ou acima da superfície do solo.
II. As subestações podem ou não ser parte integrante de outras edificações.
III. As subestações devem ter características de construção definitiva, ser de materiais incombustíveis e de estabilidade adequada.
Pela Norma Regulamentadora 14039 (ABNT), é CORRETO o que se afirma em:
Provas
Questão presente nas seguintes provas
Os para-raios instalados nas subestações têm como função principal proteger os equipamentos elétricos contra defeitos de curta e longa duração que podem causar danos ao isolamento elétrico desses equipamentos. Esses defeitos são definidos como:
Provas
Questão presente nas seguintes provas
A proteção interna de transformadores de força que deve obrigatoriamente promover o desligamento do equipamento em caso de curto-circuito interno no equipamento é:
Provas
Questão presente nas seguintes provas
Dois geradores síncronos monofásicos são conectados em paralelo, como mostra a figura abaixo. O enrolamento do estator de ambas as máquinas possui uma reatância de 30 Ω e resistência desprezível.

O módulo da corrente (A) circulando entre as duas máquinas é:
Provas
Questão presente nas seguintes provas
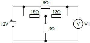
Considerando que a resistência do voltímetro V1 do circuito abaixo é infinita, a tensão medida pelo mesmo é:

Provas
Questão presente nas seguintes provas
A tecnologia de acesso sem fio tem crescido muito nos dias atuais. O IEEE define as especificações para implementações de LAN sem fio na recomendação IEEE 802.11. São categorias de frames (quadros) para redes LAN sem fio estabelecidos pelo padrão IEEE 802.11, EXCETO:
Provas
Questão presente nas seguintes provas
Para solucionar os problemas de tensão baixa para consumidores de um sistema de distribuição de baixa tensão, qual dos recursos abaixo tem uma aplicação limitada pelos riscos de sobretensão para uma parte dos consumidores?
Provas
Questão presente nas seguintes provas
Cadernos
Caderno Container