Foram encontradas 940 questões.
Dado o par da expressão de tensão e corrente a seguir, determine se o dispositivo é um capacitor, um indutor ou um resistor e calcule o valor C, L e R, se houver dados suficientes:
v = 100 cos (377t + 10°)
i = 10 sen (377t + 190°)
i = 10 sen (377t + 190°)

A resposta CORRETA é:
Provas
Questão presente nas seguintes provas
As afirmativas a seguir estão corretas, EXCETO:
Provas
Questão presente nas seguintes provas
READ THE FOLLOWING TEXT AND CHOOSE THE OPTION WHICH BEST COMPLETES EACH QUESTION ACCORDING TO IT:
Technology has created more jobs than it has destroyed
The battle between men and machines goes back centuries. Are they taking our jobs? Or are they easing our workload? A study by economists at the consultancy Deloitte seeks to shed new light on the relationship between jobs and the rise of technology by searching through census data for England and Wales going back to 1871.
Their conclusion is that, rather than destroying jobs, technology has been a “great job-creating machine”. Findings by Deloitte such as rise in bar staff since the 1950s or a surge in the number of hairdressers this century suggest to the authors that technology has increased spending power, therefore creating new demand and new jobs. Their study argues that the debate has been twisted towards the job-destroying effects of technological change, which are more easily observed than its creative aspects.
Going back over past figures paints a more balanced picture, say authors Ian Stewart and Alex Cole. “The dominant trend is of contracting employment in agriculture and manufacturing being more than balanced by rapid growth in the caring, creative, technology and business services sectors,” they write. “Machines will take on more repetitive and laborious tasks, but they seem no closer to eliminating the need for human labor than at any time in the last 150 years.”
According to the study, hard, dangerous and dull jobs have declined. In some sectors, technology has quite clearly cost jobs, but they question whether they are really jobs we would want to hold on to. Technology directly substitutes human muscle power and, in so doing, raises productivity and shrinks employment. “In the UK the first sector to feel this effect on any scale was agriculture,” says the study.
The study also found out that ‘caring’ jobs have increased. The report cites a “profound shift”, with labor switching from its historic role, as a source of raw power, to the care, education and provision of services to others.
Technological progress has cut the prices of essentials, such as food, and the price of bigger household items such as TVs and kitchen appliances, notes Stewart. That leaves more money to spend on leisure, and creates new demand and new jobs, which may explain the big rise in bar staff, he adds. “Despite the decline in the traditional pub, census data shows that the number of people employed in bars rose fourfold between 1951 and 2011,” the report says.
The Deloitte economists believe that rising incomes have allowed consumers to spend more on personal services, such as grooming. That in turn has driven employment of hairdressers. So, while in 1871 there was one hairdresser or barber for every 1,793 citizens of England and Wales; today there is one for every 287 people.
(Adapted from: https://goo.gl/7V5vuw. Access: 02/02/2018.)
The use of the modal verb may in “which may explain the big rise in bar staff” (paragraph 6) indicates that
Provas
Questão presente nas seguintes provas
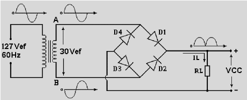
De acordo com o retificador em ponte apresentado na figura, analise as afirmativas identificando-as com V ou F, conforme sejam verdadeiras ou falsas

( ) O retificador em ponte dispensa o uso do transformador com tomada central e, com isto, pode-se ter um retificador de onda completa ligado diretamente à rede elétrica.
( ) Quando o ponto A é negativo, os diodos D1 e D3 conduzem.
( ) Quando o ponto A é positivo em relação ao ponto B, a corrente sai de B passa D2, RL, D3 e chega ao ponto A.
( ) Para qualquer polaridade no ponto A ou no ponto B, a corrente IL circula num único sentido em RL e, por isso, a corrente em RL é contínua.
A sequência CORRETA, de cima para baixo, é:
Provas
Questão presente nas seguintes provas
São equipamentos destinados à proteção de sistemas elétricos, EXCETO:
Provas
Questão presente nas seguintes provas
A respeito dos reguladores de tensão instalados nas subestações de distribuição podemos afirmar, EXCETO:
Provas
Questão presente nas seguintes provas
A respeito da operação em paralelo de geradores síncronos e os requisitos para a colocação da máquina síncrona em paralelo com um sistema elétrico de potência, representado por um barramento infinito, avalie as informações abaixo.
I. A sequência de fases da máquina a ser conectada deve ser a mesma do barramento.
II. A tensão gerada por fase (ou de linha) na máquina síncrona a ser sincronizada deve ser igual à tensão do sistema de potência.
III. Pode-se utilizar um sincronoscópio para encontrar o momento preciso da sincronização da máquina com o sistema elétrico.
IV. A frequência da tensão gerada pela máquina síncrona deve ser igual à frequência do sistema de potência.
Está CORRETO o que se afirma em:
Provas
Questão presente nas seguintes provas
A norma NBR 14039 determina que, quando a subestação de transformação fizer parte integrante da edificação residencial e/ou comercial,
Provas
Questão presente nas seguintes provas
Deseja-se determinar o arrasto sobre um dirigível que se move a 5 m/s no ar. Se um modelo reduzido na escala 1:20 for testado na água, sendo medido um arrasto de 3.000 N, qual será o arrasto no protótipo?
Considere a densidade do ar = 1 kg/m3, a viscosidade do ar = 2 x 10-5 N. s/m2; a densidade da água = 1000 kg/m3, a viscosidade da água = 1 x 10-3 N.s/m2
Provas
Questão presente nas seguintes provas
A qualidade dos estudos de impactos ambiental – EIAs no Brasil foi analisada em um certo número de estudos retrospectivos. Teixeira et al. (1994) revisaram sete dos dez primeiros Relatórios de Impactos ao Meio Ambiente – RIMAs preprados para empreendimentos hidrelétricos no Brasil, entre 1986 e 1988, encontrando inúmeras deficiências importantes (SANCHÉZ, p. 394).
Considerando as deficiências encontradas em estudos de impacto ambiental no Brasil, a alternativa na qual o elemento EIA corresponde à deficiência encontrada é:
Provas
Questão presente nas seguintes provas
Cadernos
Caderno Container