Foram encontradas 50 questões.
Um conversor de energia solar em elétrica deve ser instalado em uma unidade fabril. A seleção do material e da área deve ser feita de modo que o coletor solar absorva pelo menos 5500W. Os dados dos materiais e as áreas estão apresentados na tabela abaixo. Cada material somente pode ser utilizado com a área correspondente da tabela.
|
ABSORVIDADE |
EMISSIVIDADE |
ÁREA [m2] |
|
|
MATERIAL 1 |
0,7 | 0,8 |
1,5 |
|
MATERIAL 2 |
0,6 | 0,7 |
2 |
|
MATERIAL 3 |
0,5 | 0,6 |
2,5 |
|
MATERIAL 4 |
0,4 | 0,5 |
3 |
Considere condições de regime estacionário, que a base do coletor seja perfeitamente isolada e despreze. A temperatura da superfície e do ambiente é 23ºC e a irradiação, 5000W/m2 em todos os casos. O fluxo de líquido de calor para a superfície é dado por:
!$ q''=aG-εσT^4 !$
O valor da constante de Stefan-Boltzman a ser considerado é: 5,67x10-8W/m2.K4
Nessa condição, assinale o material indicado na tabela acima que deve ser selecionado.
Provas
Sobre o software gráfico Autocad Inventor – 3D, assinale a afirmativa CORRETA.
Provas
No planejamento, programação e controle de uma obra de montagens industriais em uma planta de geração de energia elétrica, quando da implantação de um sistema de controle de custos, NÃO faz parte dos procedimentos e informações em que deveremos nos basear direta e em primeira instância:
Provas

Determine o momento de Inércia Ixx da geometria de uma portinhola de válvula de portinhola (mesmo nome), representada acima, relativo ao eixo XX que passa pelo seu centro de gravidade C.G.
Dados – Para um semicírculo: Ycg = (4R)/3!$ π !$;Ixx(cg) = (πR4) / 8 ; !$ π !$ = 3,14. Usar 02 decimais nos cálculos e arredondar o valor final para o inteiro mais próximo.
Todas as medidas em cm.
Assinale a alternativa que fornece o valor CORRETO do momento de inércia Ixx.
Provas
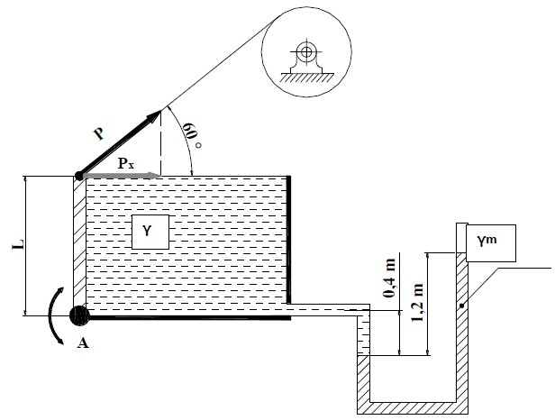
A comporta de uma pequena usina hidroelétrica pode ser movimentada por um cabo de aço, com a força P, em torno da articulação em A. Sendo dados:
γm = 136.000 N/m3; γ = 10.000 N/m3; !$ σ !$r= 60 Kgf/mm2(material do cabo de aço); Ks = 6 (coeficiente de segurança); a comporta é quadrada e de lado L; e sabendose que ela está totalmente fechada e em equilíbrio pela componente horizontal Px da força P,
pede-se determinar o diâmetro D em mm do cabo que a articula.
Considerar 1Kgf = 10 N;!$ π !$= letra grega aproximadamente 3,14.
Nota – Arredondar cada resultado parcial para o inteiro mais próximo e só depois realizar o cálculo subsequente.
O diâmetro D se refere ao diâmetro equivalente à área da matriz metálica do cabo que, para facilitar os cálculos, pode ser considerado uma barra redonda flexível longitudinalmente.

Assinale a alternativa que apresenta o diâmetro D (mm) corretamente.
Provas

Dada a viga estrutural acima, carregada com uma carga distribuída hipotética q(x) que está em balanço, e cuja equação do momento fletor no trecho de comprimento L, que vai desde a sua extremidade livre até o engastamento, é definida por:
M(x) = - 48/3 x3 - 24 x2.
Pede-se determinar:
a) a força cortante V(x) em x = L. V(L) e a reação R, em Kgf;
b) a expressão do carregamento distribuído q(x) no mesmo trecho e o valor q(L) em Kgf/m;
c) o ângulo de rotação !$ θ !$ (em radianos)na extremidade livre com arredondamento e aproximação de três decimais.
Considere que a viga é construída em aço ASTM A-36 com E= 2100 Tf/cm2 e tem secção retangular de 30 X 70mm cujo momento de inércia I(x-x)CG= 8575x10-10m4 e que L = dois metros. E a unidade à qual ela está vinculada à equação M(x) é Kgfm.
Assinale a alternativa que apresenta a resposta CORRETA em relação ao cálculo acima solicitado.
Provas
No projeto e/ou na seleção de queimadores, é fundamental estabelecer ou verificar os seguintes parâmetros, EXCETO
Provas
Uma turbina eólica terá aberturas, em forma de janelas, para alívio de peso, em sua fuselagem.
Essas janelas serão vedadas por um tecido sintético, de materiais para paraquedas e será realizado um ensaio com esse tecido sintético em que um jato de ar incide normalmente sobre uma peça de tecido com 1,00m2 de área, sendo sua velocidade de 120 Km/h e sua pressão de montante muitíssimo baixa. O tecido freia o jato de ar e permite que o mesmo o atravesse escapando do sistema com uma velocidade também muitíssimo baixa.
Calcule a pressão que esse jato exerce sobre a peça de tecido e também o valor da força sobre o mesmo.
Desprezar a formação de vórtices e admitir que o ar seja um fluído incompressível. Expressar os resultados com 02 decimais.
Considerar 1 kgf = 10 N, g = 10m/s2
Dados: ρar= 1,0 Kgf/m3 = 10 N/m3
Assinale a alternativa que apresenta correta e respectivamente os cálculos solicitados acima.
Provas
Calcule os itens seguidos de interrogação no sistema de engrenagens abaixo, onde N é a potência em cv, T é o torque em Kgfmm, n é a rotação em rpm e Z é número de dentes das engrenagens. Arredonde as respostas para o inteiro mais próximo. Use resultados arredondados nos cálculos subsequentes.

Assinale a alternativa que apresenta os cálculos dos itens corretamente.
Provas
Analise as seguintes afirmativas e assinale com V as verdadeiras e com F as falsas.
( ) No programa aplicativo Auto-Cad, temos o comando Hach. Na caixa de diálogo do comando hach, o botão < Pick Point > serve para selecionar uma região de contorno fechado onde o hach será aplicado posteriormente.
( ) Para se alterar o tamanho de elementos e entidades geométricas no Auto-Cad, é disponibilizado o comando SCALE. Tal comando, se usado mais de uma vez consecutivamente sobre um ente geométrico, terá, como resultado do tamanho final de escala desse ente, o somatório dos fatores de escala atribuídos em cada iteração do uso do comando SCALE sobre o tamanho inicial do ente geométrico objeto da mudança de escala.
( ) Para se alterar o tamanho de elementos e entidades geométricas no Auto-Cad, é disponibilizado o comando SCALE. Tal comando, se usado mais de uma vez consecutivamente sobre um ente geométrico, terá, como resultado do tamanho final de escala desse ente, o produtório dos fatores de escala atribuídos em cada iteração do uso do comando SCALE sobre o tamanho inicial do ente geométrico objeto da mudança de escala.
( ) No modo 2D do Auto-Cad, usamos o UCS para selecionarmos em qual plano iremos trabalhar a partir de determinado momento durante o projeto.
( ) No Auto-Cad, UCS é a sigla reservada que significa sistema de coordenadas do usuário.
( ) No Auto-Cad, UCS é a sigla reservada que significa sistema de coordenadas universal.
( ) No Auto-Cad, se quisermos alterar os parâmetros dos elementos de cotagem de um desenho, temos que entrar no comando FORMAT, acessarmos a opção Dimension Style e, clicando no botão Geometry, podemos selecionar a opção de forçarmos que o texto das cotas fique por dentro ou por fora dos limites das setas alinhado com a linha de cota, ou acima da linha de cota e ainda definirmos os parâmetros de tolerâncias da dimensão.
Assinale a alternativa que apresenta a sequência de letras CORRETA.
Provas
Caderno Container