Foram encontradas 50 questões.
Analise as assertivas abaixo, em relação aos fatores que afetam os produtos estocados utilizados na lubrificação.
I. A contaminação pela água prejudica qualquer tipo de lubrificante. Os óleos aditivados (para motores, cilindros ou de extrema pressão) são sensíveis à presença de água, que pode provocar precipitação ou deterioração dos aditivos, e, se utilizados, podem trazer danos para as máquinas e/ou equipamentos.
II. Os extremos de temperatura são fatores que pode ocasionar a deterioração de certos tipos de lubrificantes. Alguns tipos de graxas não devem ser armazenados em locais quentes, pois o calor poderá separar o óleo do sabão inutilizando-as como lubrificantes. Já os óleos solúveis contêm uma determinada percentagem de umidade, necessária para sua estabilidade, quando armazenados em locais quentes ou muito frios, esta umidade pode evaporar-se ou congelar-se, inutilizando o produto.
III. A contaminação pela presença de impurezas (poeira, fiapos, areia, etc.) no lubrificante, poderá causar danos às máquinas e equipamentos, tais como: deterioração do lubrificante, obstrução da tubulação do sistema de lubrificação, grimpamento de válvulas de sistemas hidráulicos e desgaste excessivo devido à presença de materiais abrasivos.
IV. O armazenamento prolongado não ocasiona a deterioração dos lubrificantes. A maioria dos aditivos dos óleos e graxas lubrificantes não danifica quando submetidos a armazenagem muito longa.
Assinale a alternativa CORRETA:
Provas
Os elementos em circuitos de comando elétrico possuem símbolos gráficos específicos. Desse modo, assinale a alternativa que REPRESENTA a descrição da simbologia dos componentes, respectivamente.

Provas
Na metalurgia da soldagem, o resfriamento seguido da solidificação do metal de solda são fatores determinantes na qualidade da junta. A estrutura solidificada pode influenciar na capacidade de transmitir esforços mecânicos e a maior ou menor facilidade de propagar defeitos. A figura a seguir mostra uma estrutura clássica formada a partir de processo de solidificação em lingoteiras.

De acordo com a figura acima, qual o nome da Zona 1, Zona 2 e Zona 3, respectivamente, das diferentes regiões, caracterizadas por particularidades na forma dos grãos metálicos.
Provas
A Associação Brasileira de Normas Técnicas (ABNT) – NBR 12298/1995 estabelece a representação de área de corte através de hachuras em desenho técnico. Analisando a figura abaixo, assinale a alternativa que segundo a ANSI 32, representa o tipo de material recomendado de hachura.

Assinale a alternativa CORRETA:
Provas
Sobre os pilares da Manutenção Produtiva Total (TPM), marque (V) para verdadeiro ou (F) para falso e, em seguida, assinale a alternativa CORRETA.
( ) A Manutenção Autônoma consiste em capacitar os operadores das máquinas e/ou equipamentos para exercer as funções de manutenção. Esse pilar tem por finalidade conscientizar o operador de sua responsabilidade com seu equipamento de trabalho, através das atividades que vão desde limpeza e lubrificação até ajustes e regulagens de máquinas e/ou equipamentos.
( ) O controle Inicial consiste na busca de índice zero de quebras, aumentando a eficiência dos equipamentos. Esse pilar utiliza como referência o planejamento das manutenções preventivas, preditivas feitas de acordo com o cronograma e os custos planejados.
( ) A Melhoria Específica consiste nas ações realizadas para minimizar as quebras e melhorar a eficiência dos equipamentos. Esse pilar inclui todas as atividades que maximizam a eficiência total de equipamentos, processos e plantas através da eliminação intransigente de perdas e melhoria de desempenho.
( ) A Manutenção Planejada consiste na análise detalhadamente dos produtos e equipamentos antes de serem fabricados e colocados em utilização, reduzindo o tempo de introdução aos processos. Esse pilar tem por objetivo gerenciar o desenvolvimento de novos produtos e processos, visando criação de produtos de fácil fabricação e equipamentos de utilização simplificada.
A sequência está CORRETA em:
Provas
Com relação às propriedades mecânicas dos materiais metálicos, analise o quadro abaixo, associando os itens CORRETAMENTE.
|
Propriedades |
Características |
|
1- Resistência Mecânica |
A- 'A propriedade mecânica que mede a resistência de um material a uma deformação plástica localizada. |
|
2- Ductilidade |
B- A propriedade mecânica que indica robustez, está relacionada a uma resistência do material a deformação elástica. |
|
3- Dureza |
C- A propriedade mecânica que representa o grau de deformação plástica suportado até a fratura. |
|
4- Rigidez |
D- A propriedade mecânica que permite que o material consiga resistir a ação de determinados tipos de esforços, como a tração e a compressão. |
Assinale a alternativa que representa a sequência CORRETA:
Provas
figura abaixo mostra um sistema de transmissão em que duas polias de Diâmetros D1 e D2 estão ligadas por uma correia (assumir escorregamento desprezível). Sabendo que a polia 1 gira a 30 rpm e tem 100 mm de diâmetro, qual diâmetro deverá ter a polia 2 para desenvolver 40 rpm.

Provas
O processo pode ser representado pelas seguintes etapas: 1. Confecção do modelo; 2. A moldagem em areia; 3. Confecção do molde; 4. Confecção dos machos; 5. Fusão; 6. Vazamento; 7. Canais de distribuição; 8. Massalote; 9. Desmoldagem; 10. Rebarbação. 11. Limpeza. Assinale a alternativa que CORRESPONDE esse processo de Fundição:
Provas
Realize a leitura no paquímetro no sistema inglês.

Assinale a alternativa CORRETA:
Provas
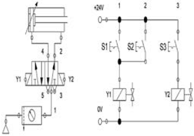
Com relação ao diagrama eletropneumático exposto na figura abaixo, é CORRETO afirmar:

Provas
Caderno Container