Foram encontradas 50 questões.
De acordo com o circuito apresentado na figura a seguir, calcule o valor da tensão no resistor RC. Considere VBE = VEB = 0,7V.

Provas
A figura abaixo mostra um circuito retificador de onda completa com derivação central (tap center). Calcule o valor da corrente na carga (Icc) e assinale a alternativa CORRETA. (Adotar: !$ \pi=3,14 !$; !$ \sqrt 2=1,41 !$).

Provas
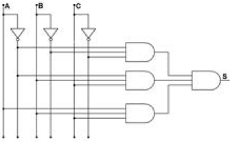
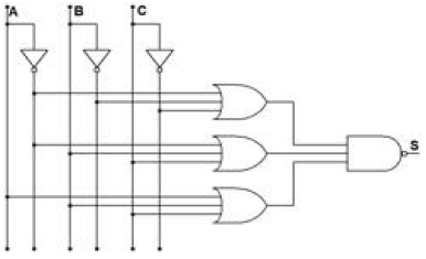
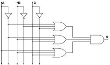
Considerando a tabela da verdade com os sinais lógicos de entrada das variáveis A, B e C abaixo, assinale a alternativa que CORRESPONDE o circuito lógico da saída de S1.

Provas
Considerando o circuito RL paralelo abaixo, determine os valores das correntes no resistor (IR) e no indutor (IL), respectivamente.

Assinale a alternativa CORRETA:
Provas
Os Controladores Lógico Programáveis (CLPs) utilizam a linguagem Ladder ou diagrama Ladder como auxílio gráfico para a programação em CLP, onde as funções lógicas são retratadas através de contatos e bobinas, de maneira similar a um esquema elétrico com os contatos dos transdutores e atuadores. De acordo com a figura abaixo, assinale a alternativa que representa a programação em Ladder.

Provas
Determine a velocidade síncrona (em RPM) de um motor elétrico de indução trifásico, com as seguintes especificações:
Potência: 4 CV.
Número de polo magnético: 6 polos.
Tensão: 380 V.
Frequência: 60 Hz.
Provas
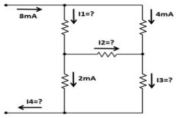
De acordo com a Lei de Kirchhoff das Correntes (LKC), analise o circuito abaixo e determine os valores das correntes I1, I2, I3 e I4, respectivamente.

Assinale a alternativa CORRETA:
Provas
O circuito mostrado na figura abaixo representa uma associação mista de resistores (associação em série e paralelo). Calcule o valor da tensão e da corrente, respectivamente, no Resistor (R2) de 30Ω.

Assinale a alternativa CORRETA:
Provas
Calcule o comprimento útil de um rebite de cabeça redonda com diâmetro de 3,5 mm para rebitar duas chapas, uma de 3 mm de espessura e a outra com 4 mm.
Provas
De acordo com a Lei de Diretrizes e Bases da Educação Nacional (LDB) nº 9.394/96, é CORRETO afirmar que um dos critérios para a verificação do rendimento escolar que tem de se observar é:
Provas
Caderno Container