Foram encontradas 50 questões.
120275
Ano: 2014
Disciplina: Segurança e Saúde no Trabalho (SST)
Banca: BIO-RIO
Orgão: CEPEL
Disciplina: Segurança e Saúde no Trabalho (SST)
Banca: BIO-RIO
Orgão: CEPEL
Provas:
De acordo com a NR 10 (Segurança em Instalações e Serviços de Eletricidade), os estabelecimentos com carga instalada superior a 75kW devem manter e constituir Prontuário de Instalações Elétricas contendo:
Provas
Questão presente nas seguintes provas
120274
Ano: 2014
Disciplina: Segurança e Saúde no Trabalho (SST)
Banca: BIO-RIO
Orgão: CEPEL
Disciplina: Segurança e Saúde no Trabalho (SST)
Banca: BIO-RIO
Orgão: CEPEL
Provas:
- NRsNR 10: Segurança em Instalações e Serviços em Eletricidade
- Saúde e Segurança no Ambiente de TrabalhoRiscos Ocupacionais (Análise e Gerenciamento de Riscos)
ATENÇÃO: A figura abaixo apresenta um ponto energizado (PE) e as zonas de risco (ZR), controlada (ZC) e livre (ZL) e refere-se à próxima questão.

Sobre o acesso às zonas de risco e controlada, leia atentamente asafirmativasabaixo:
I- O acesso à zona controlada é permitido a qualquer profissional.
II- Oacessoàzonaderiscoépermitidoapenasaprofissionais autorizados e, além disso, com adoção de técnicas e instrumentos apropriados de trabalho.
III- O acesso à zona de risco para intervenção no ponto energizado pode ser realizado com os dispositivos de religamentoautomáticodesbloqueados.
Assinale:

Sobre o acesso às zonas de risco e controlada, leia atentamente asafirmativasabaixo:
I- O acesso à zona controlada é permitido a qualquer profissional.
II- Oacessoàzonaderiscoépermitidoapenasaprofissionais autorizados e, além disso, com adoção de técnicas e instrumentos apropriados de trabalho.
III- O acesso à zona de risco para intervenção no ponto energizado pode ser realizado com os dispositivos de religamentoautomáticodesbloqueados.
Assinale:
Provas
Questão presente nas seguintes provas
120273
Ano: 2014
Disciplina: Segurança e Saúde no Trabalho (SST)
Banca: BIO-RIO
Orgão: CEPEL
Disciplina: Segurança e Saúde no Trabalho (SST)
Banca: BIO-RIO
Orgão: CEPEL
Provas:
Sobre os Equipamentos de Proteção Individual (EPIs), uma responsabilidadedoempregadoé:
Provas
Questão presente nas seguintes provas
Observe o desenho abaixo, que ilustra um tipo de levantamento
topográfico:

Se a leitura na mira foi de 1,8m, a altura do instrumento é de 1,5m e tg(α) = 1/3, a diferença de cota entre os pontos A e B vale:

Se a leitura na mira foi de 1,8m, a altura do instrumento é de 1,5m e tg(α) = 1/3, a diferença de cota entre os pontos A e B vale:
Provas
Questão presente nas seguintes provas

Aalternativaqueindicacorretamenteumpossívelvalorparaa cotamédianosegmentoPQé:
Provas
Questão presente nas seguintes provas
A figura a seguir ilustra um nivelamento topográfico, em que o
aparelho foi instalado no ponto O, e as leituras nas miras I e II
estão indicadas.

SeopontoIsesituaemumacotade1346,20m,acotado terrenonopontoIIvale:

SeopontoIsesituaemumacotade1346,20m,acotado terrenonopontoIIvale:
Provas
Questão presente nas seguintes provas
Uma determinada direção tem um azimute de 210º. O rumo dessa direção é
Provas
Questão presente nas seguintes provas
Leia atentamente o texto abaixo:
“(...) a altura do sinal visado é obtida pela visada do fio médio do retículo da luneta do teodolito sobre uma mira colocada verticalmente no ponto cuja diferença de nível em relação à estação do teodolito é objeto de determinação"
ABNT (1994, p.4)
A descrição acima se refere ao serviço topográfico denominado
Provas
Questão presente nas seguintes provas
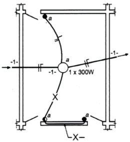
ATENÇÃO: A figura apresenta a planta baixa da instalação
elétrica de um quarto em uma residência unifamiliar e refere-se
à próxima questão..

Afiguraindicaaligaçãodeumalâmpadautilizando:

Afiguraindicaaligaçãodeumalâmpadautilizando:
Provas
Questão presente nas seguintes provas
ATENÇÃO: A figura apresenta a planta baixa da instalação elétrica de um quarto em uma residência unifamiliar e refere-se à próxima questão..

Nos eletrodutos indicados pela letra Xdevemestarpresentes:

Nos eletrodutos indicados pela letra Xdevemestarpresentes:
Provas
Questão presente nas seguintes provas
Cadernos
Caderno Container