Foram encontradas 569 questões.

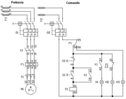
No circuito apresentado, a lâmpada H3 está acesa. O estado do circuito indica que
Provas
Questão presente nas seguintes provas
Texto:
Economia Verde defende modelos de produção mais sustentáveis
É possível conciliar o desenvolvimento econômico com a preservação do planeta? Um dado alarmante, publicado pela ONG norte-americana Global Footprint Network, revelou que o ser humano tem consumido mais do que a capacidade de recomposição da natureza pode suportar. Se o desenvolvimento econômico é baseado no consumo, cria-se, dessa maneira, uma espécie de cheque-mate para o futuro do planeta. Como fazer com que economias mundiais possam crescer e vencer suas crises sem agredir o planeta? A resposta pode estar no termo economia verde.
O relatório “Caminhos para o Desenvolvimento Sustentável e a Erradicação da Pobreza — Síntese para Tomadores de Decisão”, do Programa das Nações Unidas para o Meio Ambiente (PNUMA), define economia verde como aquela que resulta em melhoria do bem-estar da humanidade e promove a igualdade social, ao mesmo tempo em que reduz significativamente riscos ambientais e a escassez ecológica. Ou seja, uma economia verde prevê baixa emissão de carbono e eficiência no uso de recursos naturais, além de ser socialmente inclusiva.
Segundo o relatório do PNUMA, no regime de economia verde, o crescimento de renda e de emprego deve ser impulsionado por investimentos públicos e privados, que priorizem a redução das emissões de carbono e da poluição, aumentando a eficiência energética e o uso de recursos. Dessa maneira, previnem-se perdas de biodiversidade do planeta.
O Programa das Nações Unidas alerta que, para a transição de uma economia marrom, que depende excessivamente da energia proveniente dos combustíveis fósseis, para a verde, que explora os recursos renováveis, são necessárias determinadas condições facilitadoras. Isso inclui regulamentos nacionais, políticas, subsídios e incentivos, mercado internacional e infraestrutura legal e protocolos comerciais e de apoio. Para Luiz Felipe Guanaes, professor da Pontifícia Universidade Católica (PUC-RJ) e diretor do Núcleo Interdisciplinar de Meio Ambiente da PUC (Unima), a conscientização do consumidor ditará as mudanças nos modelos econômicos.
“O mercado não é uma coisa fixa, ele vem se transformando desde o dia em que surgiu e a sua grande força de mudança é o consumidor, com seus impulsos de compra. A partir do momento em que a sociedade se conscientizar sobre o problema do meio ambiente, a tendência será a demanda por produtos ecologicamente corretos. Quanto mais consciente for o consumidor, mais ele exigirá meios de produção responsáveis em termos ambientais. Para isso, é preciso adequar o modo de produção atual”, explica o professor.
Conforme explica Guanaes, a agricultura orgânica é uma alternativa de produção que vem assumindo cada vez mais espaço no incremento da economia verde no Brasil. “Há 25 anos, não havia demanda para esse tipo de produto, sendo que hoje esse mercado movimenta cerca de R$ 5 bilhões. Entretanto, esses produtos ainda sofrem sobretaxa devido à falta de investimento em tecnologia para baratear a produção, ficando mais caros que os tradicionais. Se conseguirmos baratear o preço dos vegetais orgânicos, incluindo também a implementação de cooperativismos mais inteligentes, eles baterão de frente com os tradicionais”, destaca.
No que diz respeito ao aproveitamento de energias renováveis, desde 2004, o Brasil tem investido na criação de parques com aerogeradores (hélices que fazem a captação do vento para geração de energia), que entraram em funcionamento em 2006. Como explica a presidente executiva da Associação Brasileira de Energia Eólica, (Abeeólica), Elbia Melo, o país possui um clima propício para esse tipo de geração de energia, que corresponde a 1%, dos 17% provenientes de fontes alternativas, do total da matriz energética do Brasil. “Nós, brasileiros, começamos a perceber que a nossa produção de energia eólica é muito melhor que nos Estados Unidos e na Europa, por exemplo, pois nossos ventos são melhores, além das condições do clima. Basicamente, empresas brasileiras que investem em produção de energia alternativas optam também pela eólica”, aponta a presidente.
ECONOMIA VERDE...Disponível em: <http://redeglobo.globo.com/globoecologia/noticia/2012/10/economia-
verde-defende-modelos-de-producao-mais-sustentaveis.html>. Acesso em: 16 jan.2013. Adaptado.
Leia as afirmações:
I. Segundo a ONG norte-americana Global Footprint Network, a capacidade do planeta em renovar seus recursos está inviabilizada devido ao consumo exagerado.
II. O relatório PNUMA revela que a economia verde, por si mesma, garante o crescimento de renda e de emprego.
III. As condições climáticas do Brasil favorecem o uso de uma economia verde mais rentável que as dos demais países da Europa e dos Estados Unidos.
Está correto, apenas, o contido em:
Provas
Questão presente nas seguintes provas
Referindo a lubrificantes, marque V para as afirmativas verdadeiras e F, para as falsas.
( ) A graxa promove uma melhor vedação contra a água e as impurezas.
( ) Quando a alimentação do óleo não pode ser feita continuamente em um determinado ponto da máquina, usa-se graxa, pois ela, permanece nos pontos de aplicação.
( ) As graxas promovem maior economia em locais onde os óleos escorrem.
( ) Os óleos não resistem melhor à oxidação comparados as graxas.
( ) Os óleos não dissipam melhor o calor do que as graxas.
A alternativa que indica a sequência correta, de cima para baixo, é a
Provas
Questão presente nas seguintes provas
A locação dos pilares P1 e P2 de uma determinada obra foi realizada pelo processo de coordenadas bipolares, através dos vértices A e B do polígono existente, com base nos dados a seguir:
| Ponto |
Coordenadas
(m)
|
|
| X | Y | |
| P1 | 140,00 | 490,00 |
| P2 | 140,00 | 480,00 |
| Alinhamento | Rumo |
Distância (m) |
| AB | 14°02’10”SE | 41,23 |
| AP1 | 75°57’50”SE | 41,23 |
| BP1 | 45°00’00”NE | 42,43 |
| AP2 | 63°26’06”SE | 44,72 |
| BP2 | 56°18’36”NE | 36,05 |
Os ângulos externos do triângulo ABP2 são
Provas
Questão presente nas seguintes provas
Três amigas, planejando as férias, ligam para uma agência de viagens, fazem algumas perguntas sobre os roteiros e decidem agendar um horário e irem juntas à agência.
Ao chegarem, são atendidas por um agente muito observador e com excelente raciocínio lógico. Ele percebe que uma das amigas tem olhos verdes, outra, olhos azuis e a outra, olhos cor de mel. Na ficha de agendamento de horário constam seus nomes: Poly, Beth e Cathy. Sabe, ainda, que cada uma fará uma viagem para um destino diferente: uma irá ao Hawaii, outra, a Cancun, outra, a Ibiza. O agente de viagens, disposto a identificar quem é cada uma das amigas e qual o destino de férias, pede mais algumas informações sobre as moças e recebe as seguintes respostas:
• a de olhos verdes: “Não vou a Cancun nem a Ibiza”;
• a de olhos azuis: “Meu nome não é Beth nem Cathy”;
• a de olhos cor de mel: “Nem eu nem Beth vamos a Cancun”.
O agente de viagens conclui, então, corretamente, que:
Provas
Questão presente nas seguintes provas
O aparelho estacionário, para transferir energia elétrica de um circuito de corrente alternada para outro, sem alterar a frequência, através de um campo magnético, cuja função é aumentar ou diminuir a tensão, é denominado de
Provas
Questão presente nas seguintes provas
Os dados geográficos são definidos como dado espacial, cuja dimensão espacial está associada à sua localização na superfície da Terra num determinado instante ou período de tempo. Os dados geográficos possuem quatro características fundamentais.
Não faz parte desse conjunto de características:
Provas
Questão presente nas seguintes provas
Durante a construção de um poço tubular em uma bacia sedimentar, o geólogo definiu uma suíte de perfis geofísicos a serem adquiridos antes da completação deste poço. Sobre perfis geofísicos, é correto afirmar:
Provas
Questão presente nas seguintes provas
A Teoria do Desenvolvimento Organizacional (DO) surgiu a partir de 1962, decorrente das ideias de vários autores, a respeito do ser humano, da organização e do ambiente em que estes crescem e se desenvolvem.
Assim, é correto afirmar que o conceito de Desenvolvimento Organizacional está intimamente ligado aos conceitos de
Provas
Questão presente nas seguintes provas
O biogás basicamente é composto de uma mistura de gases contendo, principalmente, metano e dióxido de carbono, encontrando-se, ainda, em menores proporções, gás sulfídrico e nitrogênio. Na prática, a produção de biogás é possível com a utilização de um equipamento denominado biodigestor, que se constitui de uma câmara fechada onde é colocado o material orgânico em solução aquosa. O biodisgestor sofre decomposição, gerando o biogás que irá se acumular na parte superior da referida câmara. A decomposição que o material sofre no interior do biodigestor, com a consequente geração de biogás, chama-se:
Provas
Questão presente nas seguintes provas
Cadernos
Caderno Container