Magna Concursos

Foram encontradas 569 questões.

1398097 Ano: 2012
Disciplina: Sociologia
Banca: UNEB
Orgão: CERB
“Temos, sempre, problemas de fronteiras internas, funcionais, entre Poderes. Essa confusão no que concernem os limites do poder de cada um foi evidente no encontro do presidente do Supremo, do ministro da Justiça e do presidente da República. O encontro não tinha razão de ser: o STF não é subordinado à Presidência da República.”
(Gláucio Soares, FSP, Caderno Mais, 20.07.2008).
Essa citação sugere que o poder, no âmbito institucional brasileiro, é permeado por
 

Provas

Questão presente nas seguintes provas
1397997 Ano: 2012
Disciplina: Geografia
Banca: UNEB
Orgão: CERB
Segundo O IBGE, em uma década, o índice de GINI, usado para medir a desigualdade na distribuição da terra, passou de 0,856 para 0,854.
Considerando-se a informação e os conhecimentos sobre o espaço agrário brasileiro, é incorreto afirmar:
 

Provas

Questão presente nas seguintes provas
Texto:
Economia Verde defende modelos de produção mais sustentáveis
É possível conciliar o desenvolvimento econômico com a preservação do planeta? Um dado alarmante, publicado pela ONG norte-americana Global Footprint Network, revelou que o ser humano tem consumido mais A) do que a capacidade de recomposição da natureza pode suportar. Se o desenvolvimento econômico é baseado no consumo, cria-se, dessa maneira, uma espécie de cheque-mate para o futuro do planeta. Como fazer com que economias mundiais possam crescer e vencer suas crises sem agredir o planeta? A resposta pode estar no termo economia verde.
O relatório “Caminhos para o Desenvolvimento Sustentável e a Erradicação da Pobreza — Síntese para Tomadores de Decisão”, do Programa das Nações Unidas para o Meio Ambiente (PNUMA), define economia verde como aquela que resulta em melhoria do bem-estar da humanidade B) e promove a igualdade social, ao mesmo tempo em que reduz significativamente riscos ambientais e a escassez ecológica. Ou seja, uma economia verde prevê baixa emissão de carbono e eficiência no uso de recursos naturais, além de ser socialmente inclusiva.
Segundo o relatório do PNUMA, no regime de economia verde, o crescimento de renda e de emprego deve ser impulsionado por investimentos públicos e privados, que priorizem a redução das emissões de carbono C) e da poluição, aumentando a eficiência energética e o uso de recursos. Dessa maneira, previnem-se perdas de biodiversidade do planeta.
O Programa das Nações Unidas alerta que, para a transição de uma economia marrom, que depende excessivamente da energia proveniente dos combustíveis fósseis D), para a verde, que explora os recursos renováveis, são necessárias determinadas condições facilitadoras. Isso inclui regulamentos nacionais, políticas, subsídios e incentivos, mercado internacional e infraestrutura legal e protocolos comerciais e de apoio. Para Luiz Felipe Guanaes, professor da Pontifícia Universidade Católica (PUC-RJ) e diretor do Núcleo Interdisciplinar de Meio Ambiente da PUC (Unima), a conscientização do consumidor ditará as mudanças nos modelos econômicos.
“O mercado não é uma coisa fixa, ele vem se transformando desde o dia em que surgiu E) e a sua grande força de mudança é o consumidor, com seus impulsos de compra. A partir do momento em que a sociedade se conscientizar sobre o problema do meio ambiente, a tendência será a demanda por produtos ecologicamente corretos. Quanto mais consciente for o consumidor, mais ele exigirá meios de produção responsáveis em termos ambientais. Para isso, é preciso adequar o modo de produção atual”, explica o professor.
Conforme explica Guanaes, a agricultura orgânica é uma alternativa de produção que vem assumindo cada vez mais espaço no incremento da economia verde no Brasil. “Há 25 anos, não havia demanda para esse tipo de produto, sendo que hoje esse mercado movimenta cerca de R$ 5 bilhões. Entretanto, esses produtos ainda sofrem sobretaxa devido à falta de investimento em tecnologia para baratear a produção, ficando mais caros que os tradicionais. Se conseguirmos baratear o preço dos vegetais orgânicos, incluindo também a implementação de cooperativismos mais inteligentes, eles baterão de frente com os tradicionais”, destaca.
No que diz respeito ao aproveitamento de energias renováveis, desde 2004, o Brasil tem investido na criação de parques com aerogeradores (hélices que fazem a captação do vento para geração de energia), que entraram em funcionamento em 2006. Como explica a presidente executiva da Associação Brasileira de Energia Eólica, (Abeeólica), Elbia Melo, o país possui um clima propício para esse tipo de geração de energia, que corresponde a 1%, dos 17% provenientes de fontes alternativas, do total da matriz energética do Brasil. “Nós, brasileiros, começamos a perceber que a nossa produção de energia eólica é muito melhor que nos Estados Unidos e na Europa, por exemplo, pois nossos ventos são melhores, além das condições do clima. Basicamente, empresas brasileiras que investem em produção de energia alternativas optam também pela eólica”, aponta a presidente.
ECONOMIA VERDE...Disponível em: <http://redeglobo.globo.com/globoecologia/noticia/2012/10/economia-
verde-defende-modelos-de-producao-mais-sustentaveis.html>. Acesso em: 16 jan.2013. Adaptado.
Dentre as alternativas a seguir, a única que registra uma passagem em que o uso do “que” é um conector integrante é
 

Provas

Questão presente nas seguintes provas
1397915 Ano: 2012
Disciplina: Engenharia Mecânica
Banca: UNEB
Orgão: CERB

Os instrumentos mais comuns de medidas lineares são

 

Provas

Questão presente nas seguintes provas
1397910 Ano: 2012
Disciplina: Engenharia Mecânica
Banca: UNEB
Orgão: CERB
A sequência de tratamentos térmicos que promove o aumento da dureza e alívio de tensões superficiais está indicada em:
 

Provas

Questão presente nas seguintes provas
1397570 Ano: 2012
Disciplina: Serviço Social
Banca: UNEB
Orgão: CERB
O panorama dos movimentos sociais neste novo milênio pode ser descrito em torno de 13 eixos temáticos, que envolvem lutas e demandas de acordo com Gohn (2010). Tendo em vista o destaque neste trabalho do campo educacional, os movimentos pela educação serão analisados e agrupados em dois grandes blocos:
 

Provas

Questão presente nas seguintes provas
Texto:
O Papel da Engenharia no Desenvolvimento Sustentável
A expressão Desenvolvimento Sustentável vem sendo utilizada de diversas formas, na promoção do que se espera ser uma grande evolução da humanidade. Há alguns anos, essa expressão, além das prerrogativas associadas a ela, foi determinada por meio de diversas reuniões dos grupos de estudo no âmbito das Universidades e mesmo dos organismos da ONU. Uma comissão, denominada Comissão de Brundtland, foi criada no intuito de formar grupos técnico/científicos que promovessem a compreensão dos efeitos da acelerada deterioração do meio ambiente e do esgotamento dos recursos naturais.
Um relatório final foi publicado pela Oxford University em 1987, intitulado “Our Common Future”. Desse documento surge o que se pode chamar da definição mais completa e ampla de Desenvolvimento Sustentável, que trata exatamente da garantia de manter o desenvolvimento sem que se cause incapacidade de recursos para a perpetuação das próximas gerações. Essa definição é apoiada, segundo o relatório, em outros dois conceitos chave. Um deles trata das necessidades básicas para sobrevivência, priorizando políticas para os países mais pobres. O outro trata das limitações impostas ao crescimento das nações em geral, associadas principalmente ao estado de desenvolvimento tecnológico e de organização social em que se encontram.
E o papel do profissional de Engenharia nesse novo perfil de desenvolvimento? Com toda essa evolução nos conceitos de produção e consumo, principalmente com foco para a eficiência nos processos e na redução das emissões, é certo que os engenheiros possuam posição de destaque no Desenvolvimento Sustentável. Todas as modalidades de engenharia, além de economia e das inúmeras outras, são extremamente importantes para a compreensão desses novos conceitos já conhecidos e aplicados mundialmente. Nesse caso, devemos difundir, através dos mais diversos veículos de comunicação, a importância da educação para formação de bons engenheiros, comprometidos com o meio ambiente, e que consigam assimilar, com mais profundidade, as questões econômicas e sociais atreladas às inovações tecnológicas.
Para um engenheiro, o Desenvolvimento Sustentável é praticamente intrínseco à função, uma vez que ele concebe, projeta, cria e inova em diversos segmentos, sempre com a visão de longo prazo. Um bom exemplo é sem duvida o das grandes obras hidrelétricas, como a barragem de Itaipu, que foi reconhecida à época como grande obra da engenharia moderna e até hoje provê grande parte de nossa energia e orgulha a nós, brasileiros, com o titulo de maior hidrelétrica do mundo em capacidade de geração anual.
Enfim, para as indústrias e empresas que empregam engenheiros, o Desenvolvimento Sustentável é um objetivo fundamental a ser perseguido, tendo em vista as novas exigências do mercado globalizado. Certamente as chances de uma empresa prosperar são cada vez menores se ela não levar em conta os aspectos sustentáveis na sua corporação e, nesses aspectos, devem estar bem claras as questões sociais, ambientais e econômicas, sendo que cabe aos engenheiros interpretar as inovações e garantir a correta aplicação daquilo que tange suas áreas de atuação.
POLIQUEZI, Augusto. O Papel da Engenharia no Desenvolvimento Sustentável. Disponível em: <http://pactoglobalcreapr.wordpress.com/
2011/02/04/o-papel-da-engenharia-no-desenvolvimento-sustentavel/>. Acesso em: 5 jan. 2013.
De acordo com o texto, o papel da engenharia no desenvolvimento sustentável
 

Provas

Questão presente nas seguintes provas
1397249 Ano: 2012
Disciplina: Engenharia Mecânica
Banca: UNEB
Orgão: CERB
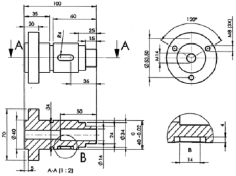
Enunciado 1397249-1
Analisando-se a ilustração, conclui-se que a ferramenta e o equipamento necessário, para fabricação do rasgo Oblongo são
 

Provas

Questão presente nas seguintes provas
1397148 Ano: 2012
Disciplina: Matemática
Banca: UNEB
Orgão: CERB
Preocupado em melhorar as condições do ambiente do trabalho, o chefe de uma repartição reúne os seus funcionários e apresenta-lhes alguns dados para tentar conscientizá-los sobre a importância de cuidar da qualidade do ar na repartição, evitando o fumo. Durante a sua fala, o chefe afirma que um funcionário e meio fuma um cigarro e meio em um minuto e meio.
Com base nessa média, pode-se afirmar que o número de funcionários, fumantes, necessários para fumar sessenta cigarros, em meia hora, é igual a
 

Provas

Questão presente nas seguintes provas
1396907 Ano: 2012
Disciplina: Estatística
Banca: UNEB
Orgão: CERB

Maior reserva de diversidade biológica do mundo, a Amazônia é também o maior bioma brasileiro em extensão. Com a área aproximada de 4196943km2, o Bioma Amazônia ocupa quase metade do território nacional (49,29%).

A bacia amazônica ocupa !$ \large{2\over5} !$ da América do Sul e 5% da superfície terrestre. Sua área, de aproximadamente 6,5 milhões de quilômetros quadrados, abriga a maior rede hidrográfica do planeta, que escoa cerca de !$ \large{1\over5} !$ do volume de água doce do mundo. Sessenta por cento da bacia amazônica encontra-se em território brasileiro, onde o Bioma Amazônia ocupa a totalidade de cinco unidades da federação (Acre, Amapá, Amazonas, Pará e Roraima), grande parte de Rondônia (98,8%), mais da metade do Mato Grosso (54%), além de parte do Maranhão (34%) e de Tocantins (9%).

Disponível em: <www.ibge.gov.br/home/presidencia/noticias_visualiza.php?id_noticia=169>. Acesso em: 4 jan. 2013.

A média dos percentuais da área ocupada pelo Bioma Amazônia, nos estados brasileiros, nos quais esse Bioma não ocupa a totalidade da sua área, é igual a

 

Provas

Questão presente nas seguintes provas