Foram encontradas 421 questões.
Uma resistência trifásica de 10 /fase, ligada em triângulo e alimentada por uma linha de 220V/380V, é utilizada para aquecimento de água no boiler de um hotel. Que potência essa resistência solicita do sistema?
Provas
Analisando o comportamento dos condutores utilizados em instalações elétricas, podemos afirmar que:
I. A resistência de um condutor é diretamente proporcional ao seu comprimento e inversamente à sua seção transversal.
II. A resistividade de um condutor é inerente ao material que o constitui, sendo que a prata é o material que apresenta a menor resistividade.
III. O coeficiente de temperatura de resistência indica a variação da resistência do condutor em função da variação da temperatura. Em geral, nos metais aumenta a resistência com o aumento da temperatura.
Qual(is) está(ão) correta(s)?
Provas
Analisando a construção e o funcionamento do autotransformador podemos afirmar que:
I. A vantagem do autotransformador é a quantidade reduzida de cobre necessária na sua construção, quando comparado a um transformador normal.
II. O fio da parte comum do enrolamento deve ser de seção maior porque a corrente que nele circula é o somatório das correntes dos enrolamentos primário e secundário.
III. A principal desvantagem do autotransformador é ser constituído de um único enrolamento o que limita a diferença de tensão entre os enrolamentos primário e secundário.
Qual(is) está(ão) correta(s)?
Provas
No aterramento de proteção, que visa a segurança pessoal, protegendo contra choques elétricos por contato indireto, devem ser ligados à terra
Provas
A bateria de 12V que alimenta o circuito da figura 2 abaixo, tem resistência interna de 0,5 .

Qual o valor da corrente drenada pela bateria?
Provas
Um pescador utiliza uma lâmpada que dissipa 36W conectada à bateria de 12V do seu automóvel para iluminar o acampamento. Qual o valor da corrente drenada pela bateria e a resistência da lâmpada respectivamente?
Provas
Num voltímetro com fundo de escala de 20V, circula uma corrente de 0,05A. Para medir tensões da ordem de 100V devemos colocar em série um resistor de
Provas
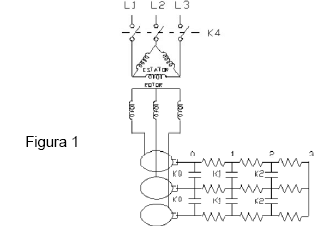
A figura 1 abaixo representa um motor com rotor bobinado. Com base nesta figura 1 podemos afirmar que:


Provas
Um voltímetro hipotético tem uma escala graduada de 0 (zero) a 250. Com o seletor de escalas em 600Vca, o ponteiro aponta para o valor 100 no momento da medida. Qual o valor medido?
Provas
Assinale a alternativa que apresenta concordância nominal correta.
Provas
Caderno Container