Foram encontradas 1.972 questões.
Considere que um motor de indução trifásico de 60 Hz seja escolhido para acionar, a 873 rpm, uma bomba centrífuga de 20 HP. Sabendo que a potência aparente máxima que esse motor pode receber da rede elétrica que o alimenta é igual a 14 kVA e considerando 1 HP = 746 W, julgue os itens seguintes.
O motor possui potência adequada para o acionamento desejado.
Provas
Um banco de capacitores capaz de tornar o fator de potência da carga unitário deverá fornecer a ela mais de 20 kVAr.
Provas
O fator de potência da carga é igual a 0,5.
Provas

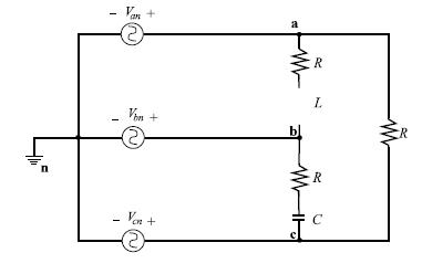
A figura acima mostra uma fonte trifásica senoidal equilibrada de seqüência positiva alimentando uma carga trifásica. Com relação a essa situação, julgue os itens subseqüentes.
A potência ativa consumida por cada uma das três fases da carga é a mesma.
Provas

A figura acima mostra uma fonte trifásica senoidal equilibrada de seqüência positiva alimentando uma carga trifásica. Com relação a essa situação, julgue os itens subseqüentes.
Um voltímetro CA conectado aos pontos a e n medirá a mesma tensão que mediria se estivesse conectado aos pontos a e b.
Provas

A figura acima mostra uma fonte trifásica senoidal equilibrada de seqüência positiva alimentando uma carga trifásica. Com relação a essa situação, julgue os itens subseqüentes.
A amplitude da corrente na fase ab da carga pode ser igual à amplitude da corrente na fase bc da carga.
Provas

A figura acima mostra uma fonte trifásica senoidal equilibrada de seqüência positiva alimentando uma carga trifásica. Com relação a essa situação, julgue os itens subseqüentes.
A carga está conectada em delta e é desequilibrada.
Provas

A figura acima mostra uma fonte trifásica senoidal equilibrada de seqüência positiva alimentando uma carga trifásica. Com relação a essa situação, julgue os itens subseqüentes.
A fonte está conectada em estrela aterrada.
Provas
que alimenta uma carga formada pela associação em série de um resistor de 10
, um indutor cuja reatância é igual a XL e um capacitor cuja reatância é igual a XC. Com relação a essa situação, julgue os itens que se seguem.
então um amperímetro CA colocado em série com a carga indicará uma corrente de 12,7 A.Provas
que alimenta uma carga formada pela associação em série de um resistor de 10
, um indutor cuja reatância é igual a XL e um capacitor cuja reatância é igual a XC. Com relação a essa situação, julgue os itens que se seguem.Uma vez que o ângulo de fase da tensão da fonte é igual a –60º, é correto afirmar que o fator de potência da carga é igual a 0,5 capacitivo.
Provas
Caderno Container