Foram encontradas 1.972 questões.
Acerca de transformadores de potência, julgue os itens seguintes.
As partes principais de um transformador comum incluem o núcleo magnético e os enrolamentos.
Provas

A figura acima mostra uma fonte trifásica senoidal equilibrada que alimenta uma carga trifásica. Com relação a essa situação, julgue os itens subseqüentes.
Um wattímetro analógico monofásico, com a bobina de corrente corretamente conectada entre a fase a da fonte e o ponto a e com a bobina de potencial corretamente conectada entre os pontos b e c, associado a outro wattímetro analógico monofásico, cuja bobina de corrente está corretamente conectada entre a fase c da fonte e o ponto c e com a bobina de potencial corretamente conectada entre os pontos a e b, permite medir potência ativa consumida pela carga.
Provas

A figura acima mostra uma fonte trifásica senoidal equilibrada que alimenta uma carga trifásica. Com relação a essa situação, julgue os itens subseqüentes.
Um único wattímetro analógico monofásico é suficiente para a medição da potência ativa consumida pela carga.
Provas
O método de medição de potência ativa em circuitos trifásicos, conhecido como método dos dois wattímetros, aplica-se ao caso de
carga trifásica desequilibrada a quatro fios.
Provas
O método de medição de potência ativa em circuitos trifásicos, conhecido como método dos dois wattímetros, aplica-se ao caso de
carga trifásica equilibrada conectada em estrela a quatro fios.
Provas
O método de medição de potência ativa em circuitos trifásicos, conhecido como método dos dois wattímetros, aplica-se ao caso de
carga trifásica equilibrada conectada em estrela a três fios.
Provas
O método de medição de potência ativa em circuitos trifásicos, conhecido como método dos dois wattímetros, aplica-se ao caso de
carga trifásica equilibrada conectada em delta.
Provas

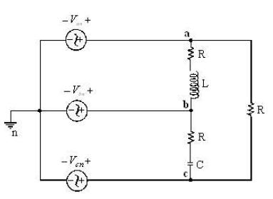
A figura acima mostra um circuito elétrico em que a fonte é monofásica senoidal com tensão eficaz de 250 V e todos os componentes são ideais. Com relação a esse circuito, julgue os itens abaixo
.
Se a bobina de corrente de um wattímetro analógico monofásico for conectada em paralelo com a fonte do circuito e a bobina de potencial desse wattímetro substituir a conexão entre os pontos A e B, o aparelho medirá a potência reativa consumida pela carga.
Provas

A figura acima mostra um circuito elétrico em que a fonte é monofásica senoidal com tensão eficaz de 250 V e todos os componentes são ideais. Com relação a esse circuito, julgue os itens abaixo
.
Um wattímetro analógico monofásico cuja bobina de corrente estivesse corretamente conectada entre os pontos C e D e cuja bobina de potencial estivesse corretamente conectada entre os pontos C e E indicará a potência de 500 W.
Provas

A figura acima mostra um circuito elétrico em que a fonte é monofásica senoidal com tensão eficaz de 250 V e todos os componentes são ideais. Com relação a esse circuito, julgue os itens abaixo
.
Um wattímetro analógico monofásico cuja bobina de corrente estivesse corretamente conectada entre os pontos A e B e cuja bobina de potencial estivesse corretamente conectada entre os pontos E e F indicaria potência nula.
Provas
Caderno Container