Foram encontradas 25 questões.
Considere o circuito da figura para responder às questões de números 27 e 28.
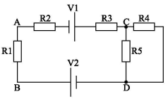
Supor: V1=20V, R1=3Ω,R2=28Ω,R3=1Ω,R4=R5=16Ω e tensão entre os pontos Ae B= 4,5 V.

Assinale a alternativa que apresenta uma afirmação correta sobre o uso de adornos na NR-10 (segurança em instalações e serviços em eletricidade).
Provas
Considere o circuito da figura para responder às questões de números 27 e 28.
Supor: V1=20V, R1=3Ω,R2=28Ω,R3=1Ω,R4=R5=16Ω e tensão entre os pontos Ae B= 4,5 V.

No MS-Excel 2003, há diversas categorias de funções disponíveis por meio da opção de menu Inserir Função. Duas dessas categorias são:
Provas
Considere o circuito da figura para responder às questões de números 27 e 28.
Supor: V1=20V, R1=3Ω,R2=28Ω,R3=1Ω,R4=R5=16Ω e tensão entre os pontos Ae B= 4,5 V.

No MS-Word 2003, quando se seleciona a opção Inserir Tabela, é aberta uma janela que possibilita a seleção de alguns parâmetros importantes, dentre eles:
Provas
Considere o circuito da figura para responder às questões de números 27 e 28.
Supor: V1=20V, R1=3Ω,R2=28Ω,R3=1Ω,R4=R5=16Ω e tensão entre os pontos Ae B= 4,5 V.

Um usuário de um microcomputador com o sistema operacional Windows XP não se lembra em que pasta se encontra um de seus arquivos. Um recurso que o Windows possui para auxiliar a encontrar esse arquivo é o
Provas
Considere o circuito da figura para responder às questões de números 27 e 28.
Supor: V1=20V, R1=3Ω,R2=28Ω,R3=1Ω,R4=R5=16Ω e tensão entre os pontos Ae B= 4,5 V.

Para se eliminar uma pasta no Windows XP, deve-se necessariamente seguir os seguintes passos:
I. selecionar a pasta a ser excluída, por meio do Windows Explorer;
II. excluir todos os arquivos nela presentes;
III. pressionar a tecla Del e o botão Sim na janela de confirmação que surge na tela.
Sobre os passos apresentados, é correto afirmar que
Provas
Considere o circuito da figura para responder às questões de números 27 e 28.
Supor: V1=20V, R1=3Ω,R2=28Ω,R3=1Ω,R4=R5=16Ω e tensão entre os pontos Ae B= 4,5 V.

Um item de grande importância em PCs é a ventoinha de refrigeração (cooler). Considere as seguintes afirmações sobre essas ventoinhas:
I. sua alimentação é sempre feita por meio de interfaces do tipo USB;
II. uma das principais formas de manutenção da ventoinha é a remoção de poeira, que pode se acumular em suas pás;
II. as ventoinhas entram em funcionamento apenas quando a temperatura interna do PC chegar a 75ºC.
Sobre as afirmações, pode-se dizer que está correto o contido em
Provas
Considere o circuito da figura para responder às questões de números 27 e 28.
Supor: V1=20V, R1=3Ω,R2=28Ω,R3=1Ω,R4=R5=16Ω e tensão entre os pontos Ae B= 4,5 V.

Na manutenção de PCs, um ponto de grande importância é a limpeza de drivers de CD/DVD. Sobre esse aspecto, pode-se afirmar que
Provas
Considere o circuito da figura para responder às questões de números 27 e 28.
Supor: V1=20V, R1=3Ω,R2=28Ω,R3=1Ω,R4=R5=16Ω e tensão entre os pontos Ae B= 4,5 V.

Um técnico de manutenção encontrou a seguinte etiqueta de advertência em um microcomputador:

Tradução:
CUIDADO
Conteúdo sujeito a danos por
eletricidade estática
NÃO ABRA
exceto em estação de trabalho
antiestática homologada
143873-DD1
Sobre ela, é correto afirmar que
Provas
Considere os textos para responder à questão de número 04.
Texto I
Há três amigos fiéis: uma velha esposa, um velho cão e dinheiro na mão.
(Benjamin Franklin, séc. XVII)
Texto II
Falar sobre dinheiro parece simples. Afinal, tudo gira em torno dele, é o que usamos para comprar as coisas que queremos e de que precisamos. Somos pagos por nossos empregos e usamos esse dinheiro para pagar contas, comprar comida, nos divertir. Lionel Trilling, crítico literário, já dizia: “Nós inventamos o dinheiro e o usamos, porém não podemos entender suas leis nem controlar suas ações. Ele tem vida própria”.
(Valdomiro Nenevê, Veja, 23.09.2009)
As opiniões de Franklin e Trilling apresentam ideias
Provas
Leia o texto para responder às questões de números 01 a 03.
Com ajuda dos meus amigos
A necessidade atávica do ser humano de ter amigos prova que a amizade pode ser uma das mais poderosas forças de transformação de uma sociedade. Ela é capaz de mudar trajetórias, encorajar decisões e iluminar pensamentos. É com os amigos que se espera comemorar o sucesso ou lamentar um fracasso. É com eles que valores, experiências e interesses são compartilhados sem cobrança ou obrigação. Com o apoio dos amigos, diz-se, tudo dá certo. O que sempre inspirou escritores, pensadores e filósofos passou a ser medido por estatísticas. Dezenas de estudos dos mais respeitados centros de pesquisa do mundo constatam que a amizade influencia, de maneira ainda mais decisiva do que se supunha, a vida pessoal e profissional de cada um. Está provado que um sólido círculo social é capaz de evitar doenças, amenizar o sofrimento, prolongar a vida, catapultar carreiras e até mesmo melhorar a forma física.
Um dos maiores levantamentos já feitos sobre o efeito das amizades na vida prática é o do pesquisador americano Tom Rath, coordenador de pesquisas da Gallup Organization, um dos maiores institutos de pesquisas do mundo. Segundo ele, quem tem um grande amigo no trabalho é sete vezes mais produtivo, mais criativo e mais engajado nas propostas da empresa do que aquele funcionário que não consegue se relacionar com os colegas.
A maioria das pessoas passa no trabalho 70% do tempo em que estão acordadas. Quem trabalha fora costuma conviver mais com os colegas e com o chefe do que com a própria família. Portanto, ter alguém com quem conversar, trocar confidências, pedir conselhos ou mesmo partilhar um olhar de cumplicidade faz toda a diferença. O amigo pode até desconhecer detalhes da vida íntima do outro, entretanto é um porto seguro para enfrentar intempéries da carreira.
Em qualquer idade, a amizade é tida como coisa seriíssima. Cerca de 60% das pessoas respondem que ter amigos é mais importante do que carreira, dinheiro ou família. Ainda assim, amizades verdadeiras estão cada vez mais difíceis. Como dizia Santo Agostinho, “quando uma amizade é verdadeira, nada mais santo e vantajoso se pode desejar no mundo”.
(Daniela Pinheiro, Veja, 27.12.2006. Adaptado)
De acordo com o texto, é correto afirmar que
Provas
Caderno Container