Foram encontradas 50 questões.
Respondida
A respeito do hardware típico de um controlador lógico programável moderno, pode-se afirmar que apresenta arquitetura
Respondida
Um controlador lógico programável moderno, que atende às orientações de linguagens de programação da norma IEC 61131-3, apresenta suporte às linguagens FBD, IL, SFC, ST e LADDER.
Sobre essas linguagens de programação, pode-se afirmar:
Respondida
Assinale a alternativa correta, a respeito de controladores clássicos do tipo P, PI, PD e PID, quando submetidos a um sinal do tipo degrau em sua entrada de erro, que passa de um valor 0,0 [%] para 5,0 [%].
A
Um controlador P (proporcional) irá apresentar em sua saída um sinal do tipo degrau, com intensidade diretamente proporcional ao valor do ganho do controlador.
B
Um controlador do tipo PD (proporcional-derivativo) irá apresentar em sua saída um sinal do tipo degrau, com intensidade diretamente proporcional ao valor do ganho do controlador P, sobreposto a um sinal do tipo rampa devido à atuação do controlador D.
C
Um controlador do tipo PI (proporcional-integral) irá apresentar em sua saída um sinal do tipo degrau, com intensidade diretamente proporcional ao valor do ganho do controlador P, sobreposto a um sinal do tipo impulso, positivo, devido à atuação do controlador I durante o transitório de subida do degrau.
D
Um controlador do tipo PID (proporcional-integral-derivativo) irá apresentar em sua saída um sinal do tipo degrau, com intensidade diretamente proporcional ao valor do ganho do controlador P, sobreposto a um sinal do tipo impulso, negativo, devido à atuação do controlador ID durante o transitório de subida do degrau.
E
Um controlador do tipo PD (proporcional-derivativo) irá apresentar em sua saída um sinal do tipo impulso, com intensidade diretamente proporcional ao valor do ganho do controlador P e a intensidade do degrau de entrada, retornando a zero momentos depois da subida do degrau na entrada.
Respondida
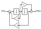
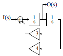
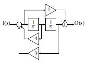
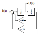
Assinale a alternativa que ilustra corretamente o diagrama de blocos que implementa a função de transferência.
!$ \dfrac {O (s)} {I (s)} \, = \, \dfrac {s} {s^2 + 4 \cdot s + 3} !$
Respondida
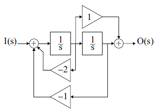
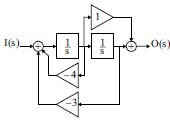
A figura ilustra o diagrama de blocos de um sistema controlado.
Assinale a alternativa que apresenta corretamente a função de transferência !$ \dfrac {O (s)} {I (s)} !$ desse sistema.
Respondida
O amplificador operacional da figura é ideal.
Assinale a alternativa que apresenta corretamente a função de transferência !$ \dfrac {V_o (s)} {V_i (s)} !$ do circuito.
Respondida
O amplificador operacional da figura é ideal.
Assinale a alternativa que apresenta corretamente a relação entre !$ v_o(t), v_1(t) !$ e !$ v_2(t). !$
A
!$ v_o(t) \, = \, v_1(t) \, \cdot \, \begin {pmatrix} 1 - \dfrac {R_2} {R_1} \end {pmatrix} \, - \, \dfrac {R_2} {R_1} \, \cdot \, v_2 (t) !$
B
!$ v_1 (t) \, = \, v_o (t) \, \cdot \, \begin {pmatrix} 1 + \dfrac {R_2} {R_1} \end {pmatrix} \, + \, \dfrac {R_2} {R_1} \, \cdot \, v_1 (t) !$
C
!$ v_o (t) \, = \, v_1 (t) \, \cdot \, \begin {pmatrix} 1 + \dfrac {R_2} {R_1} \end {pmatrix} \, + \, \dfrac {R_2} {R_1} \, \cdot \, v_2 (t) !$
D
!$ v_1 (t) \, = \, v_2 (t) \, \cdot \, \begin {pmatrix} 1 - \dfrac {R_2} {R_1} \end {pmatrix} \, + \, v_o (t) !$
E
!$ v_o \, (t) \, = \, v_2 (t) \, \cdot \, \begin {pmatrix} 1 \, + \, \dfrac {R_2} {R_1} \end {pmatrix} \, - \, \dfrac {R_2} {R_1} \, \cdot \, v_1 (t) !$
Respondida
Um microcontrolador de arquitetura ARM CORTEX-M4 de 32 bits possui:
Sobre esse microcontrolador, pode-se afirmar que
A
sua arquitetura de 32 bits permite a construção de algoritmos com dados representados somente em 32 bits, ou seja, com valores entre – (231 ) – 1 e 231 .
B
seus terminais de GPIO são interfaces de uso geral que podem ser usadas pelo usuário como entradas digitais ou como saídas digitais, conforme a configuração desejada pelo usuário programador.
C
as interfaces SPI, ou Serial Peripheral Interfaces, são portas seriais assíncronas que possuem apenas duas conexões elétricas: uma porta de entrada de dados para o microcontrolador (canal RX) e uma porta de saídas de dados do microcontrolador (canal TX).
D
Os canais ADC de 12 bits são periféricos de saída, que o microcontrolador utiliza para constituir sinais analógicos para o mundo externo a partir de um sinal codificado em binário, com 12 bits resolução.
E
A memória SRAM é um tipo de memória estática não- -volátil, que pode ter seu conteúdo mantido por uma bateria externa, enquanto que a memória FLASH é um tipo de memória dinâmica, volátil, utilizada para armazenamento de variáveis e dados durante o funcionamento do microcontrolador.
Respondida
O amplificador operacional da figura é ideal.
Dado que v i (t ) = 10 [V], assinale a alternativa que apresenta corretamente o valor de v o (t ).
Respondida
Um telefone celular do tipo smartphone possui uma porta padrão USB do tipo OTG para conexão de periféricos externos.
Nessa interface USB tipo OTG,
A
pode ser ligado tanto um dispositivo USB do tipo host, como um computador pessoal, quanto um dispositivo USB do tipo device, como uma impressora ou flash-drive. Em cada caso, o telefone celular irá alterar seu comportamento para se comportar como escravo ou mestre das trocas de informações pela USB, para controlar ou ser controlado pelo periférico externo.
B
podem ser ligados quaisquer dispositivos externos, mesmo os que possuam portas padrão Firewire, Ethernet ou seriais RS-232, sem nenhum tipo de adaptador. Em cada caso, o telefone celular irá alterar seu comportamento para se comportar como escravo ou mestre das trocas de informações pela USB, para controlar ou ser controlado pelo periférico externo.
C
podem ser ligados apenas dispositivos USB do tipo host, como um computador pessoal. O telefone celular irá sempre se comportar como mestre das trocas de informações pela USB, sendo controlado pelo computador pessoal.
D
podem ser ligados apenas dispositivos USB do tipo device, como um computador pessoal. O telefone celular irá sempre se comportar como escravo das trocas de informações pela USB, podendo controlar o computador pessoal.
E
podem ser ligados apenas dispositivos que possuam portas no mesmo padrão USB OTG. A ligação de dispositivos simples, que possuam apenas o padrão USB host ou o padrão USB device, pode resultar na queima da interface de comunicação ou na queima do dispositivo externo.