Foram encontradas 50 questões.
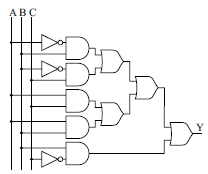
A figura ilustra um circuito lógico, que possui três entradas e uma saída.

Assinale a alternativa que apresenta a soma mínima (obs.: para se obter a soma mínima é possível utilizar o Mapa de Karnaugh).
Provas
Um sistema de lógica combinatória apresenta a seguinte tabela da verdade envolvendo suas cinco entradas e sua saída.
|
Entradas |
Saída |
||||
| A | B | C | D | E | Y |
| 1 | 1 | 1 | 0 | 0 | 1 |
| 1 | 1 | 0 | 0 | 0 | 1 |
| 0 | 1 | 1 | 0 | 1 | 1 |
| 1 | 0 | 1 | 0 | 0 | 1 |
| 1 | 0 | 0 | 0 | 1 | 1 |
| 0 | 1 | 0 | 0 | 0 | 1 |
| 1 | 0 | 0 | 0 | 0 | 1 |
| 1 | 0 | 1 | 0 | 1 | 1 |
Considerando que para as demais combinações das variáveis de entrada, a saída assume sempre o valor zero, assinale a alternativa que representa a expressão booleana da saída.
Provas
A tabela da verdade descreve o funcionamento de um circuito lógico que possui três entradas.
|
Entradas |
Saída |
||
| A | B | C | Y |
| 0 | 0 | 0 | 0 |
| 0 | 0 | 1 | 0 |
| 0 | 1 | 0 | 1 |
| 0 | 1 | 1 | 0 |
| 1 | 0 | 0 | 1 |
| 1 | 0 | 1 | 1 |
| 1 | 1 | 0 | 1 |
| 1 | 1 | 1 | 1 |
Assinale a alternativa que descreve corretamente o produto canônico dessa tabela.
Provas
É dada a expressão booleana
Y = A’.B’.C + A.B’.C + A.B.C’ + A.B.C + A.B’
Assinale a alternativa que apresenta corretamente o resultado de sua minimização.
Provas
A tabela da verdade descreve o funcionamento de um circuito lógico, que possui três entradas.
|
Entradas |
Saída |
||
| A | B | C | Y |
| 0 | 0 | 0 | 1 |
| 0 | 0 | 1 | 0 |
| 0 | 1 | 0 | 0 |
| 0 | 1 | 1 | 0 |
| 1 | 0 | 0 | 1 |
| 1 | 0 | 1 | 1 |
| 1 | 1 | 0 | 0 |
| 1 | 1 | 1 | 0 |
Assinale a alternativa que descreve corretamente a soma canônica dessa tabela.
Provas
De acordo com a norma-padrão da língua portuguesa, assinale a alternativa em que a concordância verbal e/ou nominal está corretamente empregada.
Provas
Provas
Provas
Leia o texto para responder a questão.
DIET DRINKS "LINK TO DEPRESSION" QUESTIONED
Experts are questioning whether diet drinks could raise depression risk, after a large study has found a link.
The US research in more than 250,000 people found depression was more common among frequent consumers of artificially sweetened beverages. The work, which will be presented at the American Academy of Neurology’s annual meeting, did not look at the cause for this link.
Drinking coffee was linked with a lower risk of depression.
People who drank four cups a day were 10% less likely to be diagnosed with depression during the 10-year study period than those who drank no coffee. But those who drank four cans or glasses of diet fizzy drinks or artificially sweetened juice a day increased their risk of depression by about a third. Lead researcher Dr Honglei Chen, of the National Institutes of Health in North Carolina, said: “Our research suggests that cutting out or down on sweetened diet drinks or replacing them with unsweetened coffee may naturally help lower your depression risk.”
But he said more studies were needed to explore this. There are many other factors that may be involved. And the findings – in people in their 50s, 60s, 70s and 80s and living in the US – might not apply to other populations. The safety of sweeteners, like aspartame, has been extensively tested by scientists and is assured by regulators.
Gaynor Bussell, of the British Dietetic Association, said: “Sweeteners used to be called ‘artificial’ sweeteners and unfortunately the term ‘artificial’ has evoked suspicion. As a result, sweeteners have been very widely tested and reviewed for safety and the ones on the market have an excellent safety track record. However, the studies on them continue and this one has thrown up a possibly link – not a cause and effect – with depression.”
(http://www.bbc.co.uk/news/health-20943509.09.01.2013. Adaptado)
Provas
Leia o texto para responder a questão.
DIET DRINKS "LINK TO DEPRESSION" QUESTIONED
Experts are questioning whether diet drinks could raise depression risk, after a large study has found a link.
The US research in more than 250,000 people found depression was more common among frequent consumers of artificially sweetened beverages. The work, which will be presented at the American Academy of Neurology’s annual meeting, did not look at the cause for this link.
Drinking coffee was linked with a lower risk of depression.
People who drank four cups a day were 10% less likely to be diagnosed with depression during the 10-year study period than those who drank no coffee. But those who drank four cans or glasses of diet fizzy drinks or artificially sweetened juice a day increased their risk of depression by about a third. Lead researcher Dr Honglei Chen, of the National Institutes of Health in North Carolina, said: “Our research suggests that cutting out or down on sweetened diet drinks or replacing them with unsweetened coffee may naturally help lower your depression risk.”
But he said more studies were needed to explore this. There are many other factors that may be involved. And the findings – in people in their 50s, 60s, 70s and 80s and living in the US – might not apply to other populations. The safety of sweeteners, like aspartame, has been extensively tested by scientists and is assured by regulators.
Gaynor Bussell, of the British Dietetic Association, said: “Sweeteners used to be called ‘artificial’ sweeteners and unfortunately the term ‘artificial’ has evoked suspicion. As a result, sweeteners have been very widely tested and reviewed for safety and the ones on the market have an excellent safety track record. However, the studies on them continue and this one has thrown up a possibly link – not a cause and effect – with depression.”
(http://www.bbc.co.uk/news/health-20943509.09.01.2013. Adaptado)
Provas
Caderno Container