Foram encontradas 50 questões.
Planejar as atividades do dia a dia é fundamental para a eficiência operacional. O método 5W2H é muito conhecido e vastamente utilizado para isso, mesmo que intuitivamente, em alguns casos.
Sobre esse método, é correto afirmar que
Provas
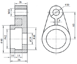
Analise a peça ilustrada na figura a seguir (desconsidere a leitura dos valores das cotas do desenho).

Assinale a alternativa que contém informações técnicas corretas em relação ao desenho técnico mostrado.
Provas
Considere as figuras de números 7, 8, 9, I, II e III, que mostram vistas de desenhos técnicos mecânicos, com indicações que deverão ser interpretadas e consideradas exclusivamente dentro do contexto dos enunciados, sem quaisquer outros tipos de considerações técnicas ou opiniões pessoais.

A interpretação de desenhos técnicos mecânicos só pode ser feita corretamente se todas as pessoas envolvidas, leitores e executores, conhecerem as normas e técnicas de representação, para as quais existem algumas poucas liberdades.
Sobre as vistas de desenho técnico fornecidas, é correto afirmar que
Provas
Considere as figuras de números 7, 8, 9, I, II e III, que mostram vistas de desenhos técnicos mecânicos, com indicações que deverão ser interpretadas e consideradas exclusivamente dentro do contexto dos enunciados, sem quaisquer outros tipos de considerações técnicas ou opiniões pessoais.

Analisando as vistas fornecidas, é correto afirmar que as seções A-A e B-B indicadas nas vistas 7 e 9 correspondem, respectivamente, às vistas
Provas
O programa 5S’s é muito conhecido e tem grande aplicação industrial. Na manutenção mecânica, os benefícios desse programa são indiscutíveis, pois melhora a colaboração entre os profissionais, facilita a visualização e identificação de problemas, reduz acidentes, melhora a disciplina e o ambiente, etc. No Brasil, fala-se dos 5 “Sensos”.
Entre os 5 sensos, pode-se citar dois deles, que são o senso de utilização (Seiri), onde é comum a realização de
Provas
São várias as definições que compõem os conceitos relativos às manutenções mecânicas.
Analise duas dessas definições, dadas a seguir:
I. Ocorrências nos equipamentos que não impedem seu funcionamento, mas diminuem o rendimento e podem acarretar indisponibilidade a curto ou longo prazo.
II. Probabilidade de um componente desempenhar corretamente suas funções, por um determinado tempo, dentro das condições normais de operação.
Pode-se afirmar que as definições (I) e (II) correspondem, respectivamente, aos conceitos de
Provas
Os desenhos técnicos de uma montagem mecânica e os desenhos de fabricação das peças indicam que a máxima folga entre as peças, um furo e um eixo, será de 0,006 mm. Se a máxima e a mínima medidas do eixo da montagem forem, respectivamente, 24,028 mm e 24,015 mm, e a mínima medida do furo da montagem for de 24,000 mm, é correto afirmar que a medida máxima do furo da montagem será de
Provas
Assim como em diversas outras áreas de trabalho, na metrologia mecânica existem algumas particularidades de comunicação verbal. Se o operador de uma fresadora desejar medir a espessura de uma peça que usinou e disser que necessita de um paquímetro com resolução de vinte milésimos de milímetro, seria plausível dizer que uma medida possível de ser lida seria de
Provas
Com experiência e alguns cuidados operacionais, é possível minimizar alguns erros cometidos na metrologia mecânica. Entre os vários existentes, um erro bem conhecido é denominado erro de paralaxe, que pode ocorrer no uso de instrumentos como paquímetros e micrômetros, por exemplo.
É correto afirmar que se trata de um erro causado
Provas
Sobre a produção de material particulado nos motores a combustão, pode-se afirmar corretamente que
Provas
Caderno Container