Foram encontradas 40 questões.

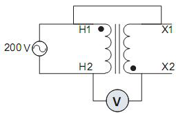
A figura apresenta um ensaio num transformador monofásico de 50 kVA, 200/10 V, 60 Hz. Nesse ensaio, os terminais H1 e X1 estão em curto-circuito, e um voltímetro é conectado nos terminais H2 e X2. Os terminais de tensão superior são alimentados por uma fonte de tensão alternada com a tensão nominal do transformador. Considere o transformador ideal.
Provas
Questão presente nas seguintes provas
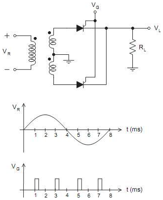
Nas figuras é apresentado o circuito de um retificador controlado a tiristor (SCR), juntamente com os gráficos das formas de onda das tensões VR e VG, mostrando a evolução no tempo dessas tensões.

Assim, o gráfico que representa corretamente um esboço da forma de onda da tensão VL sobre o resistor de carga RL em função do tempo é:

Assim, o gráfico que representa corretamente um esboço da forma de onda da tensão VL sobre o resistor de carga RL em função do tempo é:
Provas
Questão presente nas seguintes provas
Na casa de Luana, não há espaço para hóspedes. Ela comemorará seu aniversário e, após a festa, seus convidados seguirão para um hotel que fica próximo de sua casa. Eles terão de compartilhar quartos a fim de minimizar os gastos de Luana, que reservará o menor número possível de quartos capazes de acomodar todos os visitantes. Se mais de 6 pessoas visitarem Luana, ela terá de reservar, pelo menos, 4 quartos no hotel, uma vez que, em cada quarto, cabem, no máximo, 2 pessoas.
Se Luana não recebeu mais de 6 visitantes, então,
Se Luana não recebeu mais de 6 visitantes, então,
Provas
Questão presente nas seguintes provas
Foram feitas três afirmações acerca de um Simpósio de Gestão de Recursos Hídricos e de João, que é um especialista na área:
• Se o Simpósio de Gestão de Recursos Hídricos aconteceu no Espírito Santo, então João participou do Simpósio.
• João não é carioca.
• Se João não participou do Simpósio de Gestão de Recursos Hídricos, então o Simpósio não aconteceu no Espírito Santo.
Se apenas uma das três afirmações é falsa, então João
• Se o Simpósio de Gestão de Recursos Hídricos aconteceu no Espírito Santo, então João participou do Simpósio.
• João não é carioca.
• Se João não participou do Simpósio de Gestão de Recursos Hídricos, então o Simpósio não aconteceu no Espírito Santo.
Se apenas uma das três afirmações é falsa, então João
Provas
Questão presente nas seguintes provas
Paulo caminhará ao redor do centro de um campo de futebol de uma forma especial: partindo do centro do campo, ele anda 1 metro para norte, depois 2 metros para oeste, depois 3 metros para sul, depois 4 metros para leste, depois 5 metros para norte, depois 6 metros para oeste, e assim por diante, trocando os sentidos cardeais nessa ordem e sempre andando, em cada etapa, 1 metro a mais do que andou na etapa anterior, como ilustra a figura.

No instante em que Paulo estiver completando 49 metros de caminhada, seguindo os procedimentos descritos, a que distância, em metros, ele estará do centro do campo?

No instante em que Paulo estiver completando 49 metros de caminhada, seguindo os procedimentos descritos, a que distância, em metros, ele estará do centro do campo?
Provas
Questão presente nas seguintes provas
A figura mostra um conjunto de grandes caixas cúbicas idênticas guardadas em um dos cantos do galpão de uma empresa, lado a lado e empilhadas, face a face, sem espaços, folgas ou desalinhamentos entre elas. As caixas foram transportadas individualmente por uma firma especializada, que levou 20 minutos para levar cada uma do porto até o galpão e empilhá-la, e outros 10 minutos para retornar do galpão até o porto e pegar a próxima caixa.

Com base nas informações fornecidas e considerando que o trabalho não teve interrupções, conclui-se que o tempo gasto desde o início do transporte da primeira caixa, do porto para o galpão, até a conclusão do empilhamento da última caixa foi de

Com base nas informações fornecidas e considerando que o trabalho não teve interrupções, conclui-se que o tempo gasto desde o início do transporte da primeira caixa, do porto para o galpão, até a conclusão do empilhamento da última caixa foi de
Provas
Questão presente nas seguintes provas
No estojo de Pedro, há nove canetas idênticas, exceto pelas cores: três são azuis, quatro são vermelhas e duas são pretas. O professor de matemática de Pedro o desafiou perguntando-lhe qual é o menor número de canetas que ele deve retirar, aleatoriamente, de seu estojo para garantir que, dentre as canetas retiradas, haja, pelo menos, uma caneta de cada cor.
Que número é esse?
Que número é esse?
Provas
Questão presente nas seguintes provas
No lançamento de um dado viciado, com seis faces numeradas de 1 até 6, sabe-se que a probabilidade do resultado obtido ser um número par é igual a 1/3
Isso significa que, se o dado for lançado por 9.n vezes, onde n ∈ IN , então a(o)
Isso significa que, se o dado for lançado por 9.n vezes, onde n ∈ IN , então a(o)
Provas
Questão presente nas seguintes provas
abendo-se que o triângulo, cujos lados medem 13 cm, 14 cm e 15 cm, tem área igual a 84 cm2 , conclui-se que o triângulo, cujos lados medem 6,5 cm, 7 cm e 7,5 cm, tem área, em cm2 , igual a
Provas
Questão presente nas seguintes provas

Provas
Questão presente nas seguintes provas
Cadernos
Caderno Container