Foram encontradas 900 questões.
Após um traumatismo dental e de acordo com a natureza do trauma, pode-se ter algumas consequências e alterações pulpares como as reabsorções radiculares. Marque a alternativa correta.
Provas
A raspagem subgengival e o alisamento radicular são muito mais complexos e difíceis de realizar do que a raspagem supragengival. Como deve ser o apoio digital para raspagem do sextante superior posterior direito, somente região dos pré-molares, face vestibular?
Provas
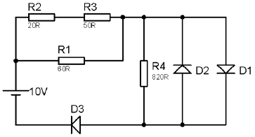
De acordo com o circuito apresentado pela figura abaixo, a corrente que circula por R4 é definida como
(Considere a barreira de potencial dos diodos igual a 0,7V.)

Provas
Provas
Disciplina: TI - Redes de Computadores
Banca: DIRENS Aeronáutica
Orgão: CIAAR
Provas
Disciplina: Estatuto do Idoso - Lei 10.741/2003
Banca: DIRENS Aeronáutica
Orgão: CIAAR
Provas
Uma barra de um compósito reforçado com fibras contínuas e alinhadas longitudinalmente consiste em 25% em volume de fibra com módulo de elasticidade 420 GPa e 75% em volume de uma resina com módulo de elasticidade 10 GPa. A área da seção transversal da barra é igual a 50 mm. Aplica-se na direção longitudinal desta barra uma tensão de 15 MPa que gera simplesmente deformações elásticas nas fibras e na matriz. Nessas condições, as cargas longitudinais, em N, suportadas pelas fibras e pela matriz são, respectivamente:
Provas
A remoção química-mecânica do tecido cariado é uma realidade no contexto de promoção de saúde. De acordo com o exposto, marque a alternativa correta.
Provas
Provas
Os principais elementos responsáveis pela doença periodontal são os fatores locais, ou seja, os agentes situados sobre os dentes. Informe se as alternativas abaixo são verdadeiras (V) ou falsas (F) e, em seguida, assinale a alternativa que apresenta a sequência correta.
( ) A placa bacteriana (biofilme bacteriano), constituída por micro-organismos de diferentes espécies, são fatores determinantes da doença periodontal.
( ) O contorno das restaurações e o respirador bucal são fatores predisponentes da doença periodontal.
( ) Os aparelhos ortodônticos e o traumatismo oclusal são fatores modificadores da doença periodontal.
( ) A gravidez e a anatomia do periodonto de proteção são fatores predisponentes da doença periodontal.
Provas
Caderno Container