Foram encontradas 1.440 questões.
Os índices físicos nada mais são do que grandezas que expressam proporções de pesos e volumes entre as três fases do solo: água, sólido e ar.
Aqueles que são diretamente determinados por meio de ensaios de laboratórios são
Provas
Considere um bloco de concreto armado com as dimensões de 2,0m x 2,0m x 1,0m (comprimento x largura x altura) e peso específico de 10kN/m³, apoiado diretamente no solo. Este bloco suporta ainda um pilar de 140kN de carga total.
A pressão que o bloco exerce sobre o solo, em kN/m², é
Provas
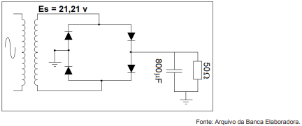
Retificadores são circuitos eletrônicos elaborados para a conversão de corrente alternada em corrente contínua. Para esse processo utilizam-se elementos semicondutores, tais como os diodos e tiristores e outros componentes como, por exemplo, transformadores e capacitores.

Se os diodos forem ideais e a tensão de ondulação do circuito tiver um valor de 6 volts, o valor da tensão apresentada no resistor de 50Ω será de
Provas
O uso do concreto armado é uma solução viável, durável e de confiabilidade. Logo, quanto às suas características e de seu uso, pode-se afirmar que
I. o concreto oferece alta resistência à tração e baixa resistência à compressão.
II. uma estrutura em concreto armado apresenta baixo peso próprio, em comparação com uma estrutura metálica.
III. a diferença entre os coeficientes de dilatação térmica do aço e do concreto é pequena nas situações correntes.
IV. o comportamento estático do conjunto concreto-armadura resulta da aderência entre esses dois materiais, garantindo a transmissão de esforços do aço para o concreto e do concreto para o aço.
Está correto apenas o que se afirma em
Provas
Considere a treliça plana apresentada a seguir, submetida a um sistema de forças.

As reações do apoio 1 (V1, H1) e do apoio 2 (V2 e H2), em módulo, são respectivamente
Provas
A Associação Estrela Triângulo é muito utilizada em sistemas trifásicos.

Sabendo-se dos valores de RA = RB = RC = 50Ω, quais são os valores de RAB, RAC e RBC, respectivamente?
Provas
As condições de propagação de um sinal na faixa de micro-ondas em visada direta dependem ainda de fatores geoclimáticos, como exposto na recomendação ITU-R P.530-16. A combinação desses fatores pode resultar em condições desfavoráveis, elevando a probabilidade de interrupção do enlace devido aos desvanecimentos. A melhoria de desempenho de enlaces de rádio digitais pode ser obtida com o uso de técnicas de diversidade em frequência, em ângulo ou em espaço.
Acerca desse tema, avalie o que se afirma.
I. A eficácia de cada técnica de diversidade depende do grau de descorrelação entre os feixes de onda em diversidade.
II. A diversidade de frequência consiste na transmissão simultânea da mesma informação através de duas portadoras em frequências diferentes.
III. O aumento da margem de operação, pela utilização de antenas de maior ganho, pode melhorar o desempenho sem a necessidade do uso de técnicas de diversidade.
IV. A técnica de diversidade em ângulo produz fatores de melhoria bem melhores que a diversidade em espaço, mas pode ser utilizada em conjunto com ela para obter melhores resultados.
É correto apenas o que se afirma em
Provas
Amplificadores operacionais são muito utilizados para a obtenção de variações da tensão (amplitude e polaridade) em osciladores, filtros e diversos outros tipos de circuitos.

Na configuração apresentada e considerando-se V1 = 20mV e V2 = 5mV, a tensão de saída Vo está corretamente indicada em
Provas
Um trecho de linha de transmissão operando em altas frequências tem impedância característica Zo de 50Ohms. Essa linha termina em curto-circuito e o trecho será utilizado para casamento de impedância de uma carga. Será necessário que na entrada desse trecho de linha de transmissão a impedância apresente uma característica indutiva com valor de +j50Ohms. Para atingir esse objetivo, o comprimento desse trecho de linha deve ser de
Provas
A qualidade do serviço de comunicação prestado por canal via satélite vai depender da composição das relações portadora/ruído (RPR ou C/N) de subida (Uplink) e de descida (Downlink). Um determinado serviço utilizando satélite geoestacionário apresenta a relação RPR de subida de 20 dB e a relação RPR de descida de 30 dB.
Dados adicionais: log 2 = 0,30 log 3 = 0,48 log 5 = 0,70 log 7 = 0,85
O valor correto, em dB, que melhor se aproxima da relação RPR total para esse canal de comunicação é igual a
Provas
Caderno Container