Foram encontradas 1.440 questões.
O fenômeno físico responsável pelo guiamento do feixe luminoso em fibras ópticas é conhecido desde 1.854. Esse fenômeno é corretamente denominado de
Provas
Em um pré-amplificador na polarização estável o emissor contém um resistor de emissor para melhorar o nível de estabilidade da configuração com polarização fixa.

Nessa configuração, o valor da corrente de base IB está corretamente indicado em
Provas
Um sistema de comunicação óptico utilizando uma fibra óptica do tipo monomodo opera na janela de 1,55μm. A fibra apresenta uma atenuação de 0,25dB/km nesse comprimento de onda e o enlace tem comprimento total de 100km. A atenuação nos conectores ópticos e nas emendas por fusão em todo o trecho somam um total de 5dB. O foto emissor consegue entregar efetivamente à fibra óptica a potência luminosa de -3dBm.
Dados adicionais: log 2 = 0,30 log 3 = 0,48 log 5 = 0,70 log 7 = 0,85
Nessa situação, o valor correto da potência luminosa que é entregue ao foto receptor é de
Provas
Um desenho de um lote na escala de 1/500 é apresentado abaixo e possui as seguintes dimensões gráficas cotadas em centímetros.

A área gráfica (em cm²), bem como a área real (em ha) são respectivamente
Provas
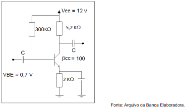
A polarização CC com realimentação de tensão é uma técnica que melhora a estabilidade de um circuito pré-amplificador, realimentando de coletor para a base.

Qual é o valor correto de IB, ICQ VCEQ para o circuito apresentado?
Provas
A seguir é mostrado o cabeçalho do IPv4.

Como o tamanho do cabeçalho não é constante, o campo IHL informa seu tamanho em palavras de 32 bits. Os valores mínimo e máximo corretos indicados pelo campo IHL, em decimais, são, respectivamente,
Provas
Circuitos lógicos podem ser implementados utilizando-se componentes discretos, tais como resistores, diodos e transistores.

O circuito apresentado na figura é a implementação da porta lógica
Provas
O espalhamento espectral (Spread Spectrum) é uma importante técnica de codificação utilizada em comunicações sem fio.
Avalie o que se afirma sobre técnicas de espalhamento espectral.
I. A técnica de espalhamento espectral por saltos de frequência (FHSS) utiliza diferentes frequências de portadora que são moduladas pelo sinal original.
II. A técnica de espalhamento espectral de sequência direta (DSSS) atribui um código de n bits a cada bit do sinal original.
III. Na técnica FHSS para cada bit do sinal original é gerado um código de n bits, denominado chips, que será usado para definir a frequência da portadora a ser utilizada.
IV. Tornam o sinal transmitido menos sensível a interferências de multipercurso.
Está correto apenas o que se afirma em
Provas
Um canal de transmissão de dados apresenta largura de banda de 10kHz e relação sinal ruído igual a 31.
Fundamentado na análise de Shannon, que considera o ruído, é correto afirmar que a capacidade máxima de transmissão para esse canal, em kbps, é igual a
Provas
Informe se é verdadeiro (V) ou falso (F) o que se afirma sobre a Hierarquia Digital Síncrona (SDH).
( ) A multiplexação é realizada pelo intercalamento de bits.
( ) Os quadros em todos os níveis da SDH têm duração uniforme de 125µs.
( ) O container adequado para armazenar os tributários E1(2.048 kbps) é o C-2.
( ) Apresenta maior facilidade para a derivação/inserção de tributários quando comparada à PDH.
De acordo com as afirmações, a sequência correta é
Provas
Caderno Container