Foram encontradas 60 questões.
Considere o sistema de controle representado pelo diagrama em blocos abaixo, sendo C(s) a saída do sistema, R(s) o valor do set-point e L(s) o distúrbio.

Pode-se afirmar que, para o sistema de controle regulatório, sendo R(s) = 0, a função de transferência do sistema será dada por:
Provas
Ao aplicar-se uma função de grau r(t) com amplitude 5 à entrada de um sistema de controle por realimentação negativa, representado pela função de transferência Gp(s), obtem-se a resposta temporal: c(t) = 3∙t.
Considere:
!$ G_P (S) \, = \, \dfrac {C(S)} {R(S)} !$
Em relação à estabilidade do sistema de controle, é correto afirmar que:
Provas
A estabilidade de um amplificador ou outro sistema é determinada diretamente por seus polos.
Analise abaixo os quatro planos s onde os X mostram as diferentes posições dos polos.

O plano s que mostra os polos localizados na posição em que uma excitação por um impulso unitário na entrada gera, como resposta, uma oscilação sustentável é indicado em:
Provas
Um trecho de uma linha de transmissão operando na faixa de frequências de micro-ondas é terminado em curto-circuito. Considere as perdas na linha desprezíveis e sua impedância característica igual a 50 Ohms. Sabe-se que, nesta situação, a impedância vista na entrada desse trecho de linha vai depender do seu comprimento físico.
Se o trecho tem exatos !$ ^1/_4 !$ do comprimento de onda, a impedância vista na entrada deve ser:
Provas
Uma medida útil para descrever o desempenho de uma antena é o seu ganho.
Sobre este tema, analise as afirmativas a seguir.
I. O ganho de uma antena é relacionado com sua diretividade e com sua eficiência de radiação.
II. O ganho pode ser referido como a razão entre a intensidade de radiação em uma dada direção e a intensidade de radiação que seria obtida se a mesma potência fosse radiada isotropicamente.
III. O ganho de uma antena não inclui as perdas por descasamento de impedâncias (perdas por reflexão) e de polarização. Já o ganho absoluto da antena, leva essas perdas em consideração.
Estão corretas apenas as afirmativas
Provas
Alguns amplificadores podem possuir realimentação negativa ou positiva.
Analise abaixo algumas propriedades da aplicação da realimentação negativa em um amplificador.
I. Reduz o ganho.
II. Torna o ganho mais sensível às variações dos valores dos parâmetros dos componentes.
III. Minimiza a distorção não linear.
IV. Permite aumentar ou diminuir as impedâncias de entrada e saída.
V. Reduz a faixa de passagem do amplificador.
Estão corretas apenas o que se afirma em:
Provas
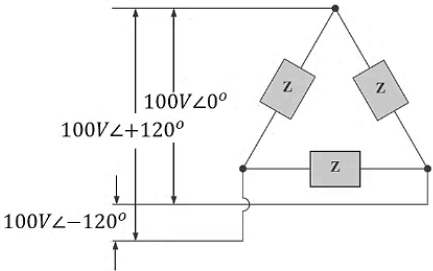
O sistema trifásico abaixo está conectado em !$ \Delta \, - \, \Delta !$ e a carga é equilibrada.
Considerar Z uma carga RC, onde R = 4 !$ \Omega !$ e XC = 3 !$ \Omega !$. Se necessário considerar !$ \sqrt{2} \, = \, 1,4 \,\, e \,\, \sqrt{3} \, = \, 1,7. !$

O valor total da potência aparente será igual a
Provas
Em sistemas trifásicos, tanto os geradores (fonte) quanto as cargas podem ser conectadas em Y ou !$ \Delta !$.
Analise as afirmativas abaixo sobre sistemas trifásicos.
I. Em uma conexão em que tanto o gerador quanto a carga equilibrada estejam conectadas em Y, o módulo da tensão de linha é igual a !$ \sqrt{3} !$ vezes a tensão de fase.
II. Em um sistema Y-!$ \Delta !$ não existe conexão do neutro e, portanto, as tensões de fase da carga e do gerador serão diferentes se a carga não for equilibrada.
III. Em um sistema Y-Y equilibrado, se o módulo da corrente de linha vale 100 A, o módulo da corrente de fase também valerá 100 A.
IV. Em um sistema trifásico equilibrado, a impedância de carga na conexão Y é igual a 1/3 daquela referente à conexão !$ \Delta !$ e o defasamento entre elas é zero.
V. Quando o gerador tem seus enrolamentos conectados em !$ \Delta !$, o módulo da corrente de linha é diferente do módulo da corrente de fase e o ângulo entre a corrente de linha e a corrente de fase mais próxima é de 120º.
Estão corretas apenas as afirmativas:
Provas
Um Circuito Integrado (CI) pode ser classificado de acordo com o tipo do principal componente utilizado na sua confecção. Os circuitos integrados bipolares utilizam Transistores Bipolares de Junção (TBJ) e os circuitos integrados unipolares utilizam Transistores Unipolares de Efeito de Campo (MOSFET).
Analise as afirmativas a seguir relacionadas a estas duas classes de circuitos integrados.
I. Um circuito inversor TTL utiliza muito mais componentes que um inversor CMOS.
II. Os circuitos integrados CMOS da família 4000 foram projetados para serem compatíveis pino a pino com os dispositivos TTL, a fim de facilitar a troca de tecnologias em placas já montadas.
III. Se uma entrada de um CI digital TTL é deixada desconectada (flutuante), ela é considerada exatamente como se estivesse conectada a um nível lógico alto.
IV. A faixa de valores da alimentação de um CI CMOS padrão é mais ampla que a disponível para um CI TTL padrão.
V. Os níveis de tensão que são interpretados como zero lógico ou um lógico são os mesmos para circuitos integrados das diversas famílias TTL e CMOS.
Estão corretas apenas as afirmativas:
Provas
Em um sistema digital para se representar uma sequência de bits de forma “compacta” utilizam-se, muitas vezes, sistemas de numeração octal ou hexadecimal.
O número escrito no sistema octal 42328 será equivalente, em decimal, a:
Provas
Caderno Container