Foram encontradas 60 questões.
O componente central de um computador é o processador, também chamado de unidade central de processamento (CPU). Um processador pode ser classificado de acordo com vários critérios. Um dos critérios de classificação é quanto à utilização de barramentos, se dados e instruções utilizam os mesmos barramentos ou se são separados.
A arquitetura que utiliza barramentos separados para dados e instruções é chamada de arquitetura:
Provas
O primário do transformador do circuito, cujo diagrama esquemático abaixo, está ligado a um barramento CA com tensão eficaz de 220 V e frequência de 60 Hz. A relação de espiras do transformador e o ângulo de disparo dos SCRs foram ajustados de tal maneira que, para todos os componentes funcionando corretamente, o valor eficaz da tensão de saída (VO) seja igual a 100 V.
Entretanto, o SCR1 desse circuito apresentou um defeito, passando a se comportar permanentemente como um circuito aberto.

Na situação de defeito apresentada, qual é o valor eficaz da tensão de saída?
Provas
Abaixo é apresentado o diagrama esquemático de um circuito, onde o SCR recebe um pulso de disparo no ângulo !$ \omega !$t = 90º (o mesmo que !$ \pi !$/2 radianos). O circuito recebe em sua entrada uma tensão com forma de onda senoidal cujo valor de pico VP = 100!$ \pi !$ V.

O valor médio da corrente no resistor é igual a:
Provas
Uma determinada memória RAM trabalha com uma palavra de dados de 8 bits e tem um sistema de endereçamento multiplexado em duas etapas, controlado por dois sinais, RAS e CAS. Inicialmente, o barramento de endereço dessa memória recebe 5 bits de endereço de linha e o sinal RAS é pulsado. Depois, o barramento de endereço recebe 6 bits de endereço de coluna e o sinal CAS é pulsado.
Qual é a capacidade dessa memória em bytes?
Provas
Analise as afirmativas abaixo quanto aos dispositivos lógicos programáveis (PLD):
I. Um PLD do tipo arranjo lógico programável (PLA) tem um arranjo de portas AND/OR e são programáveis com a queima de fusíveis em uma matriz, com a vantagem de serem totalmente reprogramáveis.
II. Os dispositivos lógicos programáveis complexos (CPLD) que empregam tecnologia de programação EEPROM são apagáveis, reprogramáveis e não voláteis.
III. PLDs do tipo matrizes de portas programáveis em campo (FPGA) podem utilizar uma tabela de consulta (LUT) para criar as funções combinacionais desejadas, sendo que uma LUT de N entradas funciona como uma tabela-verdade para 2N-1 combinações possíveis.
IV. Os FPGAs baseados em SRAM necessitam, para a sua configuração, de uma memória externa cujo conteúdo é transferido para o FPGA quando o dispositivo é energizado.
V. Uma diferença entre CPLD e FPGA é que, no primeiro, os recursos internos de roteamento de sinal lógico programável tendem a ser uniformes em todo o chip, produzindo atrasos de sinal consistentes, enquanto que, no segundo, tendem a ser bem variados, com extensões de caminhos diferentes disponíveis e, portanto, atrasos diferentes.
Sobre as afirmativas acima, é correto afirmar que:
Provas
O diagrama abaixo é de um circuito com três flip-flops tipo JK, onde a entrada CLK é um sinal digital periódico com frequência igual a 1kHz.

Sabendo-se que, em um determinado instante, o valor binário das saídas Q2Q1Q0, tomadas nessa ordem, é igual a 010, qual o valor binário das saídas após 5 ms?
Provas
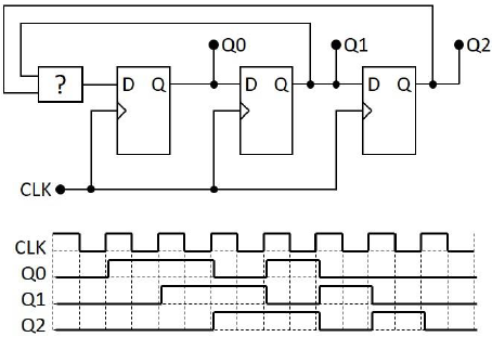
O circuito cujo diagrama esquemático abaixo apresenta um circuito composto por três flip-flops e uma porta lógica desconhecida.

Para que o circuito funcione conforme o diagrama temporal acima, o bloco marcado com uma interrogação deve ser substituído por uma porta:
Provas
Analise abaixo o diagrama esquemático de um circuito com portas lógicas e um diagrama temporal com as formas de onda das entradas A, B e C do circuito e outras quatro formas de onda, X1, X2, X3 e X4.

A forma de onda que corresponde corretamente à saída X do circuito mostrado é:
Provas
O projetista de uma empresa foi encarregado de projetar um circuito gerador de paridade par para uma palavra de sete bits. Um outro projetista foi encarregado de projetar um circuito verificador de paridade para trabalhar com dados com paridade ímpar e que deve gerar um sinal de erro com nível lógico alto se houver erro em um dos bits recebidos.
Analise abaixo os diagramas esquemáticos dos dois circuitos projetados.

Sobre os circuitos acima, e considerando-se as especificações de cada um, é correto afirmar que:
Provas
Analise abaixo os diagramas esquemáticos de dois circuitos, sendo o que primeiro emprega portas lógicas e o segundo, um multiplexador com oito entradas, onde I0 a I7 são as entradas de dados, S0 a S2 são as entradas de seleção, sendo S2 a mais significativa e E é uma entrada de habilitação ativa em nível lógico baixo.

As entradas do multiplexador podem ser ligadas ao nível lógico baixo (0) ou nível lógico alto (1). Para que o circuito com o multiplexador seja funcionalmente equivalente ao circuito com portas lógicas, ou seja, para que a cada uma das possíveis combinações das entradas ambos os circuitos tenham saídas iguais, as entradas do multiplexador I0 a I7 deverão ser ligadas, respectivamente, a:
Provas
Caderno Container