Foram encontradas 60 questões.
Com base na expressão lógica abaixo, marque a opção que apresenta uma expressão lógica equivalente
!$ Z \, = \, \overline{(\bar{A} \, + \, C). \, ( (\bar{A}. \, \bar{B}) \, + \, C)} !$
Provas
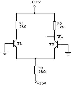
O amplificador diferencial é um circuito muito utilizado na construção de circuitos integrados. No circuito abaixo, considere os transistores T1 e T2 com características idênticas com uma queda VBE = 0,7V e também que as correntes de coletor são iguais às correntes de emissor.

O valor da tensão em VC (coletor de T2), em relação ao terra, será igual a
Provas
Um amplificador com estágio de saída de alta potência é chamado de amplificador de potência.
As afirmativas a seguir referem-se às características das classes dos estágios de saída de um amplificador de potência.
I. A operação em Classe A é a que apresenta o maior rendimento quando comparado com operações em outras classes.
II. A dissipação de potência quiescente de um estágio de saída em Classe B é igual a zero.
III. A utilização de um circuito ressonante para a carga é característica da operação em Classe C.
IV. A operação em Classe AB apresenta a maior distorção de cruzamento (crossover).
V. Um estágio de saída em Classe D opera na região não linear.
Estão corretas apenas as afirmativas:
Provas
A imagem abaixo representa um circuito retificador que pode retificar sinais com amplitudes menores que a queda de tensão nos diodos.
Ele é conhecido como retificador de precisão.

No circuito retificador de precisão acima, considere o amplificador operacional ideal e a queda de tensão nos diodos, quando diretamente polarizados igual a 0,7 V.
O valor da tensão de saída Vo quando Vi = 3 V, será igual a
Provas
Um determinado circuito possui as seguintes expressões para a tensão e corrente em sua entrada:
v = 120V sen (!$ \oemga !$t +80º) e i = 4A sen (!$ \omega !$t +20º)
Com base nestes valores, o valor da potência média fornecida será igual a
Provas
Um dos principais usos dos diodos é em circuitos retificadores, que podem ser de meia onda ou de onda completa.
Informe Verdadeiro (V) ou Falso (F) para as afirmativas relacionadas aos circuitos retificadores utilizando diodos ideais.
Em seguida, marque a opção que apresenta a sequência correta.
( ) Em um retificador de meia onda, o valor médio da tensão retificada é igual ao valor de pico da tensão retificada dividido por !$ \pi !$.
( ) Em um retificador de onda completa em ponte, a frequência do sinal retificado é o dobro da frequência do sinal senoidal na entrada do retificador.
( ) Caso seja desejado o mesmo valor médio da tensão de saída, o transformador utilizado para reduzir a tensão na entrada de um circuito retificador de onda completa terá um maior número de espiras se a retificação for em ponte.
( ) Para uma mesma tensão retificada, a tensão de pico inversa nos diodos de um retificador em ponte é maior do que a tensão de pico inversa de um retificador de onda completa que utilize transformador com derivação central.
( ) Em um retificador de onda completa em ponte ou em um que utilize transformador com derivação central, a corrente média nos diodos é igual a metade da corrente média na carga.
Provas
Semicondutores são elementos químicos com propriedades elétricas entre o isolante e o condutor.
Analise as afirmativas abaixo, referentes à construção de diodos.
I. A camada de depleção é a região próxima à junção do material tipo P e material tipo N na qual não existem os portadores de carga.
II. A polarização reversa em um diodo aumenta a largura da camada de depleção.
III. A corrente de saturação em um diodo polarizado reversamente é causada pelas impurezas e imperfeições na estrutura do cristal semicondutor.
IV. Quando se atinge a tensão de ruptura de um diodo, uma grande quantidade de portadores majoritários é produzido pelo efeito avalanche.
V. Um aumento na temperatura em um diodo produz um aumento tanto dos portadores minoritários quanto dos portadores majoritários.
Estão corretas apenas as afirmativas:
Provas
No circuito RLC abaixo, considera-se !$ \omega !$ = 500 rad/s e o valor eficaz da tensão em Vs igual a !$ 60V \, \angle \, 0º. !$

O valor da potência ativa será igual a
Provas
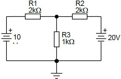
Para o circuito abaixo, o valor da potência dissipada no resistor R3 de 1 k!$ \Omega !$ é igual a

Provas
MILITARES DO GRUPO ESPECIAL DE INSPEÇÃO EM VOO (GEIV)
GARANTEM SEGURANÇA DO TRÁFEGO AÉREO BRASILEIRO
Para garantir a segurança do tráfego aéreo brasileiro, uma equipe de militares do Grupo Especial de Inspeção em Voo (GEIV), da Força Aérea Brasileira (FAB), realiza uma espécie de fiscalização no ar, é a missão de Inspeção em Voo. As atividades acontecem por meio de aeronaves-laboratório, que, junto com radares, sistemas de aproximação, rádios, equipamentos de auxílio à navegação e luzes de orientação, proporcionam a circulação segura das aeronaves.
Subordinado ao Departamento de Controle do Espaço Aéreo (DECEA), o GEIV é responsável por testar, aferir e avaliar os chamados Auxílios e os Procedimentos de Navegação Aérea e integra o Sistema de Controle do Espaço Aéreo Brasileiro (SISCEAB). O Grupo participa da homologação e verificação periódica de aproximadamente 2.268 auxílios e procedimentos, realiza inspeções em todo o território nacional e, eventualmente, em outros países da América do Sul, de voo nas fases de decolagem, rota e pouso, principalmente em condições adversas de meteorologia.
Em dezembro de 2021, o GEIV recebeu a terceira aeronave IU-93M, proveniente do Projeto de Modernização. A plataforma da aeronave-laboratório foi atualizada com o Sistema de Display Integrado Pro Line 21, um aviônico da Rockwell Collins que facilita o voo e aumenta a consciência situacional. O sistema faz com que as informações vitais sejam facilmente acessíveis e compreensíveis, contribuindo para o dinamismo das missões de Inspeção em Voo. Ao longo do segundo semestre de 2021, o GEIV realizou a campanha de Avaliação Operacional (AVOP) do Projeto I-X (IU-50 Legacy 500), contribuindo com relevante passo na sedimentação da implantação do projeto na FAB. “Ambos os passos, tanto a AVOP do IU-50 como o recebimento do IU-93M, colocam o GEIV na direção do futuro, tornando o Grupo capaz de inspecionar todos os tipos de auxílios e procedimentos à navegação aérea, contribuindo com a evolução do SISCEAB, conforme prevê o programa SIRIUS BRASIL”, explica o Comandante do GEIV, Tenente-Coronel Aviador Bruno Michel Marcondes Alves.
http://www.portal.intraer/portalintraer/cabine/publicacoes/notaer_fevereiro_2022.pdf (adaptado)
Em “condições adversas de meteorologia”, a palavra grifada
Provas
Caderno Container