Foram encontradas 632 questões.
Considere o levantamento topográfico das Estacas A, B e C, conforme apresentado na planta a seguir:
Dados:
− Cota da estaca A = 150,00 m.
− Altura do teodolito posicionado em A = 1,500 m.
− Ângulo vertical da estaca A para a estaca C = 11,30º
− Ângulo Horizontal CAB = 57,57º
− Ângulo Horizontal CBA = 40,54º
− Distância horizontal (DH) entre as estacas A e B = 100 m.


A cota da estaca C, em metros, é:
Provas
Considere o tipo de pintura e suas características a seguir:

Os tipos de substratos mais adequados à aplicação dos itens I, II e III, são, respectivamente,
Provas
Considere a execução de revestimento interno de um dos cômodos de uma edificação de 5 pavimentos, com planta baixa conforme especificado a seguir:
Dados:
− Pé-direito = 3,00 m.
− Traço da argamassa em massa de materiais secos (cimento: cal: areia) = 1:2:9.
− Relação água/materiais secos = 0,20.
− Massa específica da argamassa fresca com 20% de umidade em relação aos materiais secos = 2400 kg/m3.
− Espessura do revestimento = 2 cm.

Para cada pavimento é necessário produzir argamassa de reboco para revestir as paredes de tijolos cerâmicos. A quantidade total de cimento, sem desperdícios ou perdas, que deve ser produzida para a confecção da argamassa de revestimento da face interna das paredes destes cômodos nos 5 pavimentos da edificação é, em kg,
Provas
Considere o projeto para execução de fundações superficiais próximas, porém situadas em cotas diferentes a seguir:

No caso de solos resistentes, a reta de maior declive que passa pelos bordos das sapatas deve fazer, com a vertical, um ângulo de
Provas
Ao ser solicitado para executar a construção de um galpão, um engenheiro apresentou a lista de atividades a seguir.

Com os dados das atividades e de suas respectivas durações, o engenheiro montou uma rede PERT-CPM e concluiu que o prazo para a conclusão da obra, em dias, é
Provas
- Gerenciamento, Planejamento e Controle de Obras
- Orçamento no Planejamento e Controle de Obras na Engenharia Civil
Para fazer o orçamento da instalação de interruptores de uma tecla em uma residência, um engenheiro utilizou a composição de custos unitários a seguir.

No projeto das instalações elétricas da residência, consta a instalação de 20 interruptores de uma tecla. A empreiteira que executará o serviço deve recolher 125% de encargos sociais e pratica o BDI de 30%. O preço da instalação destes interruptores, em reais, é
Provas
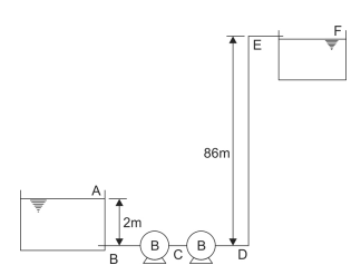
Considere o sistema elevatório de água de um edifício, composto por duas bombas hidráulicas iguais, com rendimento de 86% cada, ligadas em série, dado na figura abaixo.

Para a execução desse sistema elevatório, projetado para a vazão de 3 litros por segundo de água, utilizou-se 90 m de tubulação, além de singularidades, cujos comprimentos equivalentes somam 10 m. Considerando que a perda de carga unitária seja 0,02 m/m, a potência de cada bomba, em CV, é
Provas
Considere a viga biapoiada com 8 m de vão e seção transversal em perfil C da figura abaixo.

A tensão normal máxima devido à flexão na fibra mais tracionada da viga, em MPa, é
Provas
Uma viga de concreto armado de seção transversal retangular deve ser executada com concreto de fck igual a 25 MPa e estribos com barras de aço CA50 com área da seção transversal de 0,3 cm2 , perpendiculares à armadura longitudinal de flexão. Para o detalhamento da armadura transversal utilizou-se os seguintes dados:
− Força cortante solicitante de cálculo de 124 kN.
− Parcela da força cortante resistida por mecanismos complementares ao modelo de treliça igual a 52 kN.
− Altura útil da seção transversal igual a 46 cm.
Considerando que as bielas de compressão do concreto estejam inclinadas de 45º em relação ao eixo longitudinal da barra, o espaçamento entre os estribos com dois ramos, em centímetros, é
Provas
No dimensionamento das estruturas metálicas, para as combinações de ações normais nos estados limites de escoamento e flambagem, utilizou-se um perfil de aço MR250 de seção compacta como viga biapoiada, com contenção lateral contínua. Se o módulo de resistência plástico do perfil é 1 320 cm3 , o seu momento resistente de cálculo, em kNm, é
Provas
Caderno Container