Foram encontradas 30 questões.
Observe o circuito com o medidor (1).

Esse medidor elétrico é denominado
Provas
Observe o circuito R=1KΩ, L=?, C=1μF série alimentado por CA.

Para que o amperímetro A indique o maior valor possível de corrente que pode ser fornecida a esse circuito, o valor aproximado de L, em henry, será igual a
Provas
Observe o esquema elétrico de ligação de um motor de indução trifásico com 12 terminais.

Considerando que a rede é de 440 V / 60 Hz e que ela alimenta os terminais P, S, T, esses terminais só podem ser, respectivamente,
Provas
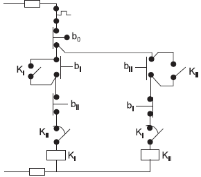
Observe o circuito de comando de uma chave reversora automática para um motor de indução trifásico.

Para que o correto funcionamento ocorra, é necessário que cada contato atue exclusivamente em sua única função, ou seja, tenha uma só função e não realize a função de outro contato.
Qual o par de contatos que está atuando com dupla função?
Provas
Um transformador trifásico 13.800 V/380 V, na linha, exclusivo para alimentar os motores trifásicos da estamparia das cédulas da Casa da Moeda, tem o seu primário ligado em delta (Δ) e o seu secundário ligado em estrela (Y). Considerando que a rede, o transformador e todas as cargas estão em perfeitas condições, qual será o valor da ddp, em volts, entre o centro da estrela das cargas e o neutro do transformador, caso o condutor que interliga esses dois pontos se parta?
Provas
Considere a figura de uma planilha do Microsoft Excel 2007.

Após aplicar determinado comando ao conteúdo selecionado, o resultado apresentado foi o seguinte:

Pelo resultado apresentado, o comando aplicado foi
Provas
No país X, a moeda é o PAFE e, no país Y, a moeda é o LUVE. Se 1,00 PAFE é equivalente a 0,85 LUVES, então 17,00 LUVES equivalem a quantos PAFES?
Provas
José é funcionário de uma imobiliária e gosta muito de Matemática. Para fazer uma brincadeira com um colega, resolveu escrever as áreas de cinco apartamentos que estão à venda em unidades de medida diferentes, como mostra a tabela abaixo.
|
apartamento |
área |
| I |
0,000162 km2 |
| II |
180 m2 |
| III |
12.800 dm2 |
| IV |
950.000 cm2 |
| V |
100.000.000 mm2 |
Em seguida, pediu ao colega que organizasse as áreas dos cinco apartamentos em ordem crescente.
O colega de José respondeu corretamente ao desafio proposto apresentando a ordem
Provas
Em um supermercado, a carne é acondicionada em embalagens com uma etiqueta contendo o preço unitário (o preço de 1 kg de carne), o peso líquido (a quantidade de carne contida na embalagem) e o total a ser pago. Certo dia, a balança eletrônica apresentou problemas e algumas etiquetas foram impressas com defeito, sendo omitidas algumas informações. As Figuras I e II representam as etiquetas de duas embalagens do mesmo tipo de carne, com defeitos de impressão.

O peso líquido, em kg, registrado na etiqueta representada na Figura II é
Provas
Qual é o menor valor inteiro que satisfaz a desigualdade apresentada a seguir?
9x + 2(3x − 4) > 11x − 14
Provas
Caderno Container