Foram encontradas 50 questões.
Cortes são recursos utilizados em desenho para mostrar detalhes internos existentes nas peças. Nas partes maciças, são utilizadas hachuras. São exemplos do recurso de omissão de corte
Provas

De acordo com a NBR 8404:1984 (Indicação do estado de superfície em desenho técnico), o símbolo representa
| a | b | e |
Provas

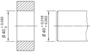
A figura representa um ajuste entre um eixo e um furo. Os valores apresentados na figura indicam que o ajuste resultante é
Provas
Tratamentos térmicos são utilizados em larga escala na indústria com o objetivo de melhorar as propriedades dos metais. Entre esses tratamentos, cita-se a têmpera, que tem como finalidade aumentar a dureza dos aços e, consequentemente, reduzir a sua tenacidade. Tal efeito, muitas vezes, é indesejável. Dentre os tratamentos térmicos, aquele a ser realizado após a têmpera, com o objetivo de aumentar a tenacidade dos aços, é o(a)
Provas
Os mancais são elementos de máquinas utilizados em conjuntos mecânicos com o objetivo de suportar e apoiar os eixos. Os esforços aplicados nos eixos são transmitidos para os mancais, que podem ser de deslizamento ou rolamento. Entre as principais vantagens dos mancais de rolamentos em relação aos de deslizamentos, podem ser destacadas, além do menor atrito, as seguintes características:
Provas
O sistema tradicional de organização industrial era baseado no estoque de produção, ou seja, em produzir, estocar e tentar vender o que foi produzido. Essa forma de organização foi substituída por um método onde a produção acompanha o mercado, ou seja, só se produz o que for solicitado pelo cliente, evitando-se o estoque de matéria- -prima ou produto acabado. Esse sistema de organização é denominado
Provas

Na utilização de instrumentos de medição, é necessário conhecer a resolução desses instrumentos, para que as medições sejam executadas. No instrumento representado pelo desenho, a menor medida que pode ser lida é
Provas
As roscas podem ser de tipos variados com passos e perfis dos mais diversos. Se existe a necessidade de usar uma rosca para fixação, o seu perfil deve ser
Provas
Os instrumentos de medição apresentados são usados com grande frequência na mecânica industrial. O domínio do uso desses instrumentos é muito importante na área de mecânica.

Nesse sentido, os valores apresentados nas medidas 1 e 2 são, respectivamente,
Provas
Uma viga engastada, de seção transversal retangular, é submetida a um carregamento concentrado P, de cima para baixo, em sua extremidade livre, de modo a ter esforço flexão. Analisando os aspectos relacionados a esse carregamento concentrado, afirma-se que
Provas
Caderno Container