Foram encontradas 50 questões.

O AutoCAD é um software muito empregado nas empresas para elaboração de desenhos técnicos. Existem alguns sistemas de coordenadas que podem ser usados na construção das linhas.
Para desenhar o retângulo ao lado, seguindo a origem e o sentido do desenho, no sistema de coordenadas absolutas, devem ser utilizadas as coordenadas
| ORIGEM |
PONTO 1 | PONTO 2 | PONTO 3 | PONTO 4 |
Provas

Acima está representada a perspectiva isométrica de uma peça.
De acordo com o 1o diedro, as vistas ortográficas que representam tal perspectiva são
Provas

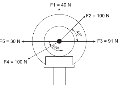
Um olhal é um componente mecânico muito utilizado no içamento de cargas através da utilização de cabos de aço. Considerando o olhal sob a ação de um sistema de forças, representado na figura acima, o valor da resultante, em N, atuante é
Provas
Marta e Roberta participaram de um concurso, e seus respectivos tempos gastos para completar a prova foram de 9900 segundos e de 2,6 horas.
A diferença entre os tempos, em minutos, gastos pelas candidatas nessa prova, foi de
Provas

Um técnico resolve posicionar um bloco em uma viga engastada, submetida a uma carga de 100 N em sua extremidade, afastada 75 mm do engaste. Para a viga, o valor da força exercida em N pelo bloco, de modo que o momento no engaste A seja 40 N.m, é
Provas
Em uma rede local, cujas estações de trabalho usam o sistema operacional Windows XP e endereços IP fixos em suas configurações de conexão, um novo host foi instalado e, embora esteja normalmente conectado à rede, não consegue acesso à internet distribuída nessa rede.
Considerando que todas as outras estações da rede estão acessando a internet sem dificuldades, um dos motivos que pode estar ocasionando esse problema no novo host é
Provas
As tensões podem ser oriundas de esforços mecânicos e indicam o nível de solicitação dos componentes quando estão em operação. Nesse sentido, tensão normal atuante em uma peça pode ser oriunda de
Provas
As pastas Painel de Controle constantes nos sistemas operacionais Windows XP e Windows 7 possuem em comum, por padrão, os seguintes comandos:
Provas
Os softwares navegadores são ferramentas de internet utilizadas para a interação dos usuários com a rede mundial. Para que essa interação seja possível, é necessário fazer uma conexão à internet por um dos diversos meios de acesso disponíveis aos usuários. O meio de acesso no qual o usuário utiliza um modem e uma linha de telefonia fixa para conectar-se com a internet é o
Provas
O Microsoft Word 2007 produz documentos com aparência profissional, oferecendo um conjunto abrangente de ferramentas e comandos para criação e formatação de textos. Nesse aplicativo, por padrão, o(a)
Provas
Caderno Container