Foram encontradas 40 questões.
Em um site de um determinado órgão público, o cidadão tem possibilidade de se comunicar pela Ouvidoria por meio do seguinte formulário eletrônico:

Os dados que entram por este sistema ficam armazenados em uma base de dados, chegando até o operador em formato de uma planilha do Excel. Observe.

Para selecionar todas as mensagens do tipo iluminação, é necessário marcar totalmente a planilha e selecionar a opção:
Provas
- Sistemas OperacionaisWindowsFuncionalidades do WindowsGerenciamento de Arquivos e PastasWindows Explorer
Considere as pastas e os arquivos exibidos no Windows Explorer. Na pasta Trabalho, há três pastas conforme a imagem. Observe.

Diante das afirmações, assinale a alternativa correta.
Provas
Provas
Provas
Provas
O livro “Vidas Secas”, do escritor alagoano Graciliano Ramos, publicado pela primeira vez em 1938, continua sendo uma obra marcante que retrata os dramas cotidianos do sertão nordestino. O sertão, uma sub-região do nordeste, está localizado entre o agreste e o meio-norte. Considerando as suas características, analise as afirmativas a seguir.
I. O clima predominante é o semiárido, caracterizado pelos longos períodos de seca.
II. Os cursos d’água do sertão são, geralmente, formados por rios temporários (também chamados de intermitentes), com exceção do rio São Francisco.
III. É profundamente marcado pela questão da seca e da fome, fator característico do baixo índice pluviométrico, o que costuma ser generalizado para todo o Nordeste.
IV. O sertão nordestino é uma grande região que abrange apenas o Ceará.
Estão corretas apenas as afirmativas
Provas
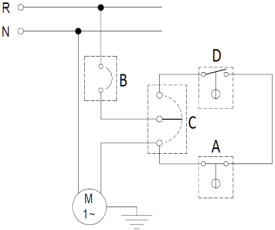
O diagrama representa um comando automático de motor monofásico através de dispositivos de comutação.

Com base no funcionamento deste circuito e seus dispositivos, assinale a afirmativa correta.
Provas
As simbologias destacadas a seguir (1 e 2) representam os princípios de funcionamento de dois sistemas de instrumento de medidas elétricas. Observe.

Podemos afirmar que os instrumentos possuem, respectivamente, os sistemas:
Provas
Analise a figura que evidencia o conjunto da armadura de uma máquina elétrica.

As partes 1, 2, 3 e 4 são denominadas, respectivamente:
Provas
Analise o circuito resistivo, no qual a corrente medida pelo instrumento (A) é de 5 mA.

A tensão medida nos terminais de R e o seu valor são, respectivamente:
Provas
Caderno Container