Foram encontradas 50 questões.
Em um torneio com 5 clubes, em que todos jogarão entre si uma única vez, o número total de jogos será
Provas
Questão presente nas seguintes provas
No Microsoft Power Point 2007, o usuário pode escolher um modelo para a apresentação. Assinale a alternativa cujo tipo de modelo NÃO corresponde ao fornecido por aquele programa.
Provas
Questão presente nas seguintes provas
Os símbolos
significam, respectivamente,
significam, respectivamente,Provas
Questão presente nas seguintes provas
O sexto termo da sequência: 4, 6, 10, 16, 26 ... é
Provas
Questão presente nas seguintes provas
Na figura a seguir, tem-se um gerador ideal de força eletromotriz ε = 72 V, conectado a uma associação de resistores, cuja resistência vale cada uma R = 18 Ω.

É CORRETO afirmar que a Resistência Equivalente do circuito vale, em Ω,
Provas
Questão presente nas seguintes provas
Uma associação de resistores em paralelo tem as características constantes na alternativa
Provas
Questão presente nas seguintes provas
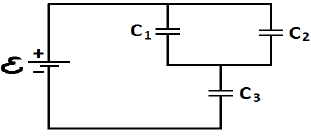
Dada a combinação de capacitores, cujas capacitâncias são: C1 = 4 μF, C2 = 8 μF e C3 = 12 μF e a força eletromotriz ε = 10 V.

A carga no capacitor C1 vale, em μC,
Provas
Questão presente nas seguintes provas
A sigla TUE significa Tomada de Uso
Provas
Questão presente nas seguintes provas
Associe cada grandeza da luminotécnica com sua respectiva unidade.
1. Intensidade Luminosa ( ) lm/W
2. Fluxo Luminoso ( ) nit = cd/m²
3. Iluminância ( ) Lux (lx) = lm/m²
4. Luminância ( ) Lúmen (lm)
5. Eficiência Luminosa ( ) Candela (cd)
2. Fluxo Luminoso ( ) nit = cd/m²
3. Iluminância ( ) Lux (lx) = lm/m²
4. Luminância ( ) Lúmen (lm)
5. Eficiência Luminosa ( ) Candela (cd)
Assinale a alternativa que contém a sequência CORRETA.
Provas
Questão presente nas seguintes provas
As Pontes da União
Dois irmãos que moravam em fazendas vizinhas, separadas apenas por um riacho, entraram em conflito. Foi a primeira grande desavença em toda uma vida de trabalho lado a lado.
Mas agora tudo havia mudado.
O que começou com um pequeno mal entendido finalmente explodiu numa troca de palavras ríspidas, seguidas por semanas de total silêncio.
Numa manhã, o irmão mais velho ouviu baterem à sua porta.
- Estou procurando trabalho, disse um homem.
Talvez você tenha algum serviço para mim.
- Sim, disse o fazendeiro. Claro! Vê aquela fazenda ali, além do riacho? É do meu vizinho.
Na realidade, do meu irmão mais novo. Nós brigamos e não posso mais suportá-lo.
Na realidade, do meu irmão mais novo. Nós brigamos e não posso mais suportá-lo.
Vê aquela pilha de madeira ali no celeiro? Pois use para construir uma cerca bem alta.
- Acho que entendo a situação, disse o carpinteiro.
Mostre-me onde estão a pá e os pregos.
O irmão mais velho entregou o material e foi para a cidade.
O homem ficou ali cortando, medindo, trabalhando o dia inteiro.
Quando o fazendeiro chegou, não acreditou no que viu: em vez de cerca, uma ponte foi construída ali, ligando as duas margens do riacho.
Era um belo trabalho, mas o fazendeiro ficou enfurecido e falou:
- Você foi atrevido construindo essa ponte depois de tudo o que lhe contei.
Mas as surpresas não pararam aí.
Ao olhar novamente para a ponte, viu o seu irmão se aproximando de braços abertos.
Por um instante, permaneceu imóvel do seu lado do rio.
O irmão mais novo, então, falou:
- Você, realmente, foi muito amigo construindo esta ponte mesmo depois do que eu lhe disse.
De repente, num só impulso, o irmão mais velho correu na direção do outro e abraçaram-se, chorando no meio da ponte.
O carpinteiro que fez o trabalho partiu com sua caixa de ferramentas.
- Espere, fique conosco! Tenho outros trabalhos para você.
E o carpinteiro respondeu:
- Eu gostaria, mas tenho outras pontes a construir...
Já pensou como as coisas seriam mais fáceis se parássemos de construir cercas e muros e passássemos a construir pontes com nossos familiares, amigos, colegas do trabalho e, principalmente, nossos inimigos...
O que você está esperando? Que tal começar agora!!!
Disponível em: http://www.mensagenseimagens.com.br/frases/6409/as-pontes-da-uniao/
Quanto à acentuação gráfica, analise as proposições abaixo:
I. Os termos “ríspidos” e “parássemos” recebem o acento gráfico por serem proparoxítonos.
II. Os termos “está” e “já” são acentuados por serem oxítonos terminados em a.
III. O termo “construída” recebe o acento gráfico por ser constituído do hiato tônico em i.
IV. Os termos “só” e “pá” são acentuados por serem monossílabos tônicos.
II. Os termos “está” e “já” são acentuados por serem oxítonos terminados em a.
III. O termo “construída” recebe o acento gráfico por ser constituído do hiato tônico em i.
IV. Os termos “só” e “pá” são acentuados por serem monossílabos tônicos.
Estão CORRETOS apenas
Provas
Questão presente nas seguintes provas
Cadernos
Caderno Container