Foram encontradas 671 questões.
Um determinado osciloscópio está medindo uma tensão periódica cuja forma de onda é mostrada abaixo. Preliminarmente, a posição vertical foi ajustada de tal maneira que, com a entrada em curto circuito para o terra do osciloscópio (GND), o traço fica posicionado no meio da escala e a base de tempo do osciloscópio foi ajustada para que um período da onda ocupe exatamente toda a largura da tela. Nesse osciloscópio, existe uma função que calcula o valor eficaz verdadeiro (true RMS) da forma de onda. O valor calculado através dessa função é:

Provas
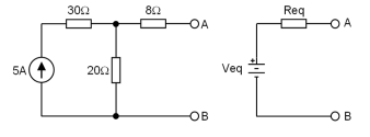
Para que os dois circuitos abaixo sejam equivalentes, os valores da fonte de tensão Veq e do resistor Req devem ser, respectivamente:

Provas
O esquema de conexão dos Dispositivos de Proteção contra Surtos, mostrado na figura, NÃO é indicado para o seguinte sistema de aterramento:

Provas
O gráfico mostra a curva de suportabilidade térmica de um condutor (C) e a curva de atuação de um disjuntor (D1). Na seleção dos disjuntores de proteção contra curtos-circuitos de até 5 segundos, o valor da corrente Ia deve ser menor ou igual a:

Provas
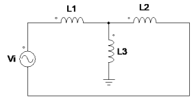
No circuito, Vi = 180.sen(628.t), e os indutores possuem valores iguais a 1,6mH. Qual o valor aproximado da tensão eficaz em L1?

Provas
A figura abaixo mostra o gráfico do consumo energético diário de um estabelecimento. Considerando que a tarifa é 2 R$/kWh e o mês tem 30 dias, calcule a tarifa (R$) paga por esse estabelecimento em um mês.

Provas
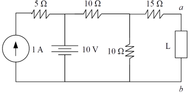
No circuito abaixo, calcule a tensão (V) equivalente de Thévenin da rede que alimenta a carga L por meio dos terminais a-b.

Provas
Observe a figura:

A alternativa que representa o arranjo de subestação apresentado na figura é:
Provas

Provas
No circuito a seguir, calcule a potência (W) consumida pelo resistor de 1 Ω depois de muito tempo (regime permanente) que a chave CH foi fechada.

Provas
Caderno Container