Foram encontradas 671 questões.
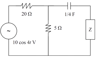
No circuito a seguir, calcule a impedância (Ω) da carga Z tal que a ela ocorra a máxima transferência de potência.

Provas
Questão presente nas seguintes provas
Calcule a potência média (W) consumida pelo resistor de 5 Ω.
Obs.: o módulo da fonte CA é o valor eficaz da corrente.

Provas
Questão presente nas seguintes provas
Um motor de indução trifásico tem rotor modelo gaiola de esquilo e 8 polos. Esse motor é alimentado por uma fonte cuja frequência é 60 Hz. Uma carga mecânica de 90 kW deve ser acionada a uma velocidade de 810 rpm.
Determine a potência elétrica (kW) do entreferro.
Provas
Questão presente nas seguintes provas
Uma bobina tem uma fmm (força magnetomotriz) de 600 Ae e relutância de
2 × 106 Ae/Wb. Calcule o fluxo total (μWb) decorrente dessa fmm.
Provas
Questão presente nas seguintes provas
Um motor de indução trifásico de 6 polos, cuja velocidade do rotor é 1.080 rpm, é
alimentado por uma fonte trifásica de 60 Hz equilibrada. Calcule a frequência (Hz)
elétrica das tensões induzidas no rotor.
Provas
Questão presente nas seguintes provas
Três transformadores monofásicos, cada um de 10 kVA, 100/3.000 V, reatância
igual a 40 Ω (em relação ao lado da alta), são ligados na configuração delta-delta.
Uma carga trifásica equilibrada, ligada em estrela, de 30√3 kVA e fator de potência
0,9 atrasado é ligada nos terminais da baixa do transformador trifásico resultante
para ser alimentada na tensão de 100 V. Calcule o módulo da corrente (A) de linha
no circuito da alta.
Provas
Questão presente nas seguintes provas
Um alimentador trifásico equilibrado, ligado em estrela com tensão de fase igual a
100 V, alimenta uma carga trifásica equilibrada ligada em delta, cuja impedância é
4 + j3 Ω/fase. Calcule a potência (kVA), em regime permanente, consumida pela
carga após uma contingência que abre um dos condutores que ligam o alimentador
à carga.
Provas
Questão presente nas seguintes provas
Nos sistemas elétricos de potência, qual a principal desvantagem em utilizar bancos
de capacitores fixos em relação aos manobráveis?
Provas
Questão presente nas seguintes provas
Nos transformadores que trabalham em baixa frequência, é usual o emprego de
ligas de ferrosilício em sua construção. O uso dessas ligas permite ao transformador
Provas
Questão presente nas seguintes provas
Conforme a NR 10, estabelecimentos com carga instalada acima de 75 kW devem
constituir e manter em sua posse o
Provas
Questão presente nas seguintes provas
Cadernos
Caderno Container