Foram encontradas 311 questões.
Sobre acoplamento, oscilação e filtragem, pode-se afirmar:
I- Capacitores de acoplamento são utilizados para filtrar níveis DC na entrada de circuitos eletrônicos.
II- Quando a impedância equivalente na entrada do receptor é predominantemente resistiva, a amplitude da tensão de ruído captada através de acoplamento capacitivo é proporcional à freqüência do ruído, à amplitude do ruído, à resistência equivalente na entrada do receptor e à capacitância equivalente de acoplamento.
III- Quando a impedância equivalente na entrada do receptor é predominante capacitiva, a amplitude da tensão de ruído captada pelo acoplamento capacitivo é independente da frequência do ruído.
Está CORRETA ou estão CORRETAS:
Provas
Questão presente nas seguintes provas
1524001
Ano: 2008
Disciplina: Segurança e Saúde no Trabalho (SST)
Banca: PUC-PR
Orgão: COPEL
Disciplina: Segurança e Saúde no Trabalho (SST)
Banca: PUC-PR
Orgão: COPEL
Provas:
O Perfil Profissiográfico Previdenciário (PPP) tem como finalidade:
I- Comprovar as condições de habitação do funcionário e serviços primários.
II- Prover o trabalhador de meios de prova produzidos pelo empregador perante a Previdência Social, a outros órgãos públicos e aos sindicatos, de forma a garantir todo direito decorrente da relação de trabalho, seja ele individual, ou difuso e coletivo.
III- Prover a empresa de meios de prova produzidos em tempo real, de modo a organizar e a individualizar as informações contidas em seus diversos setores ao longo dos anos, possibilitando que a empresa evite ações judiciais indevidas relativas a seus trabalhadores.
IV- Possibilitar aos administradores públicos e privados acesso a bases de informações fidedignas, como fonte primária de informação econômica, para desenvolvimento de políticas públicas de distribuição de renda.
Provas
Questão presente nas seguintes provas
A equação de Bernoulli (1700 – 1782) relaciona pressão e velocidade.
Analise as afirmações:
I- Para uma variação de velocidade ocorre uma variação na pressão.
II- Quando a velocidade aumenta, a pressão diminui.
III- A soma das energias cinética e de pressão não é constante.
II- Quando a velocidade aumenta, a pressão diminui.
III- A soma das energias cinética e de pressão não é constante.
Provas
Questão presente nas seguintes provas
Sobre instalações rurais, pode-se afirmar:
I- Os equipamentos de utilização rural, para uma instalação isolada, classificam-se em: silos, bombas de recalque, trituradores, misturadores de ração, moinhos e secadores.
II- Em uma instalação isolada, o alimentador utiliza sistema trifásico estrela em 13,8 kV na parte de alta tensão.
III- Os equipamentos utilizados em uma cooperativa rural podem ser classificados em: equipamentos de iluminação e equipamentos industriais.
IV- O fornecimento aos consumidores isolados é feito em baixa tensão, sendo especificados pela norma específica de Baixa Tensão.
V- Os sistemas monofásicos utilizados são: sistema fase/fase, sistema fase/neutro, sistema monofilar com retorno pela terra.
Estão CORRETAS:
Provas
Questão presente nas seguintes provas
Os óleos hidráulicos são óleos destilados do petróleo e quando submetidos à pressão devem permitir grandes transmissões de pressão, efeito lubrificante das partes móveis, refrigeração, amortecimento de oscilações provocadas por irregularidades da pressão, proteção contra corrosão e remoção de impurezas dos circuitos hidráulicos. Entretanto, quando em uso devem ter a propriedade de inibir o surgimento de espuma.
Com relação à formação de espuma, avalie as proposições.
I- Aumenta a compressibilidade dos óleos hidráulicos.
II- Diminui a resistência contra o envelhecimento devido à maior oxidação do óleo lubrificante.
III- Altera a capacidade de carga da película de lubrificação.
IV- Podem surgir sinais de cavitação na bomba do circuito hidráulico.
II- Diminui a resistência contra o envelhecimento devido à maior oxidação do óleo lubrificante.
III- Altera a capacidade de carga da película de lubrificação.
IV- Podem surgir sinais de cavitação na bomba do circuito hidráulico.
Provas
Questão presente nas seguintes provas
Segundo KAUCHAKJE, “A gestão social visa atender às necessidades e às demandas humanas, considerando que: necessidades são próprias da condição humana... e as demandas são produtos das relações sociais e estão ligadas às carências”.
Neste sentido, constituir-se-ia demanda social:
Provas
Questão presente nas seguintes provas
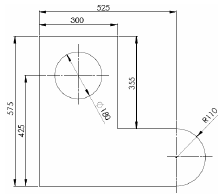
A figura mostra o desenho de uma peça plana zincada de espessura 1,9 mm feita de chapa de aço baixo carbono. Um Técnico em Mecânica deseja representá-la corretamente em escala 1:2. Sabe-se que o desenho deve ter margens, legenda e linhas de cotas.
Qual deve ser o menor formato de papel mais adequado para desenhar a peça? Lembre que o formato A4 possui dimensões de 210x297 mm e que todas as dimensões do desenho estão em milímetros.

Provas
Questão presente nas seguintes provas
1518647
Ano: 2008
Disciplina: Segurança e Saúde no Trabalho (SST)
Banca: PUC-PR
Orgão: COPEL
Disciplina: Segurança e Saúde no Trabalho (SST)
Banca: PUC-PR
Orgão: COPEL
Provas:
De acordo com a NR-23 – Proteção Contra Incêndios, os locais de trabalho, desprovidos de instalações de chuveiros (sprinklers), automáticos, as saídas devem ser dispostas de tal forma que, entre elas e em qualquer local de trabalho que não se tenha de percorrer distância:
Provas
Questão presente nas seguintes provas
Constitui direito do Assistente Social:
Provas
Questão presente nas seguintes provas
Assinale a alternativa CORRETA.
O parecer social deve constituir um instrumento de inclusão e não de julgamento de valor. A caracterização do parecer social como um instrumento de realização de direitos implica atitude
vigilante do profissional quanto aos preconceitos ou valores morais.
vigilante do profissional quanto aos preconceitos ou valores morais.
Provas
Questão presente nas seguintes provas
Cadernos
Caderno Container