Foram encontradas 50 questões.
O pronome mim é oblíquo, ou seja, não executa ações. Assinale o exemplo de uso correto desse pronome.
Provas
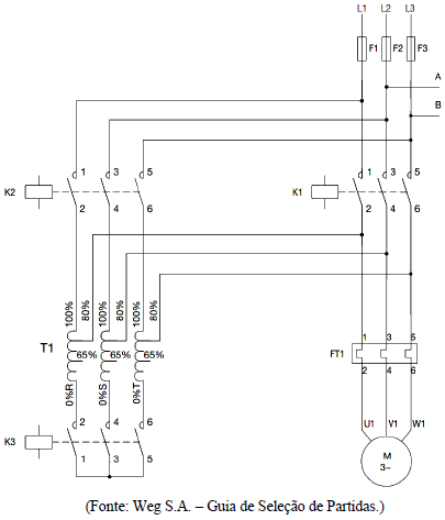
No circuito de comando abaixo, observa-se elementos de proteção para os componentes elétricos e um específico para o motor elétrico a ser acionado.

A partir da análise do circuito, assinale a afirmativa correta.
Provas
O sistema operacional Microsoft Windows XP, em sua configuração padrão de instalação e idioma Português, possui uma ferramenta de organização de arquivos e pastas, denominada Windows Explorer. Essa ferramenta possibilita a visualização dos arquivos e pastas em cinco modos. A 1ª coluna apresenta os nomes desses modos de visualização e a 2ª coluna, ilustrações de cada um deles. Numere a coluna de cima para baixo.
1 – Lado a lado
2 – Listas
3 – Ícones
4 – Miniaturas
5 – Detalhes
( )

( )

( )

( )

( )

Assinale a sequência correta.
Provas
Em um catálogo de chaves de partida, lê-se:
Tipo da partida: Estrela-triângulo
Composição: Disjuntor-motor magnético + Contatores + Relé de sobrecarga
Características:
- Proteção contra curto-circuito e seccionamento com possibilidade de bloqueio
- Disparador magnético fixo e calibrado em 12 e 13 vezes a corrente máxima do disjuntor
- Disparador térmico ajustável para proteção contra sobrecargas através do relé de sobrecarga
- Operação automática/remota através do contator
- Elevada vida útil devido à utilização do contator para as manobras
- Aplicável a motores que partem a vazio
- Frequência de manobras: 15 manobras/hora
Sobre essa chave, é INCORRETO afirmar:
Provas
O princípio de funcionamento de motores elétricos é o eletromagnetismo, ou seja, a criação de campos magnéticos em torno de condutores percorridos por corrente elétrica. Sobre o assunto, assinale a afirmativa correta.
Provas
Em um documento do Microsoft Word 2010 para Windows, idioma Português, faz-se necessário alinhar de forma justificada todo o texto. Qual a sequência correta de teclas de atalho para selecionar todo o texto e depois justificá-lo?
Provas
A figura abaixo indica a utilização do strain gauge.

A partir da análise da figura, assinale a afirmativa correta.
Provas
Leia o texto a seguir e responda à questão.
Informática não é uma palavra americana?
Não. Não há nada parecido na língua inglesa. O nome foi criado pelos italianos, ainda na era jurássica da computação (período anterior aos anos 70, quando qualquer computador, por mais simplesinho que fosse, pesava mais que um caminhão) e nasceu da junção de informazione com matemática. A palavra é bonita e prática e por isso foi aceita pelos brasileiros e entrou no nosso dicionário. Além dela, os italianos criaram vários outros termos, como sistemística (que não sobreviveu fora da Itália) e telemática (que anda forte e rija pelo mundo afora).
Outra opção seria fazer como os franceses, o povo mais ortodoxo do mundo na hora de defender seu idioma. Eles nunca aceitaram o termo computador aplicado às máquinas de gestão de informação. Daí, criaram a palavra ordinateur, ou seja, aquilo que ordena, que propõe uma certa lógica, que organiza o pensamento. Embora muita gente ainda ache que a palavra ideal seria desordenador, dada a desordem que a evolução digital está ocasionando em suas vidas.
(Odisseia Digital. São Paulo: Abril, 2011.)
Assinale o trecho do texto que apresenta ideia de comparação.
Provas
Em relação aos esquemas de aterramento, a norma NBR 5410/2004 afirma:
“Na classificação dos esquemas de aterramento é utilizada a seguinte simbologia:
• Primeira letra – Situação da alimentação em relação à terra:
T = um ponto diretamente aterrado;
I = isolação de todas as partes vivas em relação à terra ou aterramento de um ponto através de impedância;
• Segunda letra – Situação das massas da instalação elétrica em relação à terra:
T = massas diretamente aterradas, independentemente do aterramento eventual de um ponto da alimentação;
N = massas ligadas ao ponto da alimentação aterrado (em corrente alternada, o ponto aterrado é normalmente o ponto neutro);
• Outras letras (eventuais) – Disposição do condutor neutro e do condutor de proteção:
S = funções de neutro e de proteção asseguradas por condutores distintos;
C = funções de neutro e de proteção combinadas em um único condutor (condutor PEN).”
(Fonte: ABNT NBR 5410/2004.)
Sobre esquemas de aterramento, numere a coluna de cima para baixo.
1 – Esquema TN
2 – Esquema TT
3 – Esquema IT
( ) Todas as partes vivas são isoladas da terra ou um ponto da alimentação é aterrado através de impedância.
( ) Possui um ponto da alimentação diretamente aterrado, sendo as massas ligadas a esse ponto através de condutores de proteção.
( ) Possui um ponto da alimentação diretamente aterrado, estando as massas da instalação ligadas a eletrodo(s) de aterramento eletricamente distinto(s) do eletrodo de aterramento da alimentação.
Assinale a sequência correta.
Provas
A NBR 5410/2004 afirma:
“Na determinação das cargas de iluminação, como alternativa à aplicação da ABNT NBR 5413, conforme prescrito na alínea a) de 4.2.1.2.2, pode ser adotado o seguinte critério:
a) em cômodos ou dependências com área igual ou inferior a 6 m2, deve ser prevista uma carga mínima de 100 VA;
b) em cômodo ou dependências com área superior a 6 m2, deve ser prevista uma carga mínima de 100 VA para os primeiros 6 m2, acrescida de 60 VA para cada aumento de 4 m2 inteiros.”
(Fonte: ABNT NBR 5410/2004.)
Uma construtora publica o seguinte anúncio:
“Apartamento de três quartos, sendo uma suíte; cada quarto possui 10 m2, cozinha (5 m2) sala de jantar (4 m2), sala de estar (7 m2), banheiro social (3 m2), banheiro suíte (3 m2), e corredor (11 m2). Excelente localização no bairro Centro Velho, valor a negociar.” Com base na NBR 5410/2004, esse apartamento deve prever potência instalada em iluminação igual a
Provas
Caderno Container