Foram encontradas 50 questões.
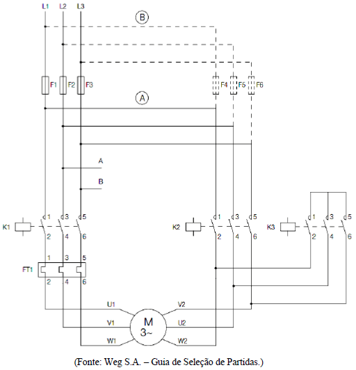
A questão abaixo deve ser respondida com base nos diagramas a seguir.


Os dois diagramas de circuitos elétricos apresentados são dois circuitos utilizados para partida de motores elétricos trifásicos. Esse tipo de partida é conhecida como:
Provas
As campainhas residenciais são acionadas por meio de um interruptor dotado de mola, para que seja acionada somente quando pressionada. Esse tipo de dispositivo de comando é classificado como:
Provas
Uma lâmpada incandescente de 100 W/110 V foi acidentalmente ligada em uma rede com tensão 220 V. Enquanto estava funcionando, qual foi a potência dissipada?
Provas
Necessita-se trocar um resistor de !$ 410 \Omega !$, porém, ao observar o estoque da empresa, verifica que há somente resistores de !$ 100 \Omega !$, !$ 150 \Omega !$, !$ 180 \Omega !$, !$ 270 \Omega !$, !$ 510 \Omega !$, !$ 530 \Omega !$ e !$ 620 \Omega !$. Para substituir o resistor de !$ 410 \Omega !$, é correto realizar uma associação de resistores utilizando:
Provas
A figura abaixo ilustra as funcionalidades de Backup e Restauração do Microsoft Windows 7, em sua configuração padrão de instalação e idioma Português.

Sobre essas funcionalidades, analise as afirmativas.
I - A opção Criar uma imagem do sistema permite a realização de cópia de segurança (backup) apenas de arquivos de imagens (fotos, papel de parede, mapas etc), contidos no disco rígido da máquina.
II - A opção Criar um disco de reparação do sistema permite a criação de um disco que pode ser usado para reiniciar o computador e contém ferramentas do sistema Windows que auxiliam na recuperação de problemas graves ou recuperação completa do sistema.
III - A opção Configurar backup permite a configuração da unidade/local onde será armazenada a cópia de segurança, a escolha dos itens a serem salvos e também a configuração do agendamento do backup.
Está correto o que se afirma em:
Provas
A 1ª coluna apresenta tipos de dispositivos de armazenamento secundário de dados e a 2ª coluna, característica de cada tipo. Numere a coluna de cima para baixo.
1 – LTO – Linear Tape-Open ou formato aberto de armazenamento linear
2 – SSD – Solid-State Drive ou Unidade de Estado Sólido
3 – HDD ou HD – Hard Disk Drive ou Disco Rígido
4 – CD – Compact Disc ou Disco Compacto
( ) Armazenamento não volátil em discos magnéticos metálicos.
( ) Armazenamento não volátil em discos ópticos.
( ) Dispositivo sem partes móveis para armazenamento não volátil de dados digitais.
( ) Armazenamento não volátil de dados em fita magnética.
Assinale a sequência correta.
Provas
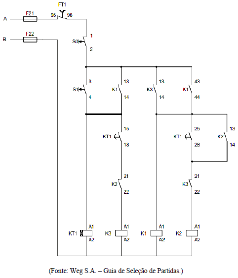
A questão abaixo deve ser respondida com base nos diagramas a seguir.


No diagrama de comando de partida, há um dispositivo temporizador, um botão de ligar, e outro para desligar a chave, que estão representados respectivamente por:
Provas
Um resistor de !$ 10 \Omega !$ dissipa uma potência de 360 W. A corrente que percorre esse resistor é:
Provas
Os motores elétricos trifásicos de indução podem “queimar” quando o fornecimento de energia for inadequado. Um dos defeitos mais comuns é a interrupção de uma das fases de alimentação, o que ocasiona a queima de pares de bobinas. Esse defeito característico é denominado:
Provas
Existem vários padrões de conexão de um monitor em um PC que estabelecem características físicas e funcionais aos vários tipos de conexão. A imagem identificada pelo número 1 representa um painel de conectores de uma placa-mãe de um computador padrão PC e as imagens identificadas de 2 a 5 representam conectores.

Considerando os conectores e as portas de conexão, assinale a alternativa que apresenta apenas conectores compatíveis para conexão nessa placa-mãe.
Provas
Caderno Container