Foram encontradas 50 questões.
Os computadores são máquinas que operam em sistema binário. A fim de melhor compreender números binários, o ser humano também faz o uso da base octal e hexadecimal. Neste sentido, o número (FA1B)16, (527)8 e (1010111,11)2 correspondem respectivamente a:
Provas
Esteve-se em vistoria a uma agência que ainda utiliza lâmpadas que ficaram conhecidas como PL (fluorescentes compactas). Verificou-se que cada lâmpada apresenta um comportamento similar a um circuito RLC série, em que R=1 KΩ, L=0,02 e C=10nF. A lâmpada está conectada a um circuito monofásico com tensão de 120 V(pico) e frequência de 60 Hz. Assinale a alternativa que apresenta potência ativa, reativa e aparente da lâmpada.
Provas
Considere um circuito RLC série com R=20 Ω, L=0,5 H e C=50 μF. Se a resposta do circuito é subamortecida, o fator de amortecimento ζ é dado por ______. Assinale a alternativa que preencha corretamente a lacuna.
Provas
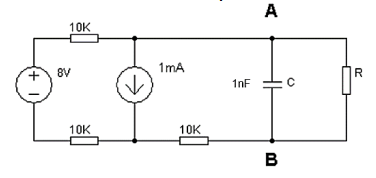
Considere o circuito apresentado a seguir. O resistor R (valor em Ω) é conectado entre os terminais ou nós A e B, para que ocorra a máxima transferência de potência a este.

Diante do exposto acima, assinale a alternativa que apresenta as cargas que o capacitor e o resistor R possuirão.
Provas
Em uma rede de comunicação de dados, um administrador de rede está avaliando a implementação de um protocolo que permita a comunicação eficiente entre diferentes subredes. Ele precisa de um protocolo que ofereça endereçamento hierárquico, suporte à mobilidade e uma configuração automática de endereços. Considerando as características dos protocolos disponíveis, assinale a alternativa que apresenta o mais indicado para esta situação.
Provas
Um copo com capacidade para 20 cm³ de água está vazando por um furo a uma razão de 20 gotas por minuto. Sabendo que uma gota possui um volume de 0,05 mL, o tempo necessário para que o volume de água no copo seja reduzido para 12 cm³ é de:
Provas
Um novo código de rastreamento será implementado nos Correios, com a exigência de que o número seja um múltiplo de 3. Para que o número 54.876.314 seja considerado um código válido, é necessário adicionar a ele o seguinte número ______. Assinale a alternativa que preencha corretamente a lacuna.
Provas
Uma equipe de carteiros, trabalhando 8 horas por dia, finaliza a rota de entregas em 85 dias. Se a jornada de trabalho fosse prolongada em mais 2 horas, a equipe concluiria a mesma rota em ______. Assinale a alternativa que preencha corretamente a lacuna.
Provas
Assinale a alternativa que apresenta o valor da soma das coordenadas dos vértices das funções \( f \)(\( x \)) = \( x \)\( 2 \) − \( 4 \)\( x \) +\( 3 \) e \( g \)(\( x \)) = −\( x \)\( 2 \) + \( 6 \)\( x \)− \( 5 \).
Provas
Em uma agência dos Correios, foi adquirido um aparelho a laser para escanear etiquetas, pelo valor de R$ 2.800,00. Sabendo que o fornecedor obteve um lucro de 40% na venda, assinale a alternativa que apresenta o preço de custo do aparelho.
Provas
Caderno Container