Foram encontradas 525 questões.
Um dos objetivos do protocolo DICOM é promover a comunicação de imagens médicas. Com relação a esse protocolo, é correto afirmar que
Provas
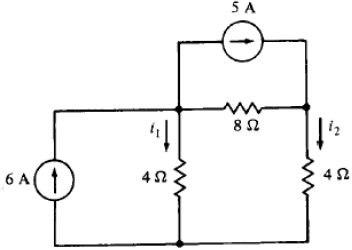
Para o circuito da figura abaixo, as correntes i1 e i2 são, respectivamente,

Provas
Descoberto em 1900, o sistema ABO ainda é o mais importante na seleção de amostras para a transfusão de sangue. Décadas atrás, esse sistema podia ser considerado prova de exclusão de paternidade em algumas situações, como, por exemplo, o fato de ser improvável o nascimento de um filho do grupo O de pais portadores do tipo sanguíneo
Provas
Sobre navegadores de Internet, julgue verdadeira (V) ou falsa (F) cada uma das seguintes afirmativas:
I. O DOM (Document Object Model) é uma API independente de navegadores Web para representação e interação com objetos em documentos HTML, XHTML e XML.
II. O engine Webkit é utilizado apenas pelo Internet Explorer a partir da versão 10 como motor de renderização.
III. O projeto Chromium, em que o Google Chrome é baseado, utiliza a engine de renderização Blink.
A sequência que expressa corretamente o julgamento das afirmativas é
Provas
Quanto aos padrões de conduta para coleta de material biológico para o exame de DNA, é INCORRETO afirmar que
Provas
Uma das finalidades da geofísica forense na prática pericial é localizar possíveis inumações humanas no subsolo. Os equipamentos mais adequados para tal finalidade são
Provas
A respeito de mapas geológicos e de base é INCORRETO afirmar o seguinte:
Provas
Consulte a imagem a seguir, de patologia em revestimento cerâmico de fachada de edificação de tipologia vertical, com fenômeno de descolamento e trinca em plano vertical revestido. Com base na análise deste tipo de patologia, é correto afirmar que o(a)

Figura 3 Detalhe de patologia em muro, plano vertical de edificação. Fonte: Roscoe, Márcia Taveira. Patologias em revestimento cerâmico de fachada. 81 f. Monografia (Especialização em Construção Civil com ênfase em Avaliação e Perícias), Belo Horizonte, Escola de Engenharia, Universidade Federal de Minas Gerais, 2008, p. 64.
Provas
Considerando o circuito de corrente contínua mostrado na figura abaixo, a intensidade da corrente Io que atravessa o resistor de \( 3 \Omega \) que interliga o ponto V2 à terra é

Provas
Sobre a estrutura, o funcionamento e as atribuições do Poder Judiciário brasileiro é correto afirmar que
Provas
Caderno Container