Foram encontradas 1.357 questões.
Uma antena dipolo infinitesimal de 5m, alimentada por uma corrente de 10A, opera na frequência de 3MHz no espaço livre. Nestas condições, é possível desprezar os efeitos do campo próximo a partir de aproximadamente
Provas
Um programa roda em 10s em um computador “A”, que tem um clock de 400MHz. Um projetista de computador quer construir uma nova máquina “B” que irá rodar o mesmo programa em 6s. A máquina “B” irá exigir 1,2 vezes ciclos a mais de clock que a máquina “A” para execução do programa.
A taxa de clock que deve ser obtida pelo projetista para a máquina “B” é de
Provas
Um projeto de instalação elétrica possui 3 interruptores de parede ‘a’, ‘b’ e ‘c’. A=1 representa a condição interruptor ‘a’ ligado e A=0 representa a condição interruptor ‘a’ desligado. De modo similar, as variáveis B e C estão associadas às posições dos interruptores ‘b’ e ‘c’, respectivamente. O circuito de portas lógicas cuja a alteração do estado de um interruptor, independente dos outros, vá provocar uma mudança de estado na saída é
Provas
No circuito abaixo, assumindo que o ganho do amplificador operacional é A=100, o valor da tensão de saída (Vout) é aproximadamente

Provas
O circuito abaixo deve controlar o acendimento de um led de 1,5V.

Se utilizarmos o dobro de IBmín como margem de segurança, o valor da tensão de entrada necessária para assegurar que o led irá acender é de aproximadamente
Dados: VCC=9V; RC=240Ω; RB=3,3kΩ; βsat=50; VBEsat=0,7V e VCEsat=0,3V
Provas
Com o intuito de limitar a tensão na carga, foi colocado um diodo zener em paralelo com a mesma, como mostra a figura.

Dados que R=150Ω, RL=3,3kΩ e o diodo zener utilizado é o 1N753 com tensão nominal Vz de 6,2V e Pzmáx de 500mW. A tensão mínima Vimín que ativa o zener é aproximadamente
Provas
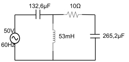
Um engenheiro, ao analisar o circuito representado na figura a seguir, observou que a corrente na linha estava acima do esperado.

Buscando uma explicação para esse fato, o engenheiro calculou o fator de potência do circuito e encontrou aproximadamente
Provas
Um pesquisador utilizou em seu experimento um condutor de cobre de seção circular de 1,5 mm2 e fez o condutor ser percorrido por uma corrente contínua de intensidade 15A em um ambiente de temperatura controlada em 20oC. Neste experimento, o módulo da velocidade média esperada para que os elétrons percorram o condutor é de
(Dados: σcobre=5,8x107S/m, μρcobre=3,2x10-3m2/Vs)
Provas
Ao analisar um circuito com a configuração apresentada na figura a seguir, um engenheiro colocou uma bateria de 10 V na extremidade AD e outra de 20 V na extremidade CF, com as polaridades de modo que o sentido convencional das correntes fosse o indicado na figura.

Com esse arranjo, a corrente medida pelo engenheiro no ramo BE foi de aproximadamente
Provas
Um engenheiro dispunha de 20 metros de um condutor cilíndrico de seção reta com área de 0,5 mm2 . Com o intuito de calcular a resistividade desse condutor, ele aplicou uma diferença de potencial (ddp) de 127 V nos terminais do condutor e mediu uma corrente de 8 A.
Com base nesse experimento, a resistividade do condutor vale
Provas
Caderno Container