Foram encontradas 544 questões.

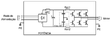
Manual do inversor de frequência CFW08,
Revisão 9, WEG (com adaptações).
A figura acima mostra parte do diagrama esquemático de um inversor de frequência industrial. A respeito desse tipo de dispositivo, julgue o item.
Na instalação elétrica industrial que utiliza inversores de frequência para controle de motores de alta potência, os cabos dos condutores de sinal, de controle e de potência podem ser agrupados nos mesmos conduítes, visando a minimizar os custos da instalação.
Provas

Manual do inversor de frequência CFW08,
Revisão 9, WEG (com adaptações).
A figura acima mostra parte do diagrama esquemático de um inversor de frequência industrial. A respeito desse tipo de dispositivo, julgue o item.
O chaveamento utilizado nos dispositivos inversores provoca a introdução de harmônicos na rede de alimentação, causando interferência eletromagnética em outros dispositivos, na mesma planta. A utilização de filtros supressores de ruídos é imprescindível para garantir a qualidade da energia na rede de alimentação.
Provas

Manual do inversor de frequência CFW08,
Revisão 9, WEG (com adaptações).
A figura acima mostra parte do diagrama esquemático de um inversor de frequência industrial. A respeito desse tipo de dispositivo, julgue o item.
Se o dispositivo implementa modulação do tipo SVPWM (space vector pulse width modulation), a tensão em cada fase de saída é controlada por um par de transistores e somente um dos transistores está conduzindo por vez.
Dessa forma, existem oito configurações possíveis (ou estados) para a saída a cada instante, que podem ser combinadas, dentro de um período da modulação PWM, para gerar um vetor de tensão desejado.
Provas

Manual do inversor de frequência CFW08,
Revisão 9, WEG (com adaptações).
A figura acima mostra parte do diagrama esquemático de um inversor de frequência industrial. A respeito desse tipo de dispositivo, julgue o item.
O inversor de frequência mostrado é do tipo VSI (voltage-source inverter). Nessa topologia, as tensões da rede são retificadas para uma tensão DC e um capacitor armazena a energia que será entregue para o motor por meio da etapa de acionamento.
Provas

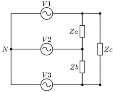
Com relação ao circuito trifásico mostrado na figura acima, julgue o item.
Em um sistema trifásico balanceado, a medição das tensões de linha sempre será maior que a medição das tensões de fase.
Provas

Com relação ao circuito trifásico mostrado na figura acima, julgue o item.
Para que o sistema trifásico mostrado seja balanceado, basta que a carga esteja balanceada, pois a fonte trifásica dispõe de ponto neutro, que pode ser aterrado.
Provas

Com relação ao circuito trifásico mostrado na figura acima, julgue o item.
A carga trifásica está conectada em configuração Y ou estrela.
Provas

Considerando o circuito mostrado na figura acima, julgue o item.
Na situação em que a tensão V1 é uma fonte senoidal de 1 V, de pico e fase zero, a onda de corrente estará adiantada em relação à onda de tensão.
Provas

Considerando o circuito mostrado na figura acima, julgue o item.
Na situação em que V1 é uma fonte de tensão senoidal de 1 V, de pico e fase zero, o circuito dissipa somente potência reativa.
Provas

Manual do inversor de frequência CFW08,
Revisão 9, WEG (com adaptações).
A figura acima mostra parte do diagrama esquemático de um inversor de frequência industrial. A respeito desse tipo de dispositivo, julgue o item.
A etapa DC-AC do inversor de frequência é implementada por meio de chaves eletrônicas de potência controladas por sinais digitais que não foram mostrados na figura. O uso de modulação por largura de pulso permite controlar a tensão de saída em cada fase.
Provas
Caderno Container